型号筛选
可选加工(可选)
未生成型号,还有 2 项未选择
重置
代码
无数据
产品选型
代码
无数据
规格
无数据
轮部代号
无数据
价格生成中...
图片仅供参考,请以已选的规格为准
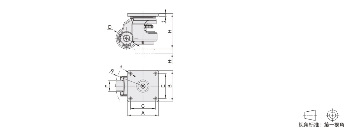
不锈钢福马水平调节脚轮 容许载荷250-500kg 平底活动型
条件筛选:
产品型号:
未税折扣单价: -- --
含税折扣单价: ----
含税总价 (税率13%): ¥--
预计发货天数:-- 天 (发货天数以下单次日起算,不含周日与法定假日)
购买数量(PCS):
起订量:1PCS
, 加量幅度:1PCS
登录后可查看价格、加入购物车、一键购买
立即登录
价格生成中...
登录后可查看价格、加入购物车、一键购买
立即登录
代码J-CXA09的技术资料信息曾有所变更,可前往 型号勘误表 查看变更记录
相似商品
同类人气商品
计算选型
技术图档
全部型号
3D预览
技术图档
产品简介
材质图
参数图
| 代码 |
支架 |
轮部 |
||||||||||||||
| 类型 | 材质 | 表面处理 | 刹车类型 | |||||||||||||
| J-CXA09 | 平底活动型 | SUS316 | 电解抛光 | — |
|
|||||||||||
受材料及装配累积公差影响转动半径R值数据仅供参考,请在设计中为其预留充足转动空间。
当福马轮移动时,需要将支撑橡胶底座充分离开地面。如不遵守,当移动时橡胶底座接触到地面,
会出现螺丝脱离而导致不可调节高低作用。
使用说明:福马轮四轮负荷承载建议为单个承载的2倍,将设备移动至理想位置后,调节调整块与地面接触。
具备移动和固定功能,不适合专用推动设备。

产品简介
1. 添加筛选条件,生成产品型号
客服
购物车
小程序
怡合达商城小程序
随身商城一手掌握
公众号
微信公众号
订单/资讯随手掌握
微信技术交流服务群
扫码添加进群
浏览记录
问题反馈
置顶
Copyright © 2010-2026 东莞怡合达自动化股份有限公司 版权所有 粤ICP备14032684号
营业执照: 91441900566614589Q