型号筛选
可选加工(可选)
未生成型号,还有 8 项未选择
重置
代码
无数据
参数选型
刹车类型
无数据
容许载荷(kg)
无数据
支架材质
无数据
支架类型
无数据
支架表面处理
无数据
产品选型
代码
无数据
D
无数据
轮部代号
无数据
价格生成中...
图片仅供参考,请以已选的规格为准
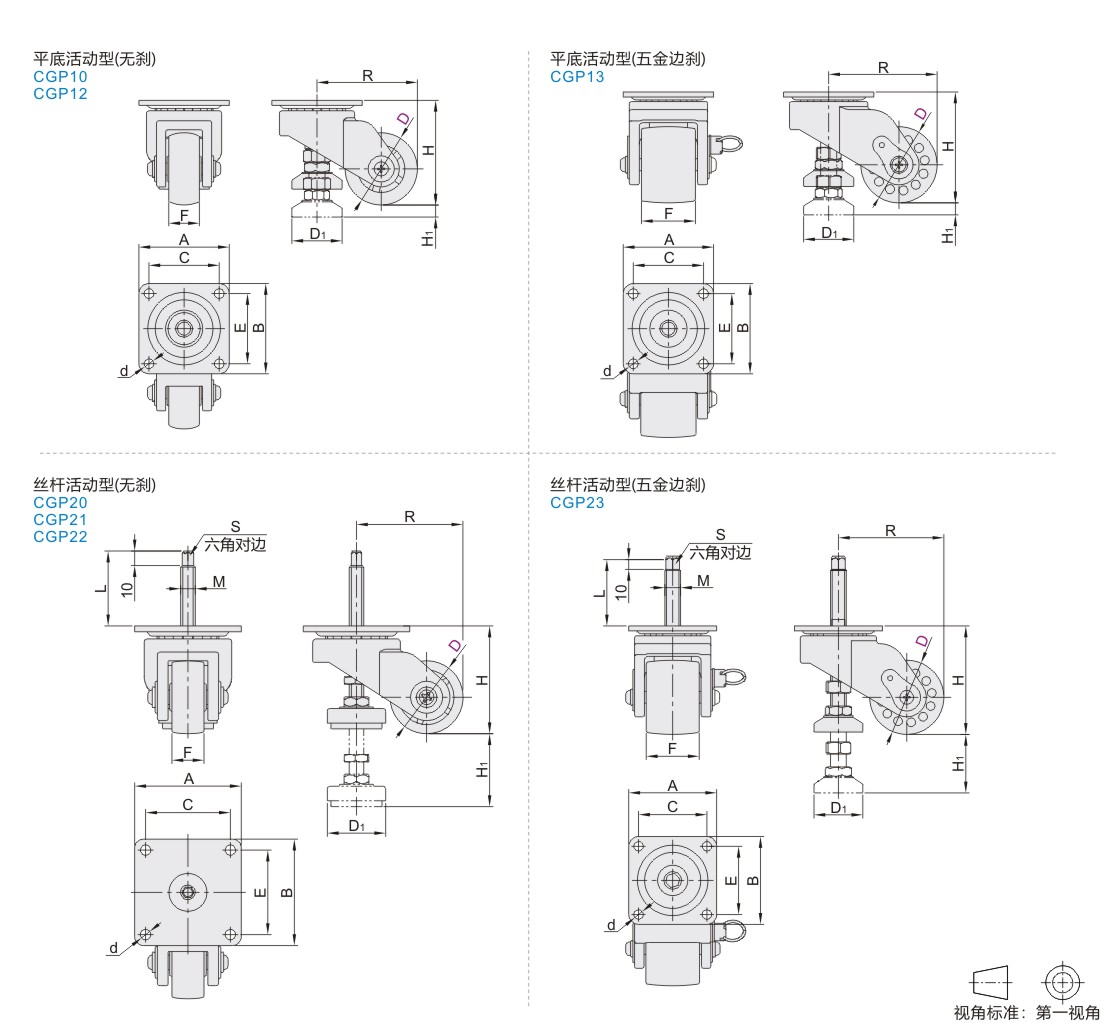
福马水平调节脚轮 容许载荷140-800kg 平底活动型/丝杆活动型 带中心调整块
条件筛选:
产品型号:
未税折扣单价: -- --
含税折扣单价: ----
含税总价 (税率13%): ¥--
预计发货天数:-- 天 (发货天数以下单次日起算,不含周日与法定假日)
购买数量():
起订量:0
, 加量幅度:0
登录后可查看价格、加入购物车、一键购买
立即登录
价格生成中...
登录后可查看价格、加入购物车、一键购买
立即登录
代码的技术资料信息曾有所变更,可前往 型号勘误表 查看变更记录
相似商品
同类人气商品
计算选型
技术图档
全部型号
3D预览
技术图档
产品简介
使用演示
材质图
参数图
| 代码 |
支架 |
轮部 |
||||||||||||||
| 类型 |
材质 | 表面处理 | 刹车类型 | |||||||||||||
| CGP10 | 平底活动型 |
带中心 调整块 |
SPCC | 黑色电泳 | — |
|
||||||||||
| CGP12 | 铝合金 |
白色喷涂 |
||||||||||||||
| CGP13 | 五金边刹 | |||||||||||||||
| CGP20 | 丝杆活动型 | SPCC |
黑色电泳 | — | ||||||||||||
| CGP21 | 镀锌 | |||||||||||||||
| CGP22 | 铝合金 | 白色喷涂 | ||||||||||||||
| CGP23 | 五金边刹 | |||||||||||||||
受材料及装配累积公差影响转动半径R值数据仅供参考,请在设计中为其预留充足转动空间。

丝杆活动型
| 型号 | 轮部 代号 |
H | H1 | F | M | L | S | A | B | C | E | D1 | d | R | t | 容许载荷 (kg) |
参考重量 (kg) |
|||||||||||
| 代码 | D | |||||||||||||||||||||||||||
| CGP20 CGP21 |
50 | DE | 75 | 50 | 22 | 10 | 44.7 | 7 | 73 | 73 | 58 | 58 | 38 | 7 | 73 | 4 | 140 | 0.58 | ||||||||||
| 72 | 105.2 | 60 | 31 | 16 | 71.5 | 11 | 90 | 90 | 70 | 70 | 50 | 9.5 | 100 | 5 | 470 | 1.62 | ||||||||||||
| 76 | DA | 111.4 | 55 | 65.3 | 110 | 670 | 1.97 | |||||||||||||||||||||
| CGP23 | 76 | 110 | 69.1 | 800 | 1.94 | |||||||||||||||||||||||
| CGP22 | 50 | DE | 73.3 | 50 | 22 | 10 | 52 | 7 | 73 | 73 | 58 | 58 | 40 | 7 | 73 | 4 | 150 | 0.69 | ||||||||||
| 72 | 103.5 | 60 | 31 | 16 | 79.3 | 11 | 90 | 90 | 70 | 70 | 50 | 9.5 | 100 | 5 | 600 | 1.44 | ||||||||||||
| 76 | DA | 110 | 55 | 69.1 | 110 | 800 | 1.85 | |||||||||||||||||||||
平底活动型
| 型号 | 轮部 代号 |
H | H1 | F |
A | B |
C |
E |
D1 |
d |
R |
t |
容许载荷 (Kg) |
参考重量 (Kg) |
||
| 代码 | D | |||||||||||||||
| CGP10 | 50 | DE | 75 | 10 | 22 | 73 | 73 | 58 | 58 | 38 | 7 | 73 | 4 | 140 | 0.55 | |
| 72 | 105.2 | 12 | 31 | 90 | 90 | 70 | 70 | 50 | 9.5 | 100 | 5 | 470 | 1.49 | |||
| 76 | DA | 111.4 | 55 | 110 | 670 | 1.84 | ||||||||||
| CGP12 | 50 | DE | 73.3 | 10 | 22 | 73 | 73 | 58 | 58 | 38 | 7 | 73 | 4 | 150 | 0.65 | |
| 72 | 103.5 | 12 | 31 | 90 | 90 | 70 | 70 | 50 | 9.5 | 100 | 5 | 600 | 1.3 | |||
| 76 | DA | 110 | 55 | 110 | 800 | 1.69 | ||||||||||
| CGP13 | 76 | 1.72 | ||||||||||||||
产品简介
使用演示
1. 添加筛选条件,生成产品型号
客服
购物车
公众号
微信公众号
订单/资讯随手掌握
微信技术交流服务群
扫码添加进群
浏览记录
问题反馈
置顶
Copyright © 2010-2026 东莞怡合达自动化股份有限公司 版权所有 粤ICP备14032684号
营业执照: 91441900566614589Q