型号筛选
可选加工(可选)
未生成型号,还有 2 项未选择
重置
代码
无数据
产品选型
代码
无数据
D
无数据
轮部代号
无数据
价格生成中...
图片仅供参考,请以已选的规格为准
减震脚轮 容许载荷100kg 固定型
条件筛选:
产品型号:
未税折扣单价: -- --
含税折扣单价: ----
含税总价 (税率13%): ¥--
预计发货天数:-- 天 (发货天数以下单次日起算,不含周日与法定假日)
购买数量(PCS):
起订量:1PCS
, 加量幅度:1PCS
登录后可查看价格、加入购物车、一键购买
立即登录
价格生成中...
登录后可查看价格、加入购物车、一键购买
立即登录
代码J-CVA16的技术资料信息曾有所变更,可前往 型号勘误表 查看变更记录
相似商品
同类人气商品
计算选型
技术图档
全部型号
3D预览
技术图档
产品简介
材质图
参数图
| 代码 |
支架 |
轮部 |
|||||||||||
| 类型 | 材质 | 表面处理 | 刹车类型 | ||||||||||
| J-CVA16 | 固定型 | Q235A | 镀锌 | — |
|
||||||||
特别说明:不适用在牵扯车上牵引使用。

选型表
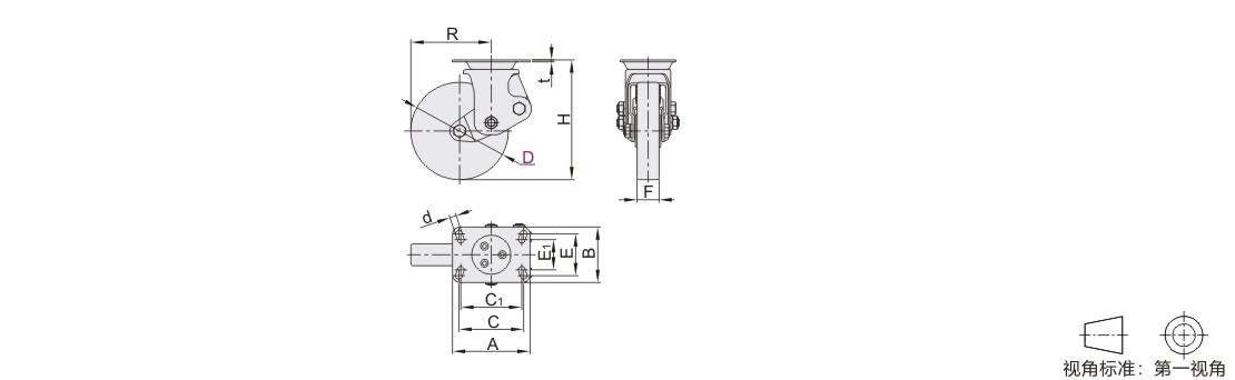
| 型号 |
轮部 代号 |
H |
F |
A |
B |
C |
C1 |
E |
E1 |
d |
R |
t |
容许载荷 (kg) |
参考重量 (kg) |
|
| 代码 | D | ||||||||||||||
| J-CVA16 | 150 | US | 183~193 | 38 | 159 | 114 | 133 | 125 | 86 | 62 | 13.5 | 125~129 | 4 | 100 | 4.43 |
| 200 | 236~246 | 42 | 165~167 | 5.562 | |||||||||||
使用示例

传统脚轮与减震脚轮的区别
传统脚轮
1.因震动引起精密工件的破坏
小车经过高低不平的地面或地面产生震动时,震动会通过脚轮传递
到小车,从而使小车和精密工件造成冲击,使精密工件受到破坏
2.因震动引起灰尘
小车行走时所产生的震动使地面的灰尘颗粒飘起来,使工作台和工件
沾满灰尘,降低产品的合格率。
减震脚轮
1.通过有减震效果的脚轮,吸收底面的震动,使搬运的工件受到
保护。
2.抑制震动产生的灰尘颗粒量,提高产品的合格率。
产品简介
1. 添加筛选条件,生成产品型号
客服
购物车
小程序
怡合达商城小程序
随身商城一手掌握
公众号
微信公众号
订单/资讯随手掌握
微信技术交流服务群
扫码添加进群
浏览记录
问题反馈
置顶
Copyright © 2010-2026 东莞怡合达自动化股份有限公司 版权所有 粤ICP备14032684号
营业执照: 91441900566614589Q