型号筛选
可选加工(可选)
未生成型号,还有 4 项未选择
重置
代码
无数据
产品选型
代码
无数据
臂数
无数据
L
无数据
键盘是否折叠
无数据
颜色
无数据
价格生成中...
图片仅供参考,请以已选的规格为准
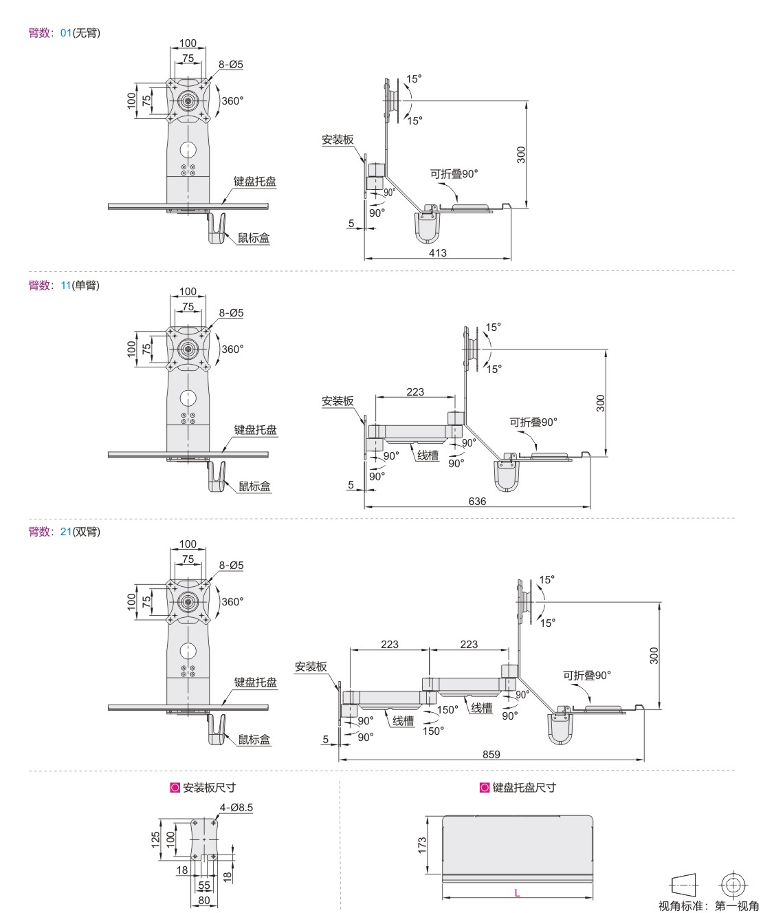
经济型显示器支架 通用键盘 单显示器 壁挂式安装 固定型•普通型•无臂/单臂/双臂
品牌名称:
怡合达
条件筛选:
产品型号:
未税折扣单价: -- --
含税折扣单价: ----
含税总价 (税率13%): ¥--
预计发货天数:-- 天 (发货天数以下单次日起算,不含周日与法定假日)
购买数量(PCS):
起订量:1PCS
, 加量幅度:1PCS
登录后可查看价格、加入购物车、一键购买
立即登录
价格生成中...
登录后可查看价格、加入购物车、一键购买
立即登录
代码NHD95的技术资料信息曾有所变更,可前往 型号勘误表 查看变更记录
相似商品
同类人气商品
客服
购物车
公众号
微信公众号
订单/资讯随手掌握
微信技术交流服务群
扫码添加进群
浏览记录
问题反馈
置顶
Copyright © 2010-2026 东莞怡合达自动化股份有限公司 版权所有 粤ICP备14032684号
营业执照: 91441900566614589Q