型号筛选
可选加工(可选)
未生成型号,还有 8 项未选择
重置
代码
无数据
参数选型
底座特征
无数据
性价比
无数据
类型
无数据
胶垫材质
无数据
产品选型
代码
无数据
D
无数据
M
无数据
L
无数据
价格生成中...
图片仅供参考,请以已选的规格为准

脚杯 重载型 固定调节型 微调型 带扳手槽 SUS304
条件筛选:
产品型号:
未税折扣单价: -- --
含税折扣单价: ----
含税总价 (税率13%): ¥--
预计发货天数:-- 天 (发货天数以下单次日起算,不含周日与法定假日)
购买数量():
起订量:0
, 加量幅度:0
登录后可查看价格、加入购物车、一键购买
立即登录
价格生成中...
登录后可查看价格、加入购物车、一键购买
立即登录
代码的技术资料信息曾有所变更,可前往 型号勘误表 查看变更记录
相似商品
替换商品
计算选型
技术图档
全部型号
3D预览
技术图档
材质图
参数图
| 代码 | 类型 |
胶垫类型 |
底座工艺 |
材质 | |||
| 底座 | 螺杆 | 胶垫 | |||||
| WAD20 | 全固定型 | 带扳手槽型 | 无橡胶垫 | 车制底座 | SUS304 | SUS304 | — |
| WAD30 | 带橡胶垫 | TPU | |||||
| WAD40 | 微调型 | 无橡胶垫 | — | ||||
| WAD50 | 带橡胶垫 | TPU | |||||
由于市面上钢材位为5mm一个梯度,且存在公差,因此车制底座公差-2~0mm均为合理范围。
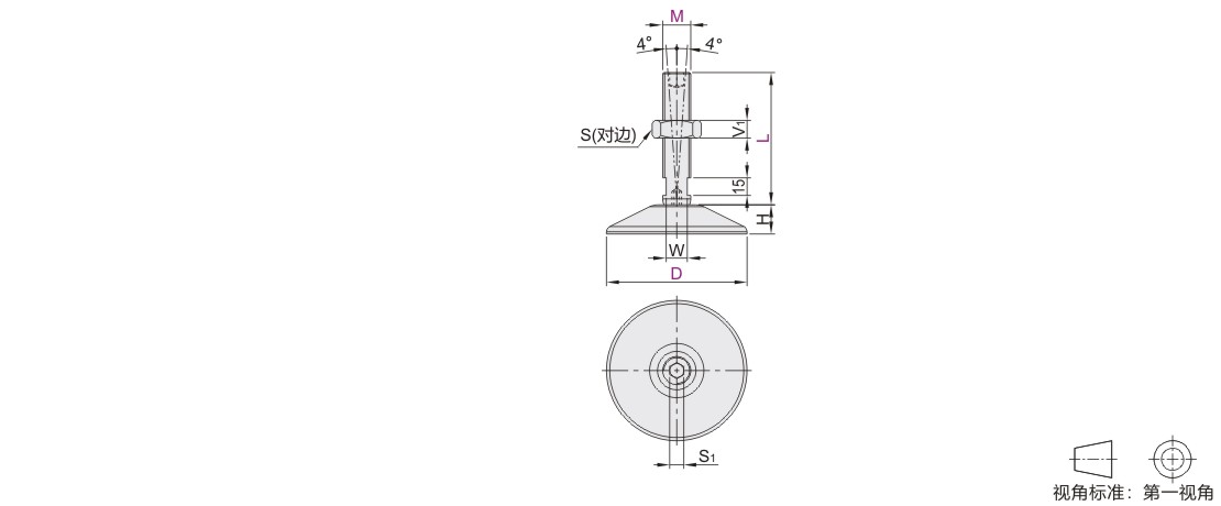
螺杆顶部有内六角,底部有扳手位,可应对大多数设备的调节需求。
D120/D150底座为镜面效果,且较为独特的设计,有利于为设备创造外观上的差异性。
标准螺杆长度以25mm为一个梯度,可根据客户要求定制长度,需要注意定制长度后,切短的面无表面处理,碳钢会喷漆防锈。
WAD20/30为全固定型脚杯,螺丝与底座用全牙螺丝紧固,不能转动,WAD40/50为微调型脚杯,用半牙螺丝固定底座与螺杆,可以有相应的转动角度。

1. 添加筛选条件,生成产品型号
客服
购物车
公众号
微信公众号
订单/资讯随手掌握
微信技术交流服务群
扫码添加进群
浏览记录
问题反馈
置顶
Copyright © 2010-2026 东莞怡合达自动化股份有限公司 版权所有 粤ICP备14032684号
营业执照: 91441900566614589Q