型号筛选
可选加工(可选)
未生成型号,还有 7 项未选择
重置
代码
无数据
参数选型
底座主体材质
无数据
螺杆材质
无数据
表面处理
无数据
产品选型
代码
无数据
D
无数据
M
无数据
L
无数据
价格生成中...
图片仅供参考,请以已选的规格为准
经济型脚杯 中载型 固定调节型 偏心型 鸭掌形 带定位孔
条件筛选:
产品型号:
未税折扣单价: -- --
含税折扣单价: ----
含税总价 (税率13%): ¥--
预计发货天数:-- 天 (发货天数以下单次日起算,不含周日与法定假日)
购买数量():
起订量:0
, 加量幅度:0
登录后可查看价格、加入购物车、一键购买
立即登录
价格生成中...
登录后可查看价格、加入购物车、一键购买
立即登录
代码的技术资料信息曾有所变更,可前往 型号勘误表 查看变更记录
相似商品
同类人气商品
计算选型
技术图档
全部型号
3D预览
技术图档(二)
材质图
参数图
材质图
参数图
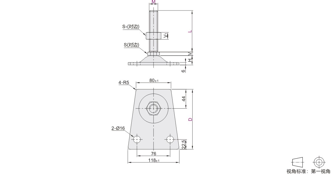
| 代码 | 类型 | 材质 | 表面处理 | |||
| 螺杆 | 底部 | |||||
| E-WAN30 | 固定调节型 | 鸭掌形 | 中载型 | Q235 | 镀锌 | |
| E-WAN31 | SUS304 | — | ||||
特点:
● 鸭掌形状的设计增加了与地面的接触面积,可有效提高摩擦力,增强防滑效果;
● 脚杯底座带定位孔,可通过螺丝对脚杯进行固定。
标准螺杆长度以25mm为一个梯度,可根据客户要求定制长度,需要注意定制
长度后,切断的面无表面处理,碳钢会喷漆防锈。

| 型号 | M | L | 螺距 | S | S1 | H | V | V1 | 承载 (Kg) |
参考重量 (Kg/pcs) |
|
| 代码 | D | ||||||||||
| E-WAN30 E-WAN31 |
138 | 12 | 100 | 1.75 | 19 | 19 | 22 | 10 | 10 | 800 | 0.66 |
| 150 | 0.69 | ||||||||||
| 200 | 0.74 | ||||||||||
| 16 | 80 | 2 | 22 | 24 | 7 | 14 | 900 | 0.7 | |||
| 100 | 0.75 | ||||||||||
| 120 | 0.79 | ||||||||||
| 150 | 0.83 | ||||||||||
| 200 | 0.92 | ||||||||||
| 20 | 100 | 2.5 | 24 | 30 | 8 | 16 | 1000 | 0.92 | |||
| 120 | 0.98 | ||||||||||
| 150 | 1.04 | ||||||||||
| 200 | 1.17 | ||||||||||
| 250 | 1.29 | ||||||||||
| 300 | 1.42 | ||||||||||
| 24 | 100 | 3 | 27 | 36 | 9.5 | 20 | 1100 | 1.14 | |||
| 150 | 1.32 | ||||||||||
| 200 | 1.5 | ||||||||||
| 250 | 1.68 | ||||||||||
| 300 | 1.86 | ||||||||||
1. 添加筛选条件,生成产品型号
客服
购物车
公众号
微信公众号
订单/资讯随手掌握
微信技术交流服务群
扫码添加进群
浏览记录
问题反馈
置顶
Copyright © 2010-2026 东莞怡合达自动化股份有限公司 版权所有 粤ICP备14032684号
营业执照: 91441900566614589Q