型号筛选
可选加工(可选)
未生成型号,还有 5 项未选择
重置
代码
无数据
参数选型
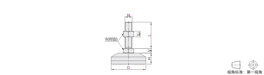
螺纹
无数据
产品选型
代码
无数据
D
无数据
M
无数据
L
无数据
价格生成中...
图片仅供参考,请以已选的规格为准
精密型脚杯 中载型 固定调节型 细牙 带胶垫
品牌名称:
怡合达
条件筛选:
产品型号:
未税折扣单价: -- --
含税折扣单价: ----
含税总价 (税率13%): ¥--
预计发货天数:-- 天 (发货天数以下单次日起算,不含周日与法定假日)
购买数量():
起订量:0
, 加量幅度:0
登录后可查看价格、加入购物车、一键购买
立即登录
价格生成中...
登录后可查看价格、加入购物车、一键购买
立即登录
代码的技术资料信息曾有所变更,可前往 型号勘误表 查看变更记录
相似商品
替换商品
计算选型
技术图档
全部型号
3D预览
技术图档
可选加工参数
材质图
参数图
| 代码 | 类型 | 螺纹 | 材质 | 表面处理 |
| J-WAL01 | 固定调节型 | 普通螺纹 | S45C | 镀锌 |
| J-WAL11 | 车制螺纹 |
由于市面上钢材位为5mm一个梯度,且存在公差,因此车制底座
公差-2~0mm均为合理范围。
标准螺杆长度以25mm为一个梯度,可根据客户要求定制长度,
需要注意定制长度后,切短的面无表面处理,碳钢会喷漆防锈。

选型表
可选加工参数

1. 添加筛选条件,生成产品型号
客服
购物车
小程序
怡合达商城小程序
随身商城一手掌握
公众号
微信公众号
订单/资讯随手掌握
微信技术交流服务群
扫码添加进群
浏览记录
问题反馈
置顶
Copyright © 2010-2026 东莞怡合达自动化股份有限公司 版权所有 粤ICP备14032684号
营业执照: 91441900566614589Q