图片仅供参考,请以已选的规格为准
横移机械手 可旋转型 X/Z/θ轴 气动驱动 最大负载0.8KG 可非标定制
条件筛选:
产品型号:
未税折扣单价: -- --
含税折扣单价: ----
含税总价 (税率13%): ¥--
预计发货天数:-- 天 (发货天数以下单次日起算,不含周日与法定假日)
购买数量():
起订量:0
, 加量幅度:0
登录后可查看价格、加入购物车、一键购买
立即登录
价格生成中...
登录后可查看价格、加入购物车、一键购买
立即登录
代码的技术资料信息曾有所变更,可前往 型号勘误表 查看变更记录
相似商品
同类人气商品
型号筛选
可选加工(可选)
未生成型号,还有 8 项未选择
重置
代码
无数据
参数选型
安装组件
无数据
产品选型
代码
无数据
安装位置
无数据
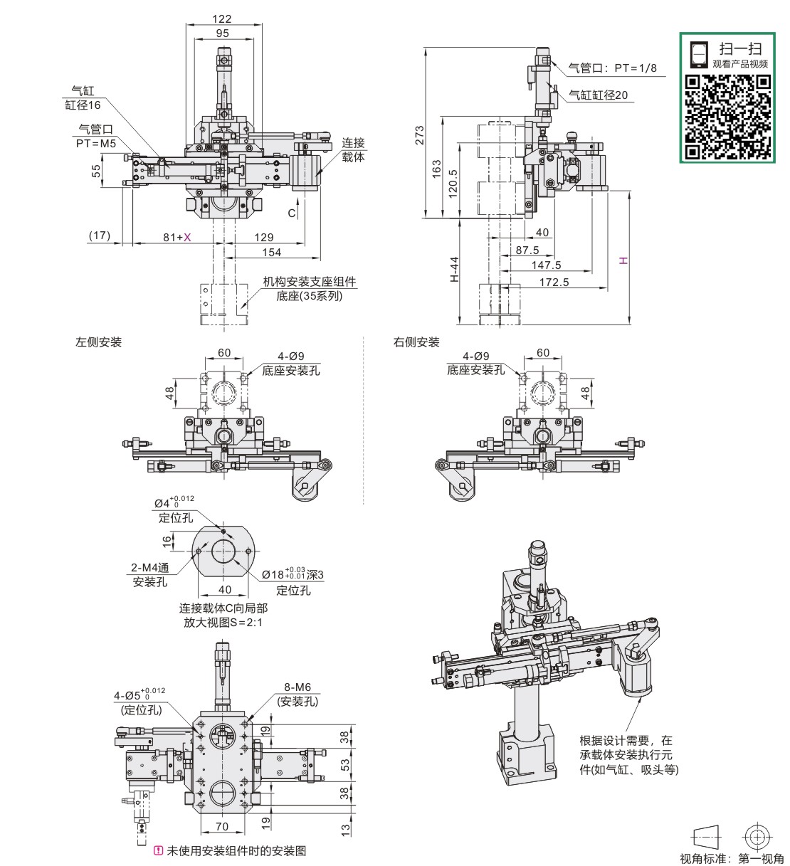
初始高度H
X轴行程X
无数据
Z轴行程Z
无数据
旋转角度θ
配置
无数据
价格生成中...
技术图档
全部型号
3D预览
技术图档
材质图
参数图
| 代码 | 类型 | 安装组件 | 移载方向 | 驱动方式 | |
| ZBC06 | 横移机械手 | 可旋转型 | 无 | X/Z/θ轴 | 气动 |
| ZBC07 | 有 | ||||
产品特性
机构紧凑、外形美观;
高精度移载、可靠性高;
机械手与执行元件联动旋转;
降低设计与制造的成本。
本机械手配2个内置磁环圆形气缸、磁性开关(4条)。

ZBC06
| 型号 |
X轴行程 (mm) |
Z轴行程 (mm) |
θ° 旋转角度 |
配置 |
重复位置 精度(mm) |
循环时间 (S) |
工作气压 (Mpa) |
负载 (g) |
|
| 代码 | 安装位置 | ||||||||
| ZBC06 | L(左) R(右) |
65 90 115 140 |
35 | 60~120 | 无指定(对应的气缸品牌为SMC,导轨品牌为PMI) B:标配(对应的气缸品牌为亚德客,导轨品牌为PMI) |
±0.05 | 2 | 0.4~0.6 | 800 (max) |
ZBC07
| 型号 |
H初始高度 最小单位10(mm) |
X轴行程 (mm) |
Z轴行程 (mm) |
θ° 旋转角度 |
配置 |
重复位置 精度(mm) |
循环时间 (S) |
工作气压 (Mpa) |
负载 (g) |
|
| 代码 | 安装位置 | |||||||||
| ZBC07 | L(左) R(右) |
150~400 | 65 90 115 140 |
35 | 60~120 | 无指定(对应的气缸品牌为SMC,导轨品牌为PMI) B:标配(对应的气缸品牌为亚德客,导轨品牌为PMI) |
±0.05 | 2 | 0.4~0.6 | 800 (max) |

1. 添加筛选条件,生成产品型号
客服
购物车
小程序
怡合达商城小程序
随身商城一手掌握
公众号
微信公众号
订单/资讯随手掌握
微信技术交流服务群
扫码添加进群
浏览记录
问题反馈
置顶
Copyright © 2010-2026 东莞怡合达自动化股份有限公司 版权所有 粤ICP备14032684号
营业执照: 91441900566614589Q