型号筛选
可选加工(可选)
未生成型号,还有 4 项未选择
重置
代码
无数据
参数选型
表面处理
无数据
产品选型
代码
无数据
适用铝型材规格
无数据
Q
无数据
价格生成中...
图片仅供参考,请以已选的规格为准
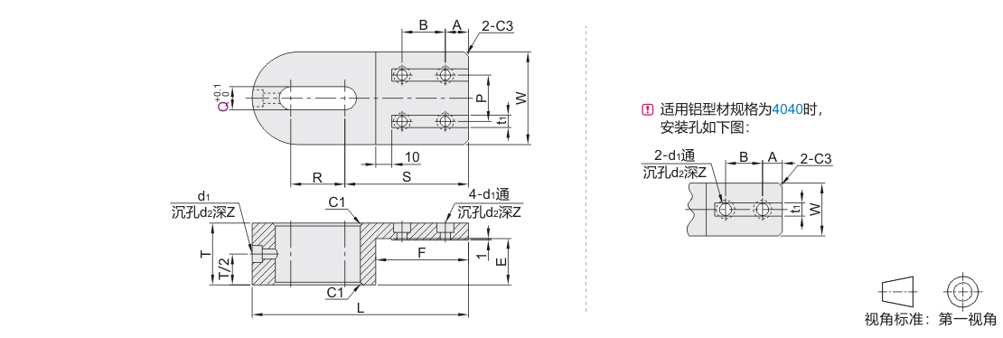
输送机滚轮安装座 顶部张紧型 圆头型 卡槽型 材质:A6061
条件筛选:
产品型号:
未税折扣单价: -- --
含税折扣单价: ----
含税总价 (税率13%): ¥--
预计发货天数:-- 天 (发货天数以下单次日起算,不含周日与法定假日)
购买数量():
起订量:0
, 加量幅度:0
登录后可查看价格、加入购物车、一键购买
立即登录
价格生成中...
登录后可查看价格、加入购物车、一键购买
立即登录
代码的技术资料信息曾有所变更,可前往 型号勘误表 查看变更记录
相似商品
同类人气商品
技术图档
全部型号
3D预览
技术图档
可选加工参数
材质图
参数图
| 代码 | 类型 | 材质 | 表面处理 |
| KVA56 | 顶部张紧型 | A6061 | 本色阳极氧化 |
| KVA57 | 黑色阳极氧化 |

可选加工参数

1. 添加筛选条件,生成产品型号
客服
购物车
公众号
微信公众号
订单/资讯随手掌握
微信技术交流服务群
扫码添加进群
浏览记录
问题反馈
置顶
Copyright © 2010-2026 东莞怡合达自动化股份有限公司 版权所有 粤ICP备14032684号
营业执照: 91441900566614589Q