型号筛选
可选加工(可选)
未生成型号,还有 2 项未选择
重置
代码
无数据
产品选型
代码
无数据
配合导轨宽度W
无数据
配合圆弧导轨直径A
无数据
价格生成中...
图片仅供参考,请以已选的规格为准
环形导轨 滑块组件 环形轨道输送线用单件 材质:铝合金
条件筛选:
产品型号:
未税折扣单价: -- --
含税折扣单价: ----
含税总价 (税率13%): ¥--
预计发货天数:-- 天 (发货天数以下单次日起算,不含周日与法定假日)
购买数量(PCS):
起订量:1PCS
, 加量幅度:1PCS
登录后可查看价格、加入购物车、一键购买
立即登录
价格生成中...
登录后可查看价格、加入购物车、一键购买
立即登录
代码NHA08的技术资料信息曾有所变更,可前往 型号勘误表 查看变更记录
相似商品
同类人气商品
技术图档
全部型号
3D预览
技术图档
材质图
参数图
| 代码 | 类型 |
材质 | 表面处理 |
| NHA08 | 滑块组件 | 铝 | 阳极氧化 |
注意事项:
● 当环形运动时,NHA08不能单独使用,要与NHA01/NHA02配套使用;
● 当直线运动时,NHA08不能单独使用,要与NHA02配套使用;
● 当其他运动时,请联系我司技术人员确认,避免因使用不当,影响使用寿命。

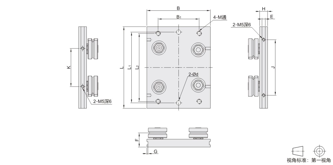
选型表
| 型号 | 配合 圆弧导轨 直径A |
B | B1 | d | E | F | G | H | J | K | L | L1 | L2 | M | 运动负载 (kg) |
|
| 代码 | 配合 导轨宽度W |
|||||||||||||||
| NHA08 | 25 | 255 | 80 | 50 | 6 | 5 | 20.5 | 2 | 11.5 | 70 | 70 | 100 | 85 | 80 | M6 | 10 |
| 351 | 105 | 90 | 85 | |||||||||||||
| 44 | 468 | 116 | 75 | 8 | 26 | 14.5 | 102 | 145 | 125 | 120 | M8 | 20 | ||||
| 612 | 150 | 130 | 125 | |||||||||||||
负载曲线图

使用工况技术说明:
● 输送线水平安装,导轨润滑良好;
● 载荷不超出滑块平面、载荷中心位于滑块中心;
● 工作环境洁净,温湿度适宜;
● 为了保证滑块的使用寿命,所有系列不允许承载压装或冲击力和偏心使用;
● 除了上述工况外,滑块数量、输送线过长,等其他因素也会影响输送能力。
1. 添加筛选条件,生成产品型号
客服
购物车
小程序
怡合达商城小程序
随身商城一手掌握
公众号
微信公众号
订单/资讯随手掌握
微信技术交流服务群
扫码添加进群
浏览记录
问题反馈
置顶
Copyright © 2010-2026 东莞怡合达自动化股份有限公司 版权所有 粤ICP备14032684号
营业执照: 91441900566614589Q