图片仅供参考,请以已选的规格为准
薄型油缸 精密型 扁型前油路板型·活塞杆长度指定型
品牌名称:
怡合达
条件筛选:
产品型号:
未税折扣单价: -- --
含税折扣单价: ----
含税总价 (税率13%): ¥--
预计发货天数:-- 天 (发货天数以下单次日起算,不含周日与法定假日)
购买数量():
起订量:0
, 加量幅度:0
登录后可查看价格、加入购物车、一键购买
立即登录
价格生成中...
登录后可查看价格、加入购物车、一键购买
立即登录
代码的技术资料信息曾有所变更,可前往 型号勘误表 查看变更记录
相似商品
同类人气商品
型号筛选
可选加工(可选)
未生成型号,还有 8 项未选择
重置
代码
无数据
参数选型
工作形式
无数据
缸体材质
无数据
产品选型
代码
无数据
缸径
无数据
ST
C
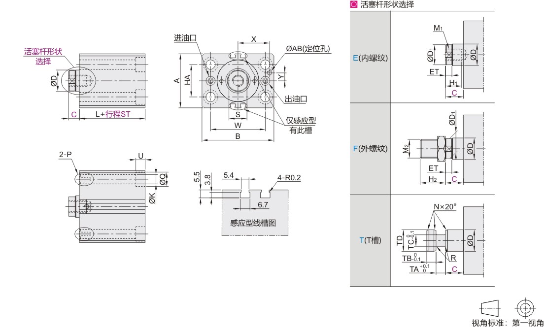
活塞杆形状选择
无数据
使用温度范围(℃)
无数据
价格生成中...
技术图档
全部型号
3D预览
技术图档
材质图
参数图
| 代码 | 类型 | 安装方式 | 主体 | 动作形式 | 使用流体 | ||
| 材质 | 表面处理 | ||||||
| WSE32 | 前油路 板型 |
标准型 | 立式 | S45C | 发黑 | 双作用 | 已滤清之标准液压油 |
| WSE34 | 感应型 | 航空铝 | 阳极氧化 | ||||
图示为内螺纹活塞杆。
活塞杆内、外螺纹型适用推侧和拉侧受力使用,槽型适用推侧受力使用,拉侧不推荐。

选型表
续表
| 缸径 | D | B | A | L | W | Q | K | U | HA | P | AB | X | Y | E(内)/F(外) | E(内螺纹) | F(外螺纹) | T(T槽) | ||||||||||
| WSE32 | WSE34 | S | ET | D₁ | H1 | M1 | H2 | M2 | TA | TB | TC | TD | R | N | |||||||||||||
| 25 | 14 | 65 | 45 | 44 | 52 | 50 | 14 | 8.5 | 8.5 | 30 | Ø10深1.1,底孔Ø4 | Ø3深6 | 29 | 8 | 12 | 6 | 13 | 15 | M8×1.25 | 20 | M12×1.25 | 8 | 8 | 8 | 14 | 1 | 2 |
| 32 | 20 | 75 | 55 | 50 | 65 | 55 | 17 | 10.5 | 10.5 | 35 | 33 | 9 | 17 | 9 | 18 | M10×1.5 | 25 | M16×1.5 | 10 | 20 | |||||||
| 40 | 25 | 85 | 63 | 54 | 71 | 63 | 40 | Ø5深10 | 37 | 10 | 22 | 23 | 20 | M12×1.75 | 30 | M20×1.5 | 10 | 10 | 13 | 25 | 3 | ||||||
| 50 | 30 | 100 | 75 | 65 | 82 | 76 | 20 | 13 | 13 | 45 | Ø13深1.4,底孔Ø5 | Ø6深10 | 44 | 11 | 27 | 28 | 25 | M16×2.0 | 35 | M26×1.5 | 13 | 13 | 16 | 30 | |||
| 63 | 35 | 125 | 95 | 72 | 91 | 95 | 23 | 15 | 15 | 65 | Ø13深1.4,底孔Ø6 | Ø8深10 | 55 | 15 | 32 | 12 | 33 | 35 | M20×2.5 | 40 | M30×1.5 | 16 | 16 | 22 | 35 | 2 | |
| 80 | 40 | 160 | 120 | 85 | 104 | 120 | 80 | Ø10深10 | 70 | 18 | 36 | 38 | M24×3.0 | 45 | M36×1.5 | 20 | 20 | 30 | 40 | 4 | |||||||
理论出力表
| 缸径 | 轴径D | 活塞受压面积 | 当工作压力为7MPa时 | 当工作压力为14MPa时 | |||
| 推力(cm²) | 拉力(cm²) | 推力(kgf/cm²) | 拉力(kgf/cm²) | 推力(kgf/cm²) | 拉力(kgf/cm²) | ||
| 25 | 14 | 4.9 | 3.4 | 343 | 238 | 686 | 476 |
| 32 | 20 | 8 | 4.9 | 560 | 343 | 1120 | 686 |
| 40 | 25 | 12.6 | 7.7 | 882 | 539 | 1764 | 1078 |
| 50 | 30 | 19.6 | 12.5 | 1372 | 875 | 2744 | 1750 |
| 63 | 35 | 31.2 | 21.6 | 2184 | 1512 | 4368 | 3024 |
| 80 | 40 | 50.3 | 37.7 | 3521 | 2639 | 7042 | 5278 |
1. 添加筛选条件,生成产品型号
客服
购物车
公众号
微信公众号
订单/资讯随手掌握
微信技术交流服务群
扫码添加进群
浏览记录
问题反馈
置顶
Copyright © 2010-2026 东莞怡合达自动化股份有限公司 版权所有 粤ICP备14032684号
营业执照: 91441900566614589Q