型号筛选
可选加工(可选)
未生成型号,还有 3 项未选择
重置
代码
无数据
参数选型
材质
无数据
产品选型
代码
无数据
规格
无数据
价格生成中...
图片仅供参考,请以已选的规格为准
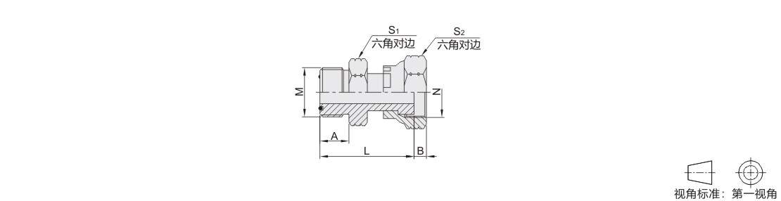
过渡接头 直接头 碳钢/SUS304材质 美制ORFS螺纹 内外螺纹 O型圈平面密封
条件筛选:
产品型号:
未税折扣单价: -- --
含税折扣单价: ----
含税总价 (税率13%): ¥--
预计发货天数:-- 天 (发货天数以下单次日起算,不含周日与法定假日)
购买数量():
起订量:0
, 加量幅度:0
登录后可查看价格、加入购物车、一键购买
立即登录
价格生成中...
登录后可查看价格、加入购物车、一键购买
立即登录
代码的技术资料信息曾有所变更,可前往 型号勘误表 查看变更记录
相似商品
同类人气商品
技术图档
全部型号
3D预览
技术图档
产品问答
材质图
参数图
产品问答
关于此产品的常见问题
1、不同型号的液压软管的区别是什么?
不同型号的软管符合的产品标准和编制方式不一样;不同规格的软管,内外管径,能承受的压力不一样,产品标准不同导致接头配合不同。
2、接头的选取主要取决于什么?
接头的选取一般要考虑接头的头数,接头角度,和软管的安装方式,螺纹类型(内外),螺纹标准(国标、英标、美标),螺纹大小,锥面角度,材质,如存在转换时更需注意两端的螺纹标准。
3、软管套筒的作用是什么?
软管套筒的主要作用包括密封、保护和连接。
1. 添加筛选条件,生成产品型号
客服
购物车
公众号
微信公众号
订单/资讯随手掌握
微信技术交流服务群
扫码添加进群
浏览记录
问题反馈
置顶
Copyright © 2010-2026 东莞怡合达自动化股份有限公司 版权所有 粤ICP备14032684号
营业执照: 91441900566614589Q