型号筛选
可选加工(可选)
未生成型号,还有 1 项未选择
重置
代码
无数据
产品选型
代码
无数据
规格
无数据
价格生成中...
图片仅供参考,请以已选的规格为准
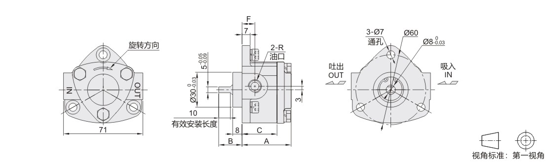
齿轮泵 低压型 摆线齿轮泵 最高工作压力0.5
条件筛选:
产品型号:
未税折扣单价: -- --
含税折扣单价: ----
含税总价 (税率13%): ¥--
预计发货天数:-- 天 (发货天数以下单次日起算,不含周日与法定假日)
购买数量(PCS):
起订量:1PCS
, 加量幅度:1PCS
登录后可查看价格、加入购物车、一键购买
立即登录
价格生成中...
登录后可查看价格、加入购物车、一键购买
立即登录
代码WSN36的技术资料信息曾有所变更,可前往 型号勘误表 查看变更记录
相似商品
同类人气商品
技术图档
全部型号
3D预览
技术图档
产品问答
材质图
参数图
| 代码 | 类型 | 使用液体温度 |
| WSN36 | 摆线齿轮泵 | -5~80°C |
特点
● 小型、轻量;
● 小吐出量(0.8~4.5cm³/rev);
● 低吐出压;
● 可安装内部溢流阀。
用途:输送操作油、润滑油。

产品问答
关于此产品的常见问题
1、不同压力表的特点是什么?
不同压力表的类型不同量程不一样,耐震型在有压力波动情况下内比较好的测出压力,不锈钢性主要在工业化工上耐腐蚀性能优秀,隔膜型用于卫生较高情况下较多,隔盒型在也用于一定腐蚀性流体的测量。
1. 添加筛选条件,生成产品型号
客服
购物车
公众号
微信公众号
订单/资讯随手掌握
微信技术交流服务群
扫码添加进群
浏览记录
问题反馈
置顶
Copyright © 2010-2026 东莞怡合达自动化股份有限公司 版权所有 粤ICP备14032684号
营业执照: 91441900566614589Q