型号筛选
可选加工(可选)
未生成型号,还有 2 项未选择
重置
代码
无数据
产品选型
代码
无数据
公称排量(ml\r)
无数据
旋转方向(从轴端看)
无数据
价格生成中...
图片仅供参考,请以已选的规格为准
柱塞泵 变量柱塞泵 斜盘式 开式回路 带FKM轴密封的NBR
条件筛选:
产品型号:
未税折扣单价: -- --
含税折扣单价: ----
含税总价 (税率13%): ¥--
预计发货天数:-- 天 (发货天数以下单次日起算,不含周日与法定假日)
购买数量(PCS):
起订量:1PCS
, 加量幅度:1PCS
登录后可查看价格、加入购物车、一键购买
立即登录
价格生成中...
登录后可查看价格、加入购物车、一键购买
立即登录
代码WSN51的技术资料信息曾有所变更,可前往 型号勘误表 查看变更记录
技术图档
全部型号
3D预览
技术图档
产品问答
材质图
参数图
| 代码 | 类型 |
运行方式 |
|
| WSN51 | 变量柱塞泵 |
斜盘式 | 开式回路 |
特点
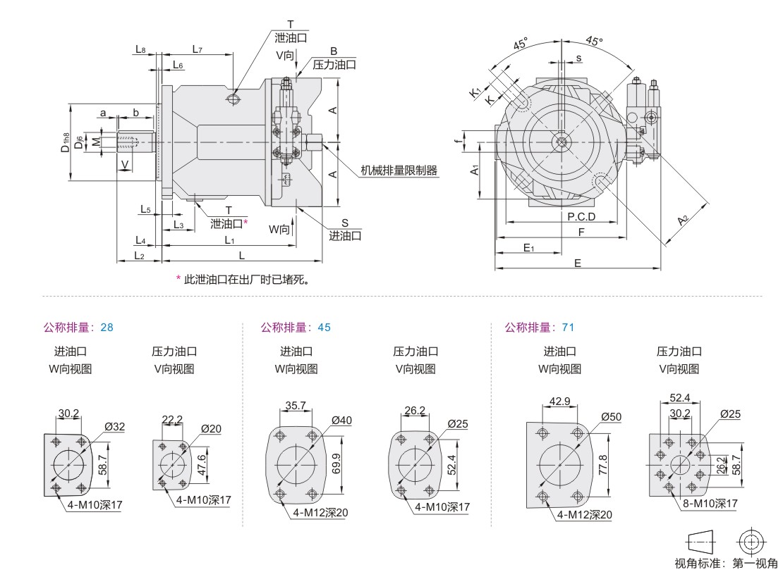
该产品用于开放式回路的静态液压驱动轴向柱塞斜盘式结构变量泵,
泵的流量与驱动转速及泵排量成正比,通过斜盘的角度变化可无极改变流量。

选型表
| 型号 | 旋转方向 (从轴端看) |
控制机构 |
密封 |
D |
D1 | M | V | L | L1 | L2 | L3 | L4 | L5 | L6 | L7 | L8 | |||||||||||||||||||||
| 代码 | 公称排量 (ml/r) |
||||||||||||||||||||||||||||||||||||
| WSN51 | 28 | R(顺时针) L(逆时针) |
压力控制 | 带FKM轴封的 NBR |
22 | 100 | M6 | 16 | 206 | 164 | 46 | 40 | 10 | 13 | 6.3 | 90 | 9 | ||||||||||||||||||||
| 45 | 25 | M8 | 19 | 224 | 184 | 52 | 45 | 96 | |||||||||||||||||||||||||||||
| 71 | 32 | 125 | M10 | 22 | 259 | 217 | 60 | 53 | 17 | 6 | 115 | ||||||||||||||||||||||||||
| 型号 | A | A1 | A2 | P.C.D | E | E1 | F | K | K1 | a | b | s | f |
B 压力油口 |
S 进油口 |
T 泄油口 |
|||||||||||||||||||||||||||||
| 代码 | 公称排量 (ml/r) |
||||||||||||||||||||||||||||||||||||||||||||
| WSN51 | 28 | 80 | 75 | 74 | 140 | 218 | 83.5 | 164 | 14 | 26 | 2 | 32 | 6h8 | 24.50 |
0 -0.1 |
Rc3/4 | Rc11/4 | M18×1.5 | |||||||||||||||||||||||||||
| 45 | 90 | 80.5 | 83 | 238 | 93.5 | 184 | 3 | 36 | 9h9 | 28 | 0 -0.2 |
Rc1 | Rc11/2 | M22×1.5 | |||||||||||||||||||||||||||||||
| 71 | 104 | 92 | 98 | 180 | 265 | 107.5 | 215 | 18 | 33 | 2.5 | 45 | 10h9 | 35 | 0 -0.12 |
Rc2 | ||||||||||||||||||||||||||||||
产品问答
关于此产品的常见问题
1、不同压力表的特点是什么?
不同压力表的类型不同量程不一样,耐震型在有压力波动情况下内比较好的测出压力,不锈钢性主要在工业化工上耐腐蚀性能优秀,隔膜型用于卫生较高情况下较多,隔盒型在也用于一定腐蚀性流体的测量。
1. 添加筛选条件,生成产品型号
客服
购物车
公众号
微信公众号
订单/资讯随手掌握
微信技术交流服务群
扫码添加进群
浏览记录
问题反馈
置顶
Copyright © 2010-2026 东莞怡合达自动化股份有限公司 版权所有 粤ICP备14032684号
营业执照: 91441900566614589Q