图片仅供参考,请以已选的规格为准
30度梯形丝杠 两端一阶 带键槽型 标准型 发黑处理
条件筛选:
产品型号:
未税折扣单价: -- --
含税折扣单价: ----
含税总价 (税率13%): ¥--
预计发货天数:-- 天 (发货天数以下单次日起算,不含周日与法定假日)
购买数量:
登录后可查看价格、加入购物车、一键购买
立即登录
价格生成中...
登录后可查看价格、加入购物车、一键购买
立即登录
代码的技术资料信息曾有所变更,可前往 型号勘误表 查看变更记录
相似商品
同类人气商品
计算选型
型号筛选
可选加工(可选)
未生成型号,还有 12 项未选择
重置
代码
无数据
参数选型
材质
无数据
表面处理
无数据
配合形式
无数据
产品选型
代码
无数据
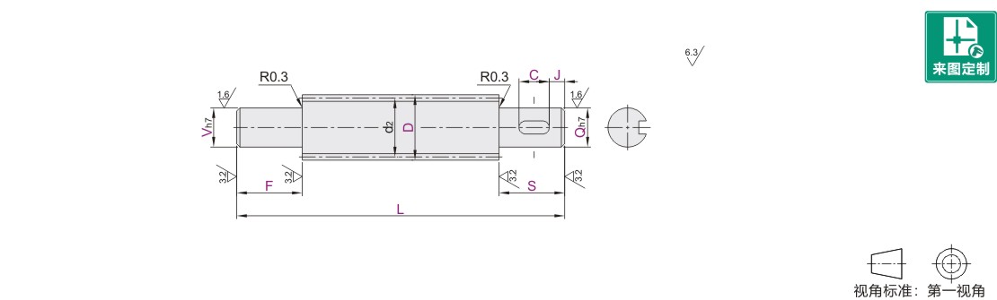
D
无数据
L
F
S
V
无数据
Q
无数据
C
J
价格生成中...
规格参数
全部型号
3D预览
可选加工参数
产品简介
产品问答
材质图
参数图

关于此产品的常见问题
1、梯形丝杠和滚珠丝杠有什么不同?
滚珠丝杠是滚动摩擦,梯形丝杠是滑动摩擦;
滚珠丝杠没有自锁性,而梯形丝杠有一定的自锁性。
2、怡合达梯形丝杠螺帽可以与其他品牌的梯形丝杠配套使用吗?
因每个厂家生产梯形丝杠存在细微差异,因此不建议怡合达梯形丝杠螺帽与其他品牌混合使用。
1. 添加筛选条件,生成产品型号
客服
购物车
公众号
微信公众号
订单/资讯随手掌握
微信技术交流服务群
扫码添加进群
浏览记录
问题反馈
置顶
Copyright © 2010-2025 东莞怡合达自动化股份有限公司 版权所有 粤ICP备14032684号
营业执照: 91441900566614589Q