图片仅供参考,请以已选的规格为准
30度梯形丝杠组件 法兰型螺帽 固定侧+支持侧 标准型 发黑处理
品牌名称:
怡合达
条件筛选:
产品型号:
未税折扣单价: -- --
含税折扣单价: ----
含税总价 (税率13%): ¥--
预计发货天数:-- 天 (发货天数以下单次日起算,不含周日与法定假日)
购买数量(PCS):
起订量:1PCS
, 加量幅度:1PCS
登录后可查看价格、加入购物车、一键购买
立即登录
价格生成中...
登录后可查看价格、加入购物车、一键购买
立即登录
代码LJG03的技术资料信息曾有所变更,可前往 型号勘误表 查看变更记录
相似商品
同类人气商品
计算选型
型号筛选
可选加工(可选)
未生成型号,还有 4 项未选择
重置
代码
无数据
参数选型
材质
无数据
螺纹旋向
无数据
表面处理
无数据
产品选型
代码
无数据
D
无数据
螺距
无数据
L
S
RE
RE
FE
FE
FW
FY
RM
RM
ZE
ZE
W
A
KE
KE
C
价格生成中...
技术图档
全部型号
3D预览
技术图档
可选加工参数
产品问答
材质图
参数图
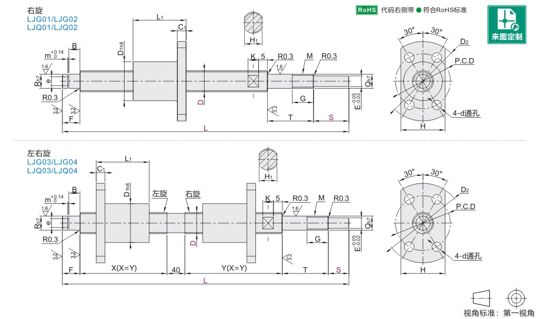
| 代码 | 类型 | 材质 | 表面处理 | |||
| 右旋 | 左右旋 | 丝杠 | 螺帽 | 丝杠 | ||
| LJG01● | LJG03● | 固定侧+支持侧 | 法兰型 螺帽 |
S45C | 黄铜 | 发黑 |
| LJG02● | LJG04● | SUS303 | — | |||
| LJQ01 | LJQ03 | S45C | 球墨铸铁 QT400 |
发黑 | ||
| LJQ02 | LJQ04 | SUS303 | — | |||
X、Y请根据使用要求制定尺寸,最小单位0.5mm。

选型表
带*的规格仅适用LJG01/02。
LJG01/02、LJQ01/02需满足条件:L>L1+T+S+F。
LJG03/04、LJQ03/04需满足条件:L>2×L1+T+S+F+40。
可选加工参数

产品问答
关于此产品的常见问题
1、梯形丝杠和滚珠丝杠有什么不同?
滚珠丝杠是滚动摩擦,梯形丝杠是滑动摩擦;
滚珠丝杠没有自锁性,而梯形丝杠有一定的自锁性。
2、怡合达梯形丝杠螺帽可以与其他品牌的梯形丝杠配套使用吗?
因每个厂家生产梯形丝杠存在细微差异,因此不建议怡合达梯形丝杠螺帽与其他品牌混合使用。
1. 添加筛选条件,生成产品型号
客服
购物车
公众号
微信公众号
订单/资讯随手掌握
微信技术交流服务群
扫码添加进群
浏览记录
问题反馈
置顶
Copyright © 2010-2026 东莞怡合达自动化股份有限公司 版权所有 粤ICP备14032684号
营业执照: 91441900566614589Q