型号筛选
未生成型号,还有 7 项未选择
代码
种类筛选
产品选型
中心距
减速比
输出方式
电机机座号
安装形式
图片仅供参考,请以已选的规格为准
RV减速机 NRV减速机 孔/单轴/双轴输出
条件筛选:
产品型号:
登录后可查看价格、加入购物车、一键购买
立即登录
技术图档
全部型号
3D预览
材质图
参数图
| 代码 | 类型 | 输出方式 |
| ZMD51 | RV减速机 | 孔/单轴/双轴 |
| ZMD52 | NRV减速机 |

选型表
| 型号 |
减速比 |
输出方式 |
电机机座号 |
安装形式※ |
|
| 代码 | 中心距 | ||||
| RV减速机 ZMD51 NRV减速机 ZMD52 |
30 | 5 7.5 10 15 20 25 30 40 50 60 80 100 |
K(孔) D(单轴) S(双轴) |
56 | B5 B14 |
| 63 | |||||
| 40 | 63 | ||||
| 71 | |||||
| 50 | 71 | ||||
| 80 | |||||
| 63 | 7.5 10 15 20 25 30 40 50 60 80 100 |
80 | |||
| 90 | |||||
※详见标准电机外形安装形式参考尺寸
RV减速机尺寸表
| 代码 | 中心距 | A | B | C | C1 | D | E | F | G | G1 | H | H1 | J | M | N | PN | P |
| ZMD51 | 30 | 80 | 97 | 54 | 44 | 14 | 55 | 32 | 56 | 63 | 65 | 29 | 55 | 40 | 57 | 30 | 75 |
| 40 | 100 | 121.5 | 70 | 60 | 18 | 60 | 43 | 71 | 78 | 75 | 36.5 | 70 | 50 | 71.5 | 40 | 87 | |
| 50 | 120 | 144 | 80 | 70 | 25 | 70 | 49 | 85 | 92 | 85 | 43.5 | 80 | 60 | 84 | 50 | 100 | |
| 63 | 144 | 174 | 100 | 85 | 25 | 80 | 67 | 103 | 112 | 95 | 53 | 95 | 72 | 102 | 63 | 110 |
| 代码 | 中心距 | Q | R | S | T | BL | β | b | t | V | V1 | V2 | b2 | t2 | d | m |
| ZMD51 | 30 | 44 | 6.5 | 21 | 5.5 | M6深10(n=4) | 0° | 5 | 16.3 | 27 | 30 | 32.5 | 5 | 16 | 14 | M6 |
| 40 | 55 | 6.5 | 26 | 6.5 | M6深10(n=4) | 45° | 6 | 20.8 | 35 | 40 | 43 | 6 | 20.5 | 18 | M6 | |
| 50 | 64 | 8.5 | 30 | 7 | M8深12(n=4) | 45° | 8 | 28.3 | 40 | 50 | 53.5 | 8 | 28 | 25 | M10 | |
| 63 | 80 | 8.5 | 36 | 8 | M8深12(n=8) | 45° | 8 | 28.3 | 50 | 50 | 53.5 | 8 | 28 | 25 | M10 |
NRV减速机尺寸表
| 代码 | 中心距 | A | B | B1 | C | C1 | D | D1 | E | F | G | G1 | H | H1 | J | M | N | PN | P | Q |
| ZMD52 | 30 | 80 | 97 | 20 | 54 | 44 | 14 | 9 | 55 | 32 | 56 | 63 | 65 | 29 | 51 | 40 | 57 | 30 | 75 | 44 |
| 40 | 100 | 121.5 | 23 | 70 | 60 | 18 | 11 | 60 | 43 | 71 | 78 | 75 | 36.5 | 60 | 50 | 71.5 | 40 | 87 | 55 | |
| 50 | 120 | 144 | 30 | 80 | 70 | 25 | 14 | 70 | 49 | 85 | 92 | 85 | 43.5 | 74 | 60 | 84 | 50 | 100 | 64 | |
| 63 | 144 | 174 | 40 | 100 | 85 | 25 | 19 | 80 | 67 | 103 | 112 | 95 | 53 | 90 | 72 | 102 | 63 | 110 | 80 |
| 代码 | 中心距 | R | S | T | BL | β | b |
b1 |
t | t1 | f1 | V | V1 | V2 | b2 | t2 | d | m |
| ZMD52 | 30 | 6.5 | 21 | 5.5 | M6深10(n=4) | 0° | 5 | 3 | 16.3 | 10.2 | — | 27 | 30 | 32.5 | 5 | 16 | 14 | M6 |
| 40 | 6.5 | 26 | 6.5 | M6深10(n=4) | 45° | 6 | 4 | 20.8 | 12.5 | 35 | 40 | 43 | 6 | 20.5 | 18 | M6 | ||
| 50 | 8.5 | 30 | 7 | M8深12(n=4) | 45° | 8 | 5 | 28.3 | 16 | M6 | 40 | 50 | 53.5 | 8 | 28 | 25 | M10 | |
| 63 | 8.5 | 36 | 8 | M8深12(n=8) | 45° | 8 | 6 | 28.3 | 21.5 | M6 | 50 | 50 | 53.5 | 8 | 28 | 25 | M10 |
减速机输入尺寸

| 中心距 | IEC接口 |
键槽 |
传动比 |
||||||||||||||||
| 机座及安装形式 | N | M | P | b | t | 5 | 7.5 | 10 | 15 | 20 | 25 | 30 | 40 | 50 | 60 | 80 | 100 | ||
| 孔径(D) | |||||||||||||||||||
| 30 | 56B14 | 50 | 65 | 80 | 3 | 10.4 | 9 | 9 | 9 | 9 | 9 | 9 | 9 | 9 | 9 | 9 | 9 | — | |
| 56B5 | 80 | 100 | 120 | ||||||||||||||||
| 63B14 | 60 | 75 | 90 | 4 | 12.8 | 11 | 11 | 11 | 11 | 11 | 11 | 11 | 11 | 11 | — | — | |||
| 63B5 | 95 | 115 | 140 | ||||||||||||||||
| 40 | 63B14 | 60 | 75 | 90 | 11 | 11 | 11 | ||||||||||||
| 63B5 | 95 | 115 | 140 | ||||||||||||||||
| 71B14 | 70 | 85 | 105 | 5 | 16.3 | 14 | 14 | 14 | 14 | 14 | 14 | 14 | 14 | — | — | — | — | ||
| 71B5 | 110 | 130 | 160 | ||||||||||||||||
| 50 | 71B14 | 70 | 85 | 105 | 14 | 14 | 14 | ||||||||||||
| 71B5 | 110 | 130 | 160 | ||||||||||||||||
| 80B14 | 80 | 100 | 120 | 6 | 21.8 | 19 | 19 | 19 | 19 | 19 | 19 | 19 | — | — | — | — | |||
| 80B5 | 130 | 165 | 200 | ||||||||||||||||
| 63 | 80B14 | 80 | 100 | 120 | — | 19 | 19 | 19 | 19 | 19 | |||||||||
| 80B5 | 130 | 165 | 200 | ||||||||||||||||
| 90B14 | 95 | 115 | 140 | 8 | 27.3 | 24 | 24 | 24 | 24 | 24 | 24 | — | — | — | — | — | |||
| 90B5 | 130 | 165 | 200 | ||||||||||||||||
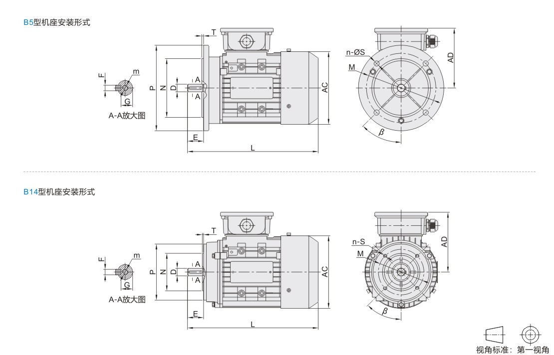
标准电机外形参考尺寸

B5型机座安装形式
| 机座号 | 电机极数 |
外形尺寸 |
安装尺寸 |
轴伸尺寸 |
||||||||||||||
| 2P | 4P | 6P | ||||||||||||||||
| 电机功率(KW) | AC | AD | L | P | N | T | M | S | β | E | F | D | G | m | ||||
| 56 | 0.09/0.12 | 0.06/0.09 | — | 113 | 96 | 199 | 120 | 80 | 3 | 100 | 7(n=4) | 45° | 20 | 3 | 9 | 7.2 | M4深12 | |
| 63 | 0.18/0.25 | 0.12/0.18 | 0.09/0.12 | 120 | 102 | 217 | 140 | 95 | 115 | 10(n=4) | 23 | 4 | 11 | 8.5 | ||||
| 71 | 0.37/0.55 | 0.25/0.37 | 0.18/0.25 | 136 | 109 | 245 | 160 | 110 | 3.5 | 130 | 30 | 5 | 14 | 11 | M5深12 | |||
| 80 | 0.75/1.10 | 0.55/0.75 | 0.37/0.55 | 155 | 124 | 287 | 200 | 130 | 165 | 12(n=4) | 40 | 6 | 19 | 15.5 | M6深16 | |||
| 90S | 1.5 | 1.1 | 0.75 | 175 | 137 | 310 | 50 | 8 | 24 | 20 | M8深19 | |||||||
| 90L | 2.2 | 1.5 | 1.1 | 335 | ||||||||||||||
B14型机座安装形式
| 机座号 | 电机极数 |
外形尺寸 |
安装尺寸 |
轴伸尺寸 |
|||||||||||||
| 2P | 4P | 6P | |||||||||||||||
| 电机功率(KW) | AC | AD | L | P | N | T | M | S | β | E | F | D | G | m | |||
| 56 | 0.09/0.12 | 0.06/0.09 | — | 113 | 96 | 199 | 80 | 50 | 2.5 | 65 | M5(n=4) | 45° | 20 | 3 | 9 | 7.2 | M4深12 |
| 63 | 0.18/0.25 | 0.12/0.18 | 0.09/0.12 | 120 | 102 | 217 | 90 | 60 | 75 | 23 | 4 | 11 | 8.5 | ||||
| 71 | 0.37/0.55 | 0.25/0.37 | 0.18/0.25 | 136 | 109 | 245 | 105 | 70 | 85 | M6(n=4) | 30 | 5 | 14 | 11 | M5深12 | ||
| 80 | 0.75/1.10 | 0.55/0.75 | 0.37/0.55 | 155 | 124 | 287 | 120 | 80 | 3 | 100 | 40 | 6 | 19 | 15.5 | M6深16 | ||
| 90S | 1.5 | 1.1 | 0.75 | 175 | 137 | 310 | 140 | 95 | 115 | M8(n=4) | 50 | 8 | 24 | 20 | M8深19 | ||
| 90L | 2.2 | 1.5 | 1.1 | 335 | |||||||||||||
选型相关参数

减速机性能表
| P1n (kw) |
n2 (r/min) |
i | M2n (Nm) |
Fr2 (N) |
fs | 减速机类型 | 电机 类型 |
P1n (kw) |
n2 (r/min) |
i | M2n (Nm) |
Fr2 (N) |
fs | 减速机类型 | 电机 类型 |
|
| 0.06 | 186.7 | 7.5 | 2.6 | 683 | 7 | NMRV030 56B5/B14 | 5614 | 0.18 | 70 | 20 | 19 | 1824 | 2.1 | NMRV040 63B5/B14 | 6324 | |
| 140 | 10 | 3.4 | 752 | 5.4 | 56 | 25 | 23 | 1964 | 1.7 | |||||||
| 93.3 | 15 | 4.7 | 861 | 3.9 | 46.7 | 30 | 25 | 2087 | 1.8 | |||||||
| 70 | 20 | 6 | 948 | 3.1 | 35 | 40 | 32 | 2298 | 1.3 | |||||||
| 56 | 25 | 7 | 1021 | 3.1 | 28 | 50 | 37 | 2475 | 1 | |||||||
| 46.7 | 30 | 8 | 1085 | 2.5 | 23.3 | 60 | 42 | 2630 | 0.9 | |||||||
| 35 | 40 | 9.7 | 1194 | 1.9 | 45 | 20 | 28 | 2113 | 1.6 | NMRV040 71B5/B14 | 7116 | |||||
| 28 | 50 | 11 | 1286 | 1.5 | 36 | 25 | 34 | 2276 | 1.3 | |||||||
| 23.3 | 60 | 13 | 1367 | 1.3 | 30 | 30 | 38 | 2419 | 1.3 | |||||||
| 17.5 | 80 | 14 | 1504 | 0.9 | 22.5 | 40 | 47 | 2662 | 1 | |||||||
| 0.09 | 373.3 | 7.5 | 2 | 542 | 6.5 | NMRV030 56B5/B14 | 5612 | 46.7 | 60 | 24 | 2865 | 2.1 | NMRV050 63B5 | 6312 | ||
| 280 | 10 | 2.6 | 597 | 5 | 35 | 80 | 30 | 3153 | 1.5 | |||||||
| 186.7 | 15 | 3.7 | 683 | 3.5 | 28 | 100 | 34 | 3397 | 1.2 | |||||||
| 140 | 20 | 4.7 | 752 | 2.5 | 35 | 40 | 33 | 3153 | 2.3 | NMRV050 63B5 | 6324 | |||||
| 112 | 25 | 5.5 | 810 | 2.9 | 28 | 50 | 39 | 3397 | 1.9 | |||||||
| 93.3 | 30 | 6.4 | 861 | 2.3 | 23.3 | 60 | 43 | 3610 | 1.6 | |||||||
| 70 | 40 | 8 | 948 | 1.8 | 17.5 | 80 | 52 | 3973 | 1.2 | |||||||
| 56 | 50 | 9.4 | 1021 | 1.4 | 14 | 100 | 59 | 4280 | 0.9 | |||||||
| 46.7 | 60 | 10 | 1085 | 1.1 | 18 | 50 | 56 | 3936 | 1.4 | NMRV050 71B5/B14 | 7116 | |||||
| 35 | 80 | 13 | 1194 | 0.9 | 15 | 60 | 63 | 4183 | 1.1 | |||||||
| 186.7 | 7.5 | 3.9 | 683 | 4.7 | NMRV030 56B5/B14 | 5624 | 11.3 | 80 | 75 | 4604 | 0.9 | |||||
| 140 | 10 | 5 | 752 | 3.6 | 15 | 60 | 66 | 5467 | 2.1 | NMRV063 71B5/B14 | 7116 | |||||
| 93.3 | 15 | 7 | 861 | 2.6 | 11.3 | 80 | 79 | 6018 | 1.6 | |||||||
| 70 | 20 | 8.8 | 948 | 2 | 9 | 100 | 90 | 6270 | 1.4 | |||||||
| 56 | 25 | 10 | 1021 | 2.1 | 0.25 | 373.3 | 7.5 | 5.6 | 542 | 2.3 | NMRV030 63B5/B14 | 6322 | ||||
| 46.7 | 30 | 12 | 1085 | 1.7 | 280 | 10 | 7.2 | 597 | 1.8 | |||||||
| 35 | 40 | 14 | 1194 | 1.2 | 186.7 | 15 | 10 | 683 | 1.3 | |||||||
| 28 | 50 | 17 | 1286 | 1 | 140 | 20 | 13 | 752 | 0.9 | |||||||
| 23.3 | 60 | 18 | 1367 | 0.9 | 112 | 25 | 15 | 810 | 1 | |||||||
| 28 | 50 | 19 | 2475 | 2.1 | NMRV040 56B5 | 5624 | 93.3 | 30 | 18 | 861 | 0.8 | |||||
| 23.3 | 60 | 21 | 2630 | 1.7 | 186.7 | 7.5 | 11 | 1315 | 3.6 | NMRV040 71B5/B14 | 7114 | |||||
| 17.5 | 80 | 25 | 2895 | 1.3 | 140 | 10 | 14 | 1447 | 2.8 | |||||||
| 14 | 100 | 29 | 3118 | 1 | 93.3 | 15 | 20 | 1657 | 2 | |||||||
| 0.12 | 186.7 | 7.5 | 5.2 | 683 | 3.5 | NMRV030 63B5/B14 | 6314 | 70 | 20 | 26 | 1824 | 1.5 | ||||
| 140 | 10 | 6.6 | 752 | 2.7 | 56 | 25 | 32 | 1964 | 1.2 | |||||||
| 93.3 | 15 | 9.3 | 861 | 1.9 | 46.7 | 30 | 35 | 2087 | 1.3 | |||||||
| 70 | 20 | 12 | 948 | 1.5 | 35 | 40 | 44 | 2298 | 0.9 | |||||||
| 56 | 25 | 14 | 1021 | 1.6 | 120 | 7.5 | 17 | 1524 | 2.6 | NMRV040 71B5/B14 | 7126 | |||||
| 46.7 | 30 | 16 | 1085 | 1.3 | 90 | 10 | 22 | 1677 | 2 | |||||||
| 35 | 40 | 19 | 1194 | 0.9 | 60 | 15 | 31 | 1920 | 1.4 | |||||||
| 28 | 50 | 22 | 1286 | 0.8 | 45 | 20 | 39 | 2113 | 1.1 | |||||||
| 46.7 | 30 | 17 | 2087 | 2.7 | NMRV040 63B5/B14 | 6314 | 36 | 25 | 48 | 2276 | 0.9 | |||||
| 35 | 40 | 21 | 2298 | 1.9 | 30 | 30 | 53 | 2419 | 0.9 | |||||||
| 28 | 50 | 25 | 2475 | 1.6 | 35 | 80 | 42 | 3153 | 1.1 | NMRV050 63B5/B14 | 6322 | |||||
| 23.3 | 60 | 28 | 2630 | 1.3 | 28 | 100 | 48 | 3397 | 0.8 | |||||||
| 17.5 | 80 | 33 | 2895 | 1 | 70 | 20 | 27 | 2503 | 2.7 | NMRV050 71B5/B14 | 7114 | |||||
| 14 | 100 | 38 | 3118 | 0.8 | 56 | 25 | 32 | 2696 | 2.2 | |||||||
| 23.3 | 60 | 29 | 3610 | 2.3 | NMRV050 63B5 | 6314 | 46.7 | 30 | 36 | 2865 | 2.3 | |||||
| 17.5 | 80 | 35 | 3973 | 1.9 | 35 | 40 | 46 | 3153 | 1.7 | |||||||
| 14 | 100 | 39 | 4280 | 1.4 | 28 | 50 | 54 | 3397 | 1.4 | |||||||
| 0.18 | 373.3 | 7.5 | 4 | 542 | 3.2 | NMRV030 63B5/B14 | 6312 | 23.3 | 60 | 60 | 3610 | 1.1 | ||||
| 280 | 10 | 5.2 | 597 | 2.5 | 17.5 | 80 | 72 | 3973 | 0.9 | |||||||
| 186.7 | 15 | 7.4 | 683 | 1.8 | 45 | 20 | 40 | 2900 | 1.9 | NMRV050 71B5/B14 | 7126 | |||||
| 140 | 20 | 9.5 | 752 | 1.3 | 36 | 25 | 48 | 3124 | 1.5 | |||||||
| 112 | 25 | 11 | 810 | 1.4 | 30 | 30 | 54 | 3320 | 1.7 | |||||||
| 93.3 | 30 | 13 | 861 | 1.2 | 22.5 | 40 | 67 | 3654 | 1.2 | |||||||
| 70 | 40 | 16 | 948 | 0.9 | 18 | 50 | 78 | 3936 | 1 | |||||||
| 186.7 | 7.5 | 7.7 | 683 | 2.3 | NMRV030 63B5/B14 | 6324 | 15 | 60 | 88 | 4183 | 0.8 | |||||
| 140 | 10 | 10 | 752 | 1.8 | 28 | 50 | 55 | 4440 | 2.4 | NMRV063 71B5/B14 | 7114 | |||||
| 93.3 | 15 | 14 | 861 | 1.3 | 23.3 | 60 | 63 | 4719 | 2 | |||||||
| 70 | 20 | 18 | 948 | 1 | 17.5 | 80 | 76 | 5193 | 1.6 | |||||||
| 56 | 25 | 20 | 1021 | 1 | 14 | 100 | 87 | 5595 | 1.4 | |||||||
| 46.7 | 30 | 24 | 1085 | 0.8 | 18 | 50 | 81 | 5145 | 1.8 | NMRV063 71B5/B14 | 7126 | |||||
| 93.3 | 30 | 14 | 1657 | 2.5 | NMRV040 63B5/B14 | 6312 | 15 | 60 | 92 | 5467 | 1.5 | |||||
| 70 | 40 | 17 | 1824 | 1.8 | 11.3 | 80 | 110 | 6018 | 1.2 | |||||||
| 56 | 50 | 21 | 1964 | 1.4 | 9 | 100 | 125 | 6270 | 1 |
| P1n (kw) |
n2 (r/min) |
i | M2n (Nm) |
Fr2 (N) |
fs | 减速机类型 | 电机 类型 |
P1n (kw) |
n2 (r/min) |
i | M2n (Nm) |
Fr2 (N) |
fs | 减速机类型 | 电机 类型 |
|
| 0.37 | 373.3 | 7.5 | 8.3 | 1044 | 3.4 | NMRV040 71B5/B14 | 7112 | 0.75 | 373.3 | 7.5 | 17 | 1433 | 3 | NMRV050 80B5/B14 | 8012 | |
| 280 | 10 | 11 | 1149 | 2.6 | 280 | 10 | 22 | 1577 | 2.4 | |||||||
| 186.7 | 15 | 16 | 1315 | 1.9 | 186.7 | 15 | 31 | 1805 | 1.7 | |||||||
| 140 | 20 | 20 | 1447 | 1.4 | 140 | 20 | 41 | 1987 | 1.3 | |||||||
| 112 | 25 | 25 | 1559 | 1.1 | 112 | 25 | 49 | 2140 | 1 | |||||||
| 186.7 | 7.5 | 16 | 1315 | 2.5 | NMRV040 71B5/B14 | 7124 | 93.3 | 30 | 56 | 2274 | 1.1 | |||||
| 140 | 10 | 21 | 1447 | 1.9 | 280 | 5 | 23 | 1577 | 2.7 | NMRV050 80B5/B14 | 8024 | |||||
| 93.3 | 15 | 30 | 1657 | 1.3 | 186.7 | 7.5 | 33 | 1805 | 2.1 | |||||||
| 70 | 20 | 39 | 1824 | 1 | 140 | 10 | 43 | 1987 | 1.7 | |||||||
| 56 | 25 | 47 | 1964 | 0.8 | 93.3 | 15 | 62 | 2274 | 1.2 | |||||||
| 46.7 | 30 | 52 | 2087 | 0.9 | 70 | 20 | 80 | 2503 | 0.9 | |||||||
| 112 | 25 | 25 | 2140 | 2 | NMRV050 71B5/B14 | 7112 | 140 | 20 | 43 | 2597 | 2.3 | NMRV063 80B5/B14 | 8012 | |||
| 93.3 | 30 | 29 | 2274 | 2.2 | 112 | 25 | 52 | 2797 | 1.8 | |||||||
| 70 | 40 | 37 | 2503 | 1.6 | 93.3 | 30 | 60 | 2973 | 2 | |||||||
| 56 | 50 | 44 | 2696 | 1.2 | 70 | 40 | 77 | 3272 | 1.4 | |||||||
| 46.7 | 60 | 50 | 2865 | 1 | 56 | 50 | 92 | 3524 | 1.1 | |||||||
| 35 | 80 | 62 | 3153 | 0.7 | 46.7 | 60 | 106 | 3745 | 0.9 | |||||||
| 140 | 10 | 21 | 1987 | 3.4 | NMRV050 71B5/B14 | 7124 | 93.3 | 15 | 63 | 2973 | 2.2 | NMRV063 80B5/B14 | 8024 | |||
| 93.3 | 15 | 31 | 2274 | 2.4 | 70 | 20 | 82 | 3272 | 1.6 | |||||||
| 70 | 20 | 39 | 2503 | 1.9 | 56 | 25 | 98 | 3524 | 1.3 | |||||||
| 56 | 25 | 47 | 2696 | 1.5 | 46.7 | 30 | 112 | 3745 | 1.4 | |||||||
| 46.7 | 30 | 54 | 2865 | 1.6 | 35 | 40 | 141 | 4122 | 1 | |||||||
| 35 | 40 | 68 | 3153 | 1.1 | 120 | 7.5 | 51 | 2734 | 2.9 | NMRV063 90B5/B14 | 90S6 | |||||
| 28 | 50 | 80 | 3397 | 0.9 | 90 | 10 | 67 | 3009 | 2.3 | |||||||
| 23.3 | 60 | 89 | 3610 | 0.8 | 60 | 15 | 96 | 3444 | 1.6 | |||||||
| 120 | 7.5 | 25 | 2091 | 3.4 | NMRV050 80B5/B14 | 8016 | 45 | 20 | 123 | 3791 | 1.2 | |||||
| 90 | 10 | 33 | 2302 | 2.6 | 36 | 25 | 147 | 4084 | 0.9 | |||||||
| 60 | 15 | 47 | 2635 | 1.8 | 30 | 30 | 167 | 4339 | 1 | |||||||
| 45 | 20 | 59 | 2900 | 1.3 | 1.1 | 373.3 | 7.5 | 25 | 1433 | 2.1 | NMRV050 80B5/B14 | 8022 | ||||
| 36 | 25 | 72 | 3124 | 1 | 280 | 10 | 33 | 1577 | 1.7 | |||||||
| 30 | 30 | 80 | 3320 | 1.1 | 186.7 | 15 | 48 | 1805 | 1.2 | |||||||
| 45 | 20 | 60 | 3791 | 2.4 | NMRV063 80B5/B14 | 8016 | 140 | 20 | 62 | 1987 | 0.9 | |||||
| 36 | 25 | 73 | 4084 | 1.9 | 186.7 | 15 | 46 | 2359 | 2.1 | NMRV063 80B5/B14 | 8022 | |||||
| 30 | 30 | 82 | 4339 | 2.1 | 140 | 20 | 60 | 2597 | 1.6 | |||||||
| 22.5 | 40 | 102 | 4776 | 1.6 | 112 | 25 | 72 | 2797 | 1.2 | |||||||
| 18 | 50 | 120 | 5145 | 1.2 | 93.3 | 30 | 82 | 2973 | 1.4 | |||||||
| 15 | 60 | 137 | 5467 | 1 | 70 | 40 | 104 | 3272 | 1 | |||||||
| 0.55 | 373.3 | 7.5 | 12 | 1044 | 2.3 | NMRV040 71B5/B14 | 7122 | 120 | 7.5 | 75 | 2734 | 2 | NMRV063 90B5/B14 | 90L6 | ||
| 280 | 10 | 16 | 1149 | 1.8 | 90 | 10 | 98 | 3009 | 1.6 | |||||||
| 186.7 | 15 | 24 | 1315 | 1.3 | 60 | 15 | 140 | 3444 | 1.1 | |||||||
| 140 | 20 | 30 | 1447 | 1 | 45 | 20 | 180 | 3791 | 0.8 | |||||||
| 112 | 25 | 37 | 1559 | 0.8 | 186.7 | 7.5 | 50 | 2359 | 2.6 | NMRV063 90B5/B14 | 90S4 | |||||
| 140 | 20 | 31 | 1987 | 1.7 | NMRV050 71B5/B14 | 7122 | 140 | 10 | 65 | 2597 | 2 | |||||
| 112 | 25 | 38 | 2140 | 1.4 | 93.3 | 15 | 92 | 2973 | 1.5 | |||||||
| 93.3 | 30 | 43 | 2274 | 1.5 | 70 | 20 | 120 | 3272 | 1.1 | |||||||
| 70 | 40 | 55 | 2503 | 1.1 | 56 | 25 | 144 | 3524 | 0.9 | |||||||
| 56 | 50 | 65 | 2696 | 0.8 | 46.7 | 30 | 164 | 3745 | 1 | |||||||
| 46.7 | 60 | 74 | 2865 | 0.7 | 1.5 | 373.3 | 7.5 | 34 | 1433 | 1.5 | NMRV050 80B5/B14 | 8032 | ||||
| 186.7 | 7.5 | 24 | 1805 | 2.9 | NMRV050 80B5/B14 | 8014 | 280 | 10 | 45 | 1577 | 1.2 | |||||
| 140 | 10 | 32 | 1987 | 2.3 | 186.7 | 15 | 65 | 1805 | 0.9 | |||||||
| 93.3 | 15 | 46 | 2274 | 1.6 | 186.7 | 7.5 | 68 | 2359 | 1.9 | NMRV063 90B5/B14 | 90L4 | |||||
| 70 | 20 | 59 | 2503 | 1.2 | 140 | 10 | 88 | 2597 | 1.5 | |||||||
| 56 | 25 | 70 | 2696 | 1 | 93.3 | 15 | 126 | 2973 | 1.1 | |||||||
| 46.7 | 30 | 80 | 2865 | 1.1 | 70 | 20 | 164 | 3272 | 0.8 | |||||||
| 120 | 7.5 | 37 | 2091 | 2.3 | NMRV050 80B5/B14 | 8026 | 373.3 | 7.5 | 35 | 1873 | 2.7 | NMRV063 90B5/B14 | 90S2 | |||
| 90 | 10 | 48 | 2302 | 1.7 | 280 | 10 | 45 | 2061 | 2.2 | |||||||
| 60 | 15 | 69 | 2635 | 1.2 | 186.7 | 15 | 66 | 2359 | 1.6 | |||||||
| 45 | 20 | 88 | 2900 | 0.9 | 140 | 20 | 86 | 2597 | 1.2 | |||||||
| 70 | 20 | 60 | 3272 | 2.2 | NMRV063 80B5/B14 | 8014 | 112 | 25 | 105 | 2797 | 0.9 | |||||
| 56 | 25 | 72 | 3524 | 2.2 | 93.3 | 30 | 120 | 2973 | 1 | |||||||
| 56.7 | 30 | 82 | 3745 | 1.9 | 2.2 | 373.3 | 7.5 | 51 | 1873 | 1.8 | NMRV063 90B5/B14 | 90L2 | ||||
| 35 | 40 | 104 | 4122 | 1.4 | 280 | 10 | 66 | 2061 | 1.5 | |||||||
| 28 | 50 | 122 | 4440 | 1.1 | 186.7 | 15 | 97 | 2359 | 1.1 | |||||||
| 23.3 | 60 | 140 | 4719 | 0.9 | / | |||||||||||
| 60 | 15 | 70 | 3444 | 2.2 | NMRV063 80B5/B14 | 8026 | ||||||||||
| 45 | 20 | 90 | 3791 | 1.6 | ||||||||||||
| 36 | 25 | 108 | 4084 | 1.3 | ||||||||||||
| 30 | 30 | 123 | 4339 | 1.4 | ||||||||||||
| 22.5 | 40 | 152 | 4776 | 1.1 | ||||||||||||