型号筛选
未生成型号,还有 2 项未选择
重置
代码
产品选型
规格
减速比
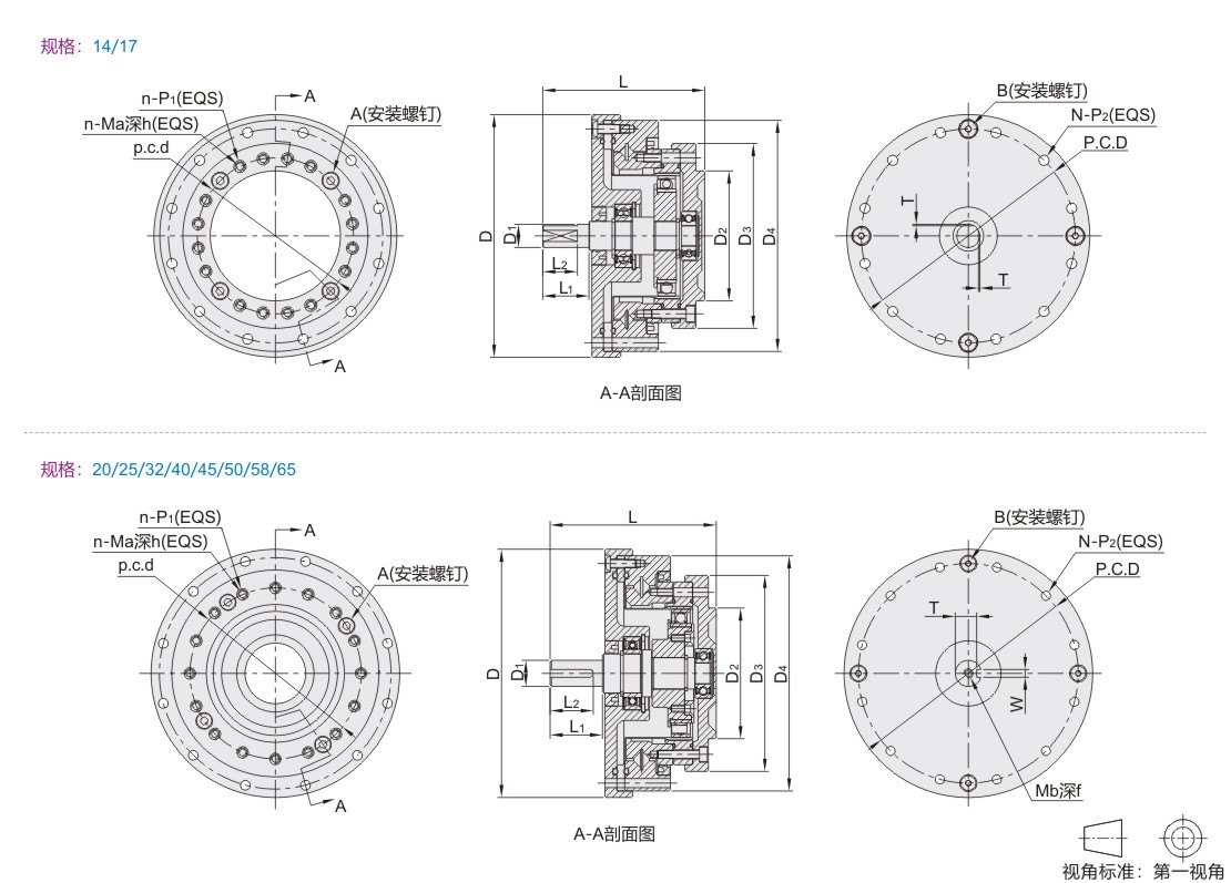
图片仅供参考,请以已选的规格为准
帽型谐波减速机 标准扭矩 中轴组合型
品牌名称:
怡合达
条件筛选:
产品型号:
登录后可查看价格、加入购物车、一键购买
立即登录
技术图档
全部型号
3D预览
材质图
参数图
| 代码 | 类型 | 结构形式 |
| ZND07 | 标准扭矩 | 中轴组合型 |

选型表
性能参数表
| 规格 | 减速比 | 输入2000r/min 时的额定转矩 |
启动停止时的 容许峰值转矩 |
平均负载转矩 的容许最大值 |
瞬间容许 最大转矩 |
容许最高 输入转速 |
容许平均 输入转速 |
||||
| N·m | kgf·m | N·m | kgf·m | N·m | kgf·m | N·m | kgf·m | r/min | r/min | ||
| 14 | 50 | 5.7 | 0.58 | 19 | 1.9 | 7.2 | 0.74 | 36 | 3.7 | 8500 | 3500 |
| 80 | 8.2 | 0.84 | 24 | 2.4 | 11.6 | 1.2 | 49 | 5 | |||
| 100 | 8.2 | 0.84 | 29 | 3 | 11.6 | 1.2 | 56 | 5.7 | |||
| 17 | 50 | 17 | 1.7 | 35 | 3.6 | 27 | 2.8 | 73 | 7.4 | 7300 | 3500 |
| 80 | 23 | 2.4 | 45 | 4.6 | 28 | 2.9 | 90 | 9.2 | |||
| 100 | 25 | 2.6 | 56 | 5.7 | 41 | 4.2 | 114 | 11.7 | |||
| 120 | 25 | 2.6 | 56 | 5.7 | 41 | 4.2 | 89 | 9.1 | |||
| 20 | 50 | 26 | 2.7 | 58 | 5.9 | 36 | 3.6 | 102 | 10.4 | 6500 | 3500 |
| 80 | 36 | 3.6 | 77 | 7.9 | 49 | 5 | 132 | 13 | |||
| 100 | 42 | 4.3 | 90 | 9.2 | 51 | 5.3 | 153 | 16 | |||
| 120 | 42 | 4.3 | 90 | 9.2 | 51 | 5.3 | 153 | 16 | |||
| 160 | 42 | 4.3 | 96 | 9.8 | 51 | 5.3 | 153 | 16 | |||
| 25 | 50 | 41 | 4.2 | 102 | 10.4 | 58 | 5.9 | 193 | 20 | 5600 | 3500 |
| 80 | 66 | 6.8 | 142 | 15 | 91 | 9.3 | 265 | 27 | |||
| 100 | 70 | 7.2 | 163 | 17 | 113 | 11.6 | 295 | 30 | |||
| 120 | 70 | 7.2 | 174 | 18 | 113 | 11.6 | 316 | 32 | |||
| 160 | 70 | 7.2 | 183 | 19 | 113 | 11.6 | 327 | 33 | |||
| 32 | 50 | 80 | 8.1 | 225 | 23 | 113 | 11.6 | 397 | 41 | 4800 | 3500 |
| 80 | 122 | 12 | 316 | 32 | 175 | 18 | 591 | 60 | |||
| 100 | 138 | 14 | 346 | 35 | 227 | 23 | 673 | 69 | |||
| 120 | 138 | 14 | 367 | 37 | 227 | 23 | 693 | 71 | |||
| 160 | 138 | 14 | 388 | 40 | 227 | 23 | 693 | 71 | |||
| 40 | 50 | 138 | 14 | 406 | 41 | 198 | 20 | 693 | 71 | 4000 | 3000 |
| 80 | 208 | 21 | 524 | 53 | 287 | 29 | 990 | 101 | |||
| 100 | 268 | 27 | 574 | 59 | 376 | 38 | 1091 | 111 | |||
| 120 | 297 | 30 | 623 | 64 | 456 | 46 | 1192 | 122 | |||
| 160 | 297 | 30 | 653 | 67 | 456 | 46 | 1192 | 122 | |||
| 45 | 50 | 178 | 16 | 505 | 52 | 268 | 27 | 960 | 98 | 3800 | 3000 |
| 80 | 316 | 32 | 713 | 73 | 394 | 40 | 1283 | 131 | |||
| 100 | 357 | 36 | 763 | 78 | 505 | 52 | 1586 | 162 | |||
| 120 | 406 | 41 | 831 | 85 | 626 | 64 | 1778 | 181 | |||
| 160 | 406 | 41 | 891 | 91 | 636 | 65 | 1929 | 197 | |||
| 50 | 80 | 376 | 38 | 950 | 97 | 524 | 53 | 1879 | 192 | 3500 | 2500 |
| 100 | 475 | 48 | 990 | 101 | 673 | 69 | 2081 | 212 | |||
| 120 | 534 | 55 | 1091 | 111 | 821 | 84 | 2081 | 212 | |||
| 160 | 534 | 55 | 1192 | 122 | 851 | 87 | 2475 | 253 | |||
| 58 | 80 | 554 | 57 | 1495 | 153 | 778 | 79 | 2475 | 253 | 3000 | 2000 |
| 100 | 703 | 72 | 1606 | 164 | 1071 | 109 | 3212 | 328 | |||
| 120 | 752 | 77 | 1737 | 177 | 1202 | 123 | 3363 | 343 | |||
| 160 | 752 | 77 | 1858 | 190 | 1222 | 125 | 3464 | 354 | |||
| 65 | 80 | 752 | 77 | 2131 | 217 | 1050 | 107 | 3757 | 383 | 2500 | 1900 |
| 100 | 961 | 98 | 2323 | 237 | 1535 | 157 | 4798 | 490 | |||
| 120 | 961 | 98 | 2535 | 259 | 1586 | 162 | 4798 | 490 | |||
| 160 | 961 | 98 | 2656 | 271 | 1586 | 162 | 4798 | 490 | |||