型号筛选
未生成型号,还有 6 项未选择
重置
代码
产品选型
法兰尺寸
段数
减速比
背隙
安装尺寸代号
K
图片仅供参考,请以已选的规格为准
精密通用行星减速机 方法兰 斜齿•双段
品牌名称:
怡合达
条件筛选:
产品型号:
登录后可查看价格、加入购物车、一键购买
立即登录
技术图档
全部型号
3D预览
材质图
参数图
| 代码 | 类型 |
适配电机 | |
| ZJU42 | 斜齿 | 双段 | 伺服电机/步进电机 |

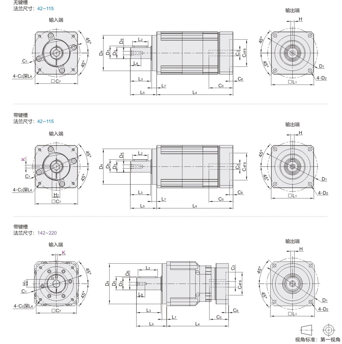
请参考以下尺寸表选择适配的键槽。
尺寸表
| 法兰 尺寸 |
安装尺 寸代号 |
电机连接板尺寸 | D1 | D2 | D3 | D4 | D5 | D6 | H | H1 | K | L1 | L2 | L3 | L4 | L5 | L6 | L7 | L8 | ||||||
| C1 | C2 | C3 | C4 | C5 | C6 | C7 | |||||||||||||||||||
| 42 | T1 | 43.8 | 3.5 | 5 | 22 | 28 |
3.5 |
42.6 |
50 |
3.5 |
13 |
35 |
18 |
M4 |
5 |
— |
— |
42.6 |
16 |
19.5 |
80 |
26 |
4 | 5.5 |
12 |
| T2 | 45 | M3 | 8 | 30 |
7 | ||||||||||||||||||||
| T3 | 46 | M4 | 8 | ||||||||||||||||||||||
| 60 | T1 | 66.7 | M4 |
8 | 38.1 | 34 |
5 | 60 | 70 | 5.5 | 16 | 50 | 18 | M5 | 5 | — | — | 60 | 22 | 28.5 | 107.5 | 37 | 10 | 7 | 15 |
| T2 | 70 |
11 | 50 |
||||||||||||||||||||||
| T3 | 14 | 16.3 | 5 | ||||||||||||||||||||||
| T4 | M5 | 12 | |||||||||||||||||||||||
| 90 | T1 | 98.4 | M5 |
14 | 73 | 42 | 6 |
86 | 100 | 7 | 22 |
80 |
24.5 |
M8 |
6 |
16.3 | 5 | 90 |
28 |
36.5 |
140 |
45 |
15 |
7 |
19 |
| T2 | 90 |
19 | 70 |
6.5 |
80 | 21.8 | 6 | ||||||||||||||||||
| T3 | M6 | ||||||||||||||||||||||||
| 115 | T1 | 115 | M8 |
19 | 95 | 64 | 10 | 115 | 130 | 9 | 32 | 110 | 35 | M12 | 10 | 21.8 | 6 | 115 | 40 | 51 | 185.5 | 61 | 20 | 8 | 28 |
| T2 | 145 | 22 | 110 | 130 | 25.3 | 8 |
|||||||||||||||||||
| T3 | 115 | 24 | 95 | 115 | 27.3 |
||||||||||||||||||||
| T4 | 145 | 110 | 130 | ||||||||||||||||||||||
| 142 | T1 | 145 | M8 | 22 | 110 | 65 | 10 | 142 |
165 |
11 |
40 |
130 |
43 |
M16 |
12 |
25.3 | 8 | 142 |
63 |
79 |
199 | 97 |
20 | 15 |
38 |
| T2 | 200 |
M12 |
35 | 114.3 |
81.5 | 8 |
38.3 | 10 | 215 |
30 |
|||||||||||||||
| T3 | 42 | 45.3 | 12 | ||||||||||||||||||||||
| 180 | T1 | 215 | 42 | 180 | 81.5 | 8 | 190 | 215 | 13 |
55 |
160 |
59 |
M20 |
16 |
45.3 |
12 |
180 |
70 |
82 |
228 | 105 |
30 |
20 |
44 |
|
| T2 | 200 |
114.3 |
180 |
||||||||||||||||||||||
| T3 | 35 | 38.3 | 10 | ||||||||||||||||||||||
| 220 | T1 | 235 | 55 | 200 | 118 | 10 |
220 |
250 |
17 |
75 |
180 |
79.5 |
M20 |
20 |
59.3 | 16 | 220 |
90 |
105 |
301.5 |
138 |
30 |
30 |
42 |
|
| T2 | 215 |
42 | 114.3 | 86 | 45.3 |
12 |
269.5 |
||||||||||||||||||
| T3 | 180 | ||||||||||||||||||||||||
C1~C7尺寸是公制标准电机连接板尺寸,请依据所用的电机决定相应代号。
法兰端尺寸如有任何差异请联系工程(可根据电机尺寸进行来图定制)。
减速机性能表
| 规格 | 单位 | 段数 | 减速比 | 法兰尺寸 | ||||||
| 42 | 60 | 90 | 115 | 142 | 180 | 220 | ||||
额定输出扭矩TN |
N·m | 1 | 3 | 一 | 53 | 145 | 290 | 500 | 950 | 1550 |
| 4 | 19 | 55 | 150 | 300 | 540 | 1050 | 1650 | |||
| 5 | 17 | 54 | 140 | 290 | 650 | 1200 | 1700 | |||
| 7 | 14 | 44 | 125 | 270 | 555 | 1150 | 1500 | |||
| 10 | 11 | 37 | 95 | 220 | 460 | 910 | 1250 | |||
| 2 | 15 | 一 | 53 | 145 | 290 | 500 | 950 | 1550 | ||
| 20 | 19 | 55 | 150 | 300 | 540 | 1050 | 1650 | |||
| 25 | 17 | 54 | 140 | 290 | 650 | 1200 | 1700 | |||
| 30 | 一 | 54 | 140 | 290 | 500 | 950 | 1700 | |||
| 35 | 17 | 54 | 140 | 290 | 650 | 1200 | 1700 | |||
| 40 | 55 | 150 | 300 | 540 | 1050 | 1650 | ||||
| 50 | 54 | 140 | 290 | 650 | 1200 | 1700 | ||||
| 70 | 44 | 125 | 270 | 555 | 1150 | 1500 | ||||
| 100 | 11 | 37 | 95 | 220 | 460 | 910 | 1250 | |||
| 最大输出力矩T2N | N·m | 1、2 | 3~100 | 2倍额定扭矩输出 | ||||||
| 满载效率 | % | 1 | 3~10 | 97% | 95% | |||||
| 2 | 15~100 | 94% | 92% | |||||||
| 平均使用寿命 | h | 1、2 | 3~100 | 20000 | ||||||
| 工作温度 | ℃ | 1、2 | 3~100 | -10℃~90℃ | ||||||
| 防护等级 | 一 | 1、2 | 3~100 | IP65 | ||||||
| 安装方向 | 一 | 1、2 | 3~100 | 任意方向 | ||||||
| 精密背隙P1 | arcmin | 1 | 3~10 | ≤5 | ≤4 | ≤4 | ≤3 | ≤3 | ≤3 | ≤3 |
| 2 | 12~100 | ≤6 | ≤6 | ≤5 | ≤5 | ≤5 | ≤5 | |||
| 标准背隙P2 | arcmin | 1 | 3~10 | ≤7 | ≤6 | ≤6 | ≤5 | ≤5 | ≤5 | ≤5 |
| 2 | 15~100 | ≤8 | ≤8 | ≤7 | ≤7 | ≤7 | ≤7 | |||
| 额定输入转速n1N | rpm | 1、2 | 3~100 | 4000 | 5000 | 4000 | 4000 | 3000 | 3000 | 2000 |
| 最大容许径向力F2rb | N | 1、2 | 3~100 | 510 | 1010 | 1780 | 3420 | 9400 | 14500 | 11120 |
| 最大容许轴向力F2ab | N | 1、2 | 3~100 | 410 | 600 | 1500 | 2650 | 4700 | 6200 | 8560 |
| 噪音值 | dB | 1、2 | 3~100 | 58 | 58 | 60 | 63 | 65 | 67 | 70 |