型号筛选
可选加工(可选)
未生成型号,还有 5 项未选择
重置
代码
无数据
产品选型
代码
无数据
法兰尺寸
无数据
段数
无数据
减速比
无数据
背隙
无数据
安装尺寸代号
无数据
价格生成中...
图片仅供参考,请以已选的规格为准
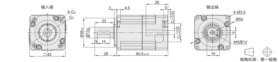
标准型 通用行星减速机 方法兰 法兰尺寸:42 斜齿•单段
品牌名称:
怡合达
条件筛选:
产品型号:
未税折扣单价: -- --
含税折扣单价: ----
含税总价 (税率13%): ¥--
预计发货天数:-- 天 (发货天数以下单次日起算,不含周日与法定假日)
购买数量(PCS):
起订量:1PCS
, 加量幅度:1PCS
登录后可查看价格、加入购物车、一键购买
立即登录
价格生成中...
登录后可查看价格、加入购物车、一键购买
立即登录
代码ZJU81的技术资料信息曾有所变更,可前往 型号勘误表 查看变更记录
相似商品
同类人气商品
技术图档
全部型号
3D预览
技术图档
材质图
参数图
| 代码 | 类型 |
|
| ZJU81 | 斜齿 | 单段 |

选型表
| 型号 | 段数 | 减速比 | 背隙 | 安装尺寸代号 | 电机连接板尺寸 | ||||
| 代码 | 法兰尺寸 | C1 | C2 | C3 | C4 | ||||
| ZJU81 | 42 | 1 (单段) |
3 4 5 7 10 |
P2 (标准背隙) |
T1 | 8 | 30 | 45 | M3深8 |
| T2 | 46 | M4深8 | |||||||
| T3 | 5 | 22 | 43.8 | Ø3.4深15 | |||||
性能参数表
| 段数 | 减速比 | 额定输出 扭矩N·m |
最大输出 力矩N·m |
满载效率 | 平均 使用寿命 |
工作温度 | 防护等级 | 安装方向 | 标准背隙P2 | 额定输入 转速 |
最大容许 径向力 |
最大容许 轴向力 |
噪音值 dB |
| 1 (单段) |
3 | 13 | 32.5 | 97% | 20000h | -10°C~90°C | IP65 | 任意方向 | ≤6arcmin | 3000rpm | 680N | 340N | ≤60 |
| 4 | 13 | 32.5 | |||||||||||
| 5 | 15 | 37.5 | |||||||||||
| 7 | 12 | 30 | |||||||||||
| 10 | 9 | 22.5 |
1. 添加筛选条件,生成产品型号
客服
购物车
小程序
怡合达商城小程序
随身商城一手掌握
公众号
微信公众号
订单/资讯随手掌握
微信技术交流服务群
扫码添加进群
浏览记录
问题反馈
置顶
Copyright © 2010-2026 东莞怡合达自动化股份有限公司 版权所有 粤ICP备14032684号
营业执照: 91441900566614589Q