型号筛选
可选加工(可选)
未生成型号,还有 5 项未选择
重置
代码
无数据
产品选型
代码
无数据
法兰尺寸
无数据
段数
无数据
减速比
无数据
背隙
无数据
适配电机尺寸代号
无数据
价格生成中...
图片仅供参考,请以已选的规格为准
精密转角行星减速机 螺旋伞齿 转角型 双段 方法兰安装 适配伺服电机
条件筛选:
产品型号:
未税折扣单价: -- --
含税折扣单价: ----
含税总价 (税率13%): ¥--
预计发货天数:-- 天 (发货天数以下单次日起算,不含周日与法定假日)
购买数量(PCS):
起订量:1PCS
, 加量幅度:1PCS
登录后可查看价格、加入购物车、一键购买
立即登录
价格生成中...
登录后可查看价格、加入购物车、一键购买
立即登录
代码ZJU17的技术资料信息曾有所变更,可前往 型号勘误表 查看变更记录
相似商品
替换商品
技术图档
全部型号
3D预览
技术图档
材质图
参数图
| 代码 | 类型 |
适配电机 | |
| ZJU17 | 螺旋伞齿 | 双段 | 伺服电机 |

选型表
| 型号 | 段数 |
减速比 |
背隙 |
适配电机尺寸代号★ |
适配电机功率 | |
| 代码 | 法兰尺寸 | |||||
| ZJU17 | 60 | 2 (单段) |
15 20 25 30 35 40 50 70 100 |
P1 (精密背隙) |
P T | 200W,400W |
| 90 | 750W | |||||
| 120 | P T Y M | 1/1.5KW伺服 | ||||
★请参照适配电机尺寸代号选型表进行选择。
适配电机尺寸代号
| 法兰尺寸 |
适配电机尺寸代号 |
安装尺寸大小 | |||
| C3 | C5 | C1 | C2 | ||
| 60 | P | 11/14(含轴套) | 50 | 70 | M4 |
| T | 14 | M5 | |||
| 90 | P | 19 | 70 | 90 | M5 |
| T | M6 | ||||
| 120 | P | 19 | 95 | 115 | M8 |
| T | 22 | 110 | 145 | ||
| Y | 24 | 95 | 115 | ||
| M | 110 | 145 | |||
其余尺寸或有异议请人工咨询(可根据具体电机尺寸进行相应制作)。
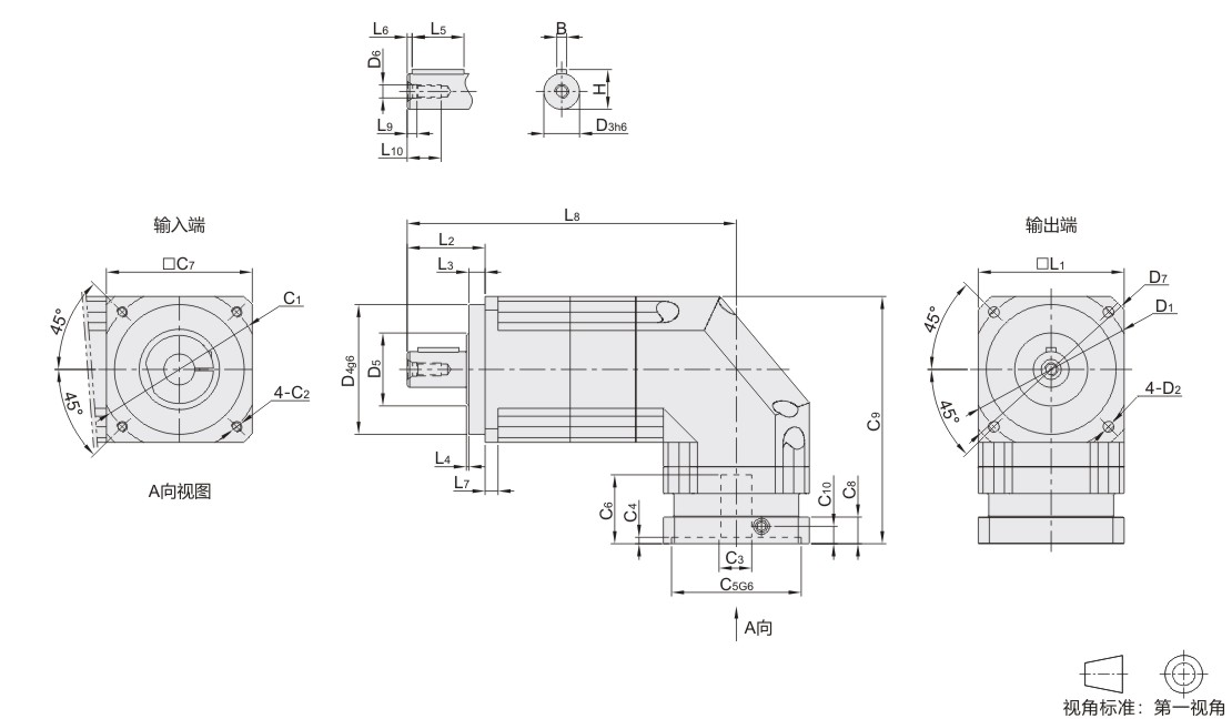
尺寸表
| 法兰尺寸 | D1 | D2 | D3 | D4 | D5 | D6 | D7 | L1 | L2 | L3 | L4 | L5 | ||||||||||||||||
| 60 | 70 | 5.5 | 16 | 50 | 20 | M5 | 80 | 60 | 37 | 7 | 1.5 | 20 | ||||||||||||||||
| 90 | 100 | 6.5 | 22 | 80 | 65 | M8 | 116 | 90 | 48 | 10 | 1.5 | 25 | ||||||||||||||||
| 120 | 130 | 8.5 | 32 | 110 | 58.6 | M12 | 152 | 120 | 62 | 12 | 2 | 40 | ||||||||||||||||
| 法兰尺寸 | L6 | L7 | L8 | L9 | L10 | C4 | C6 | C7 | C8 | C9 | C10 | B | H | ||||||||||||||||
| 60 | 3 | 8 | 145.5 | 4.8 | 15 | 4 | 37.5 | 60 | 29.5 | 100.5 | 8.75 | 5 | 18 | ||||||||||||||||
| 90 | 3 | 8 | 187.5 | 7.2 | 19 | 5 | 47 | 90 | 19 | 130 | 13.5 | 6 | 24.5 | ||||||||||||||||
| 120 | 5 | 12 | 263 | 10 | 28 | 7 | 62 | 120 | 17 | 189.5 | 10.75 | 10 | 35 | ||||||||||||||||
C1~C10尺寸是公制标准电机连接板尺寸,请依据所用的电机决定。
由于安装电机的不同而有所差异,电机轴径与输入轴径不同时,可插入轴套使用。
120法兰默认低惯量电机法兰。中、高惯量下单后请提供电机型号。
减速机性能表
| 规格 |
单位 |
段数 |
减速比 |
法兰尺寸 | ||
| 60 | 90 | 120 | ||||
| 额定输出力矩T2N | N.m | 1 | 3 | 53 | 130 | 208 |
| 4 | 50 | 140 | 290 | |||
| 5 | 57 | 150 | 310 | |||
| 7 | 47 | 135 | 285 | |||
| 10 | 38 | 98 | 225 | |||
| 2 | 15 | 53 | 135 | 250 | ||
| 20 | 52 | 140 | 290 | |||
| 25 | 57 | 150 | 310 | |||
| 30 | 53 | 130 | 225 | |||
| 35 | 52 | 140 | 295 | |||
| 40 | 47 | 130 | 285 | |||
| 50 | 57 | 150 | 310 | |||
| 70 | 47 | 135 | 285 | |||
| 100 | 38 | 98 | 225 | |||
| 最大输出力矩T2B | N.m | 1、2 | 3~100 | 2倍额定输出力矩 | ||
| 额定输入转速n1 | rpm | 1、2 | 3~100 | 4000 | 3000 | 3000 |
| 最大输入转速n1B | rpm | 1、2 | 3~100 | 8000 | 6000 | 6000 |
| 精密背隙P1 | arcmin | 1 | 3~10 | ≤5 | ≤5 | ≤5 |
| 2 | 15~100 | ≤7 | ≤7 | ≤7 | ||
| 扭转刚性 | N.m/arcmin | 1、2 | 3~100 | 7 | 14 | 25 |
| ※1容许径向力F2rB | N | 1、2 | 3~100 | 1530 | 2480 | 3640 |
| ※1容许轴向力F2a1B | N | 1、2 | 3~100 | 630 | 1300 | 3000 |
| ※1容许轴向力F2a2B | N | 1、2 | 3~100 | 765 | 1625 | 3350 |
| 使用温度 | °C | 1、2 | 3~100 | -10°C~+90°C | ||
| 使用寿命 | hr | 1、2 | 3~100 | 20000(10000/连续运转) | ||
| 效率η | % | 1 | 3~10 | ≥95% | ||
| 2 | 15~100 | ≥92% | ||||
| 重量 | kg | 1 | 3~10 | 1.8 | 4.5 | 8.8 |
| 2 | 15~100 | 1.98 | 4.9 | 10.4 | ||
| 安装方向 | — | 1、2 | 3~100 | 任意方向 | ||
| 噪音值(n1=3000rpm) | dB | 1、2 | 3~100 | ≤63 | ≤65 | ≤68 |
| 防护等级 | — | 1、2 | 3~100 | IP65 | ||
| 润滑 | — | 1、2 | 3~100 | 合成润滑油脂 | ||
※1输出转速100rpm时,作用于输出轴中心位置。
减速机转动惯量
| 规格 |
单位 |
段数 |
减速比 |
法兰尺寸 | ||
| 60 | 90 | 120 | ||||
| 转动惯量 | kg.cm² | 1 | 3 | 0.21 | 0.82 | 2.75 |
| 4 | 0.16 | 0.58 | 2.2 | |||
| 5 | 0.15 | 0.55 | 2.11 | |||
| 7 | 0.14 | 0.52 | 2.08 | |||
| 10 | 0.14 | 0.51 | 1.99 | |||
| 2 | 15 | 0.15 | 0.39 | 0.56 | ||
| 20 | 0.15 | 0.39 | 0.56 | |||
| 25 | 0.03 | 0.39 | 0.56 | |||
| 30 | 0.03 | 0.37 | 0.54 | |||
| 35 | 0.03 | 0.37 | 0.54 | |||
| 40 | 0.03 | 0.37 | 0.54 | |||
| 50 | 0.03 | 0.36 | 0.51 | |||
| 70 | 0.03 | 0.36 | 0.51 | |||
| 100 | 0.03 | 0.36 | 0.51 | |||
1. 添加筛选条件,生成产品型号
客服
购物车
公众号
微信公众号
订单/资讯随手掌握
微信技术交流服务群
扫码添加进群
浏览记录
问题反馈
置顶
Copyright © 2010-2026 东莞怡合达自动化股份有限公司 版权所有 粤ICP备14032684号
营业执照: 91441900566614589Q