型号筛选
可选加工(可选)
未生成型号,还有 8 项未选择
重置
代码
无数据
产品选型
代码
无数据
法兰尺寸
无数据
段数
无数据
减速比
无数据
背隙
无数据
d
无数据
D
无数据
C
无数据
M
无数据
价格生成中...
图片仅供参考,请以已选的规格为准
经济型 通用行星减速机 圆法兰 圆机身 单支撑·直齿·单段/双段
条件筛选:
产品型号:
未税折扣单价: -- --
含税折扣单价: ----
含税总价 (税率13%): ¥--
预计发货天数:-- 天 (发货天数以下单次日起算,不含周日与法定假日)
购买数量(PCS):
起订量:1PCS
, 加量幅度:1PCS
登录后可查看价格、加入购物车、一键购买
立即登录
价格生成中...
登录后可查看价格、加入购物车、一键购买
立即登录
代码ZJU85的技术资料信息曾有所变更,可前往 型号勘误表 查看变更记录
相似商品
同类人气商品
技术图档
全部型号
3D预览
技术图档
材质图
参数图
| 代码 | 类型 | 适配电机 | |
| ZJU85 | 直齿 | 单段/双段 | 伺服电机/步进电机 |

选型表
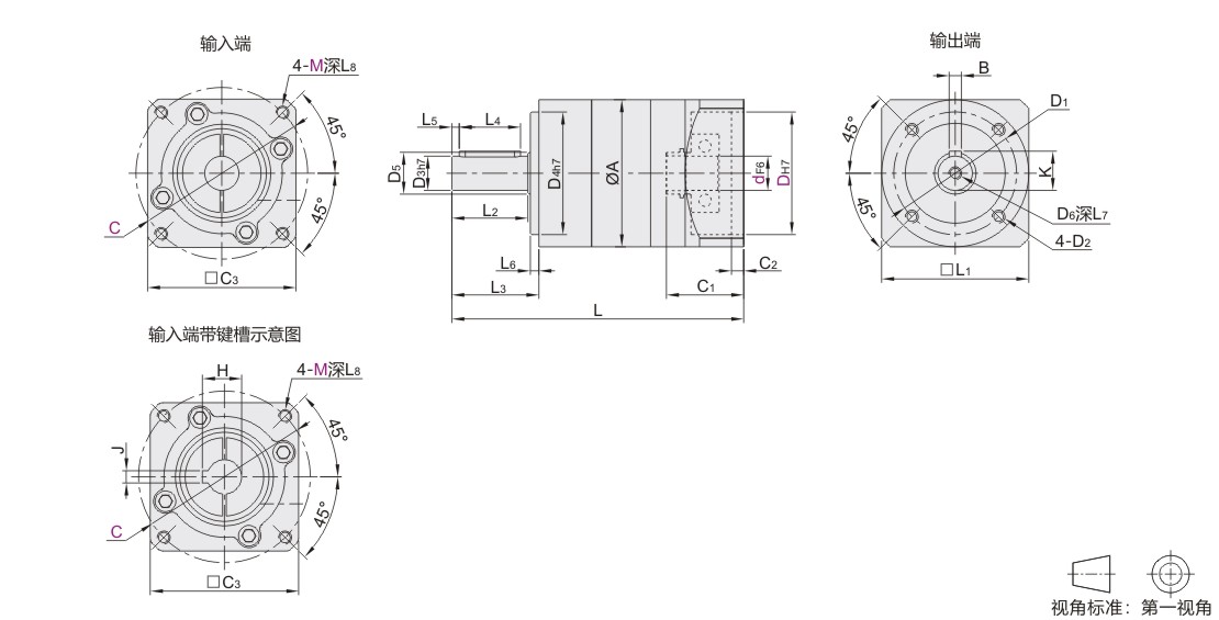
尺寸表
| 法兰尺寸 | 段数 | D1 | D2 | D3 | D4 | D5 | D6 | L | L1 | L2 | L3 | L4 | L5 | L6 | L7 | L8 | A | B | K | C1 | C2 | C3 |
| 60 | 1 | 52 | M5 | 14 | 40 | 17 | M5 | 118 | 60 | 31 | 35 | 25 | 3 | 3 | 12 | 10 | 60 | 5 | 16 | 31 | 5 | 60 |
| 2 | 134 | |||||||||||||||||||||
| 90 | 1 | 70 | M6 | 20 | 60 | 25 | M6 | 153.5 | 90 | 35 | 40 | 28 | 2.5 | 12 | 90 | 6 | 22.5 | 42 | 8 | 90 | ||
| 2 | 177 |
因电机差异,部分尺寸略有不同,详情见3D模型。
减速机性能表
| 规格 | 单位 | 段数 | 减速比 | 法兰尺寸 | |
| 60 | 90 | ||||
| 额定输出扭矩TN | Nm | 1 | 3 | 16.5 | 60 |
| 4 | 27 | 86 | |||
| 5 | 27 | 94.5 | |||
| 7 | 19.5 | 64 | |||
| 10 | 8.5 | 39.5 | |||
| 2 | 16 | 30 | 96 | ||
| 20 | |||||
| 25 | 33 | 105.5 | |||
| 28 | 30 | 96 | |||
| 35 | 33 | 105.5 | |||
| 40 | 30 | 96 | |||
| 50 | 33 | 105.5 | |||
| 70 | 21.5 | 71.5 | |||
| 最大输出力矩T2N | Nm | 1、2 | 3~70 | 2倍额定输出扭矩 | |
| 额定输入转速n1N | rpm | 1、2 | 4000 | 3000 | |
| 最大输入转速n1max | rpm | 1、2 | 8000 | 6000 | |
| 效率 | % | 1 | 3~10 | 96 | |
| 2 | 16~70 | 94 | |||
| 平均寿命 | h | 1、2 | 3~70 | 20000 | |
| 精度 |
arcmin | 1 | 3~10 | 15 | |
| 2 | 16~70 | 20 | |||
| 重量 | kg | 1 | 3~10 | 1 | 1.3 |
| 2 | 16~70 | 2.8 | 3.4 | ||
| 噪音 | dB | 1、2 | 3~70 | 60 | 65 |
| 润滑 | — | 1、2 | 合成油脂润滑 | ||
| 防护等级 | — | 1、2 | IP65 | ||
1. 添加筛选条件,生成产品型号
客服
购物车
公众号
微信公众号
订单/资讯随手掌握
微信技术交流服务群
扫码添加进群
浏览记录
问题反馈
置顶
Copyright © 2010-2026 东莞怡合达自动化股份有限公司 版权所有 粤ICP备14032684号
营业执照: 91441900566614589Q