型号筛选
未生成型号,还有 8 项未选择
代码
参数选型
功率(W)
安装方式
产品选型
功率(W)
出力轴径
减速比
电源
刹车器
图片仅供参考,请以已选的规格为准
中型减速机 卧式齿轮减速电机 立式齿轮减速电机 单相 三相 卧式安装
产品型号:
登录后可查看价格、加入购物车、一键购买
立即登录
技术图档
全部型号
3D预览
材质图
参数图
| 代码 | 类型 | 电源 |
| ZMD01 | 卧式齿轮减速电机 | 单相/三相 |
| ZMD02 | 立式齿轮减速电机 |

出力轴尺寸
| SH6 | P | W | T | Q | 键 |
| Ø18 | 30 | 5 | 20 | 25 | 5 ×5 ×25 |
| Ø22 | 40 | 7 | 25 | 35 | 7×7×35 |
| Ø28 | 45 | 7 | 31 | 40 | 7×7×40 |
| Ø32 | 55 | 10 | 35.5 | 50 | 10 ×8 ×50 |
| Ø40 | 65 | 10 | 43.5 | 60 | 10 ×8 ×60 |
| Ø45 | 75 | 12 | 48.8 | 70 | 12×8 ×70 |
| Ø50 | 80 | 14 | 54 | 75 | 14×9 ×75 |
| Ø60 | 90 | 15 | 63.5 | 85 | 15 ×10 ×85 |
选型表
性能表
| 电源 | 三相 |
单相 |
||
| 保护等级 | 全密闭外扇型IP54 | 半封闭外扇区型 | ||
| 外壳材质 | 0. 1-7.5KW | 铝合金 | 0.1-2.2KW | 铝合金 |
| 启动方式 | 全压启动 |
0.1-0.2KW | 运转电容启动 | |
| 0.4-0.75KW | 起动电容启动 + 电子离心开关 |
|||
| 1.5-2.2KW | 起动电容+ 运行电容+ 电子离心开关 |
|||
| 定格 | 连续运转 | |||
| 绝缘等级 | F | |||
| 适用环境 | 温度 :-10 ~ +40℃ 湿度:≤90% | |||
| 适用电压 | 50HZ | 220V,230V, 240V,380V, 400V,415V, 440V |
50HZ | 110V, 115V, 200V,220V, 230V |
| 60HZ | 220V,240V, 380V,415V, 440V,460V, 480V,600V |
60HZ | 110V,220V, 240V |
|
| 适用级数 | 4P |
|||
| 输出转数 (4P) |
50HZ | 1360-1430RPM | 50HZ | 1340-1400RPM |
| 60HZ | 1640-1740RPM | 60HZ | 1610-1720RPM | |
| 依据标准 | IEC-34,CNS-10919ACCORDING TOIEC-34,CNS-10919 | |||
| 海拔 | ≤1000m | |||
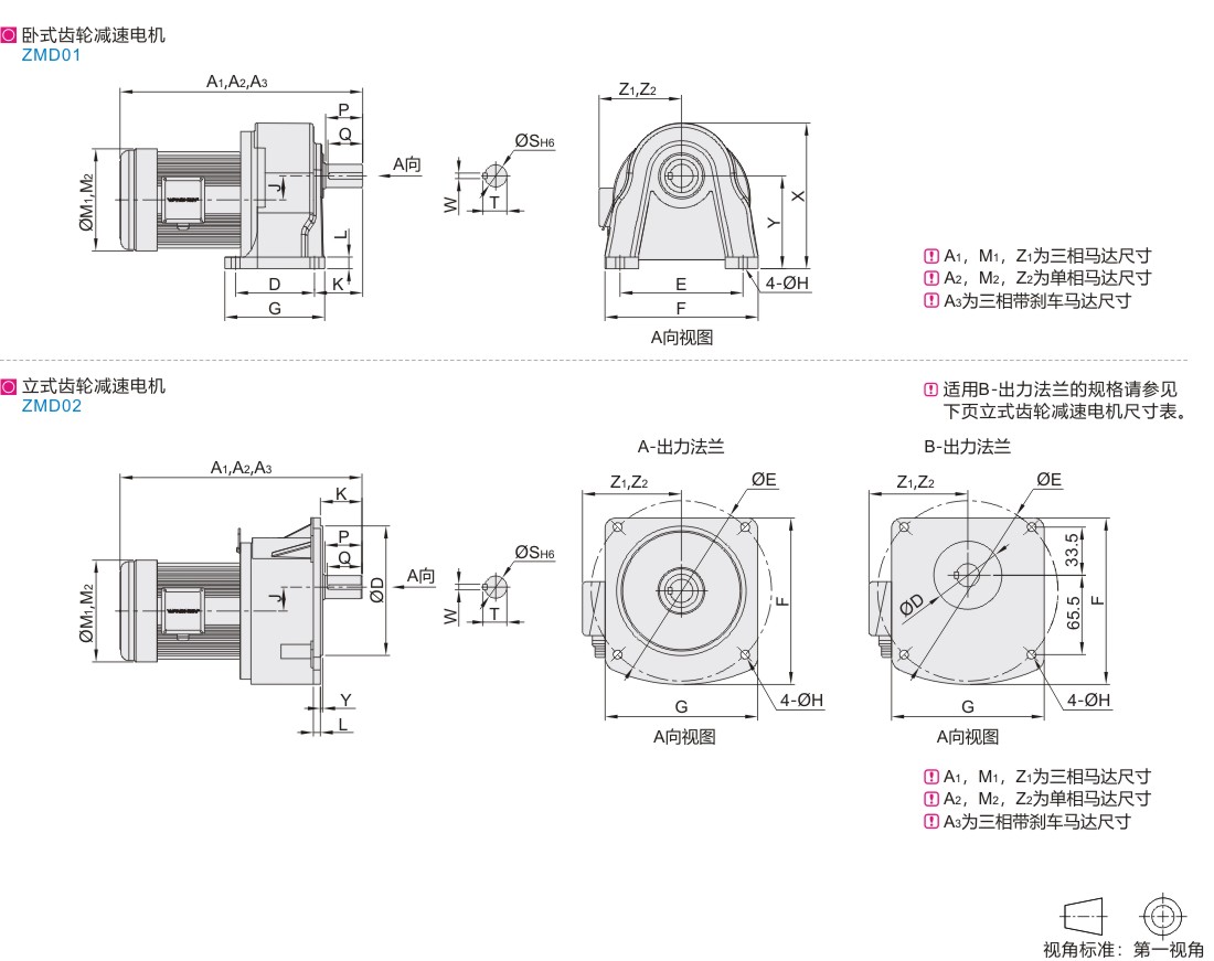
卧式齿轮减速电机尺寸表
| 功率 | 减速比 | 出力轴径 | A1 | A2 | A3 | D | E | F | G | H | L | J | K | M1 | M2 | X | Y | Z1 | Z2 | 重量KG |
| 100W 1/8HP |
5 ~50 | 18 | 253 | 273 | 257 | 40 | 110 | 135 | 65 | 9 | 10 | 16 | 45 | 127 | 127 | 132 | 88.5 | 116 | 116 | 5.3 |
| 60 ~200 | 22 | 287 | 307 | 291 | 65 | 130 | 163 | 90 | 11 | 15 | 18.2 | 56 | 152 | 97.5 | 6.9 | |||||
| 200W 1/4HP |
5 ~ 10 | 18 | 273 | 293 | 277 | 40 | 110 | 135 | 65 | 9 | 10 | 16 | 45 | 132 | 88.5 | 6.7 | ||||
| 15 ~90 | 22 | 307 | 327 | 311 | 65 | 130 | 163 | 90 | 11 | 15 | 18.2 | 56 | 152 | 97.5 | 8.6 | |||||
| 100 ~200 | 28 | 333 | 353 | 337 | 90 | 140 | 180 | 122 | 20.8 | 65 | 180 | 116 | 11 | |||||||
| 400W 1/2HP |
5 ~ 10 | 22 | 327 | 346 | 331 | 65 | 130 | 163 | 90 | 18.2 | 56 | 159 | 152 | 97.5 | 133 | |||||
| 15 ~90 | 28 | 353 | 372 | 357 | 90 | 140 | 180 | 122 | 20.8 | 65 | 180 | 116 | 14 | |||||||
| 100 ~200 | 32 | 388 | 407 | 392 | 130 | 170 | 215 | 160 | 13 | 25 | 30.2 | 76 | 210 | 138.5 | 19.6 | |||||
| 750W 1 HP |
5 ~25 | 28 | 382 | 415 | 382 | 90 | 140 | 180 | 122 | 11 | 15 | 20.8 | 65 | 159 | 190 | 180 | 116 | 133 | 145 | 15 |
| 30 ~ 120 | 32 | 417 | 449 | 417 | 130 | 170 | 215 | 160 | 13 | 25 | 30.2 | 76 | 210 | 138.5 | 21.6 | |||||
| 130 ~200 | 40 | 444 | 476 | 444 | 150 | 210 | 260 | 185 | 15 | 25 | 42.2 | 85 | 248 | 160 | 42 | |||||
| 1500W 2HP |
5 ~25 | 32 | 449 | — | 470 | 130 | 170 | 215 | 160 | 13 | 25 | 30.2 | 76 | 190 | — | 210 | 138.5 | 145 | — | 27.6 |
| 30 ~ 120 | 40 | 476 | 497 | 150 | 210 | 260 | 185 | 15 | 25 | 42.2 | 85 | 248 | 160 | 47 | ||||||
| 130 ~200 | 50 | 517 | 538 | 170 | 265 | 330 | 220 | 19 | 30 | 51.7 | 104 | 315 | 200 | 52 | ||||||
| 2200W 3 HP |
5 ~60 | 40 | 482 | 508 | 150 | 210 | 260 | 185 | 15 | 25 | 42.2 | 85 | 217 | 248 | 160 | 153 | 48 | |||
| 70 ~200 | 50 | 523 | 549 | 170 | 265 | 330 | 220 | 19 | 30 | 51.7 | 104 | 315 | 200 | 55 | ||||||
| 3700W 5 HP |
3 ~ 10 | 40 | 498 | 524 | 150 | 210 | 260 | 185 | 15 | 25 | 42.2 | 85 | 248 | 160 | 50 | |||||
| 15 ~ 180 | 50 | 539 | 565 | 170 | 265 | 330 | 220 | 19 | 30 | 51.7 | 104 | 315 | 200 | 57 | ||||||
| 5500W 7 .5 HP |
5 ~ 10 | 45 | 545 | 585 | 200 | 250 | 310 | 235 | 15 | 30 | 42.2 | 93 | 250 | 265 | 175 | 178 | 78 | |||
| 11 ~30 | 50 | 579 | 619 | 170 | 265 | 330 | 220 | 19 | 30 | 51.7 | 104 | 315 | 200 | 88 | ||||||
| 31 ~60 | 90 | |||||||||||||||||||
| 61 ~ 100 | 60 | 589 | 629 | 115 | 93 | |||||||||||||||
| 7500W 10 HP |
5 ~ 10 | 50 | 619 | 659 | 104 | 99 | ||||||||||||||
| 11 ~30 | 60 | 629 | 669 | 115 | 103 | |||||||||||||||
| 31 ~60 | 110 |
立式齿轮减速电机尺寸表
| 功率 | 减速比 | 出力轴径 | A1 | A2 | A3 | D | E | F | G | H | L | J | K | M1 | M2 | Y | Z1 | Z2 | 重量KG |
| 100W 1/8HP |
5 ~50 | * 18 | 253 | 273 | 257 | 50 | 140 | 120 | 120 | 9 | 12 | 16 | 38 | 127 | 127 | 5 | 116 | 116 | 5.3 |
| 60 ~200 | 22 | 287 | 307 | 291 | 148 | 185 | 170 | 156 | 11 | 18.2 | 49 | 3.5 | 6.9 | ||||||
| 200W 1/4HP |
5 ~ 10 | * 18 | 273 | 293 | 277 | 50 | 140 | 120 | 120 | 9 | 16 | 38 | 5 | ||||||
| 15 ~90 | 22 | 307 | 327 | 331 | 148 | 185 | 170 | 156 | 11 | 18.2 | 49 | 3.5 | 8.6 | ||||||
| 100 ~200 | 28 | 333 | 353 | 337 | 170 | 220 | 195 | 180 | 15 | 20.8 | 57 | 4 | 11 | ||||||
| 400W 1/2HP |
5 ~ 10 | 22 | 327 | 346 | 331 | 148 | 185 | 170 | 156 | 12 | 18.2 | 49 | 159 | 3.5 | 133 | ||||
| 15 ~90 | 28 | 353 | 372 | 357 | 170 | 220 | 195 | 180 | 15 | 20.8 | 57 | 4 | 14 | ||||||
| 100 ~200 | 32 | 388 | 407 | 392 | 185 | 255 | 237 | 215 | 13 | 17 | 30.2 | 67 | 19.4 | ||||||
| 750W 1 HP |
5 ~25 | 28 | 382 | 415 | 382 | 170 | 220 | 195 | 180 | 11 | 15 | 20.8 | 57 | 159 | 190 | 133 | 145 | 15 | |
| 30 ~ 120 | 32 | 417 | 449 | 417 | 185 | 255 | 237 | 215 | 13 | 17 | 30.2 | 67 | 21.4 | ||||||
| 130 ~200 | 40 | 444 | 476 | 444 | 230 | 310 | 300 | 275 | 15 | 20 | 42.2 | 79 | 5 | 42 | |||||
| 1500W 2HP |
5 ~25 | 32 | 449 | — | 470 | 185 | 255 | 237 | 215 | 13 | 17 | 30.2 | 67 | 190 | — | 4 | 145 | — | 27.4 |
| 30 ~ 120 | 40 | 476 | 497 | 230 | 310 | 300 | 275 | 15 | 20 | 42.2 | 79 | 5 | 47 | ||||||
| 130 ~200 | 50 | 517 | 538 | 280 | 390 | 360 | 330 | 19 | 51.7 | 90 | 52 | ||||||||
| 2200W 3 HP |
5 ~60 | 40 | 482 | 508 | 230 | 310 | 300 | 275 | 15 | 42.2 | 79 | 217 | 153 | 48 | |||||
| 70 ~200 | 50 | 523 | 549 | 280 | 390 | 360 | 330 | 19 | 51.7 | 90 | 55 | ||||||||
| 3700W 5 HP |
3 ~ 10 | 40 | 498 | 524 | 230 | 310 | 300 | 275 | 15 | 42.2 | 79 | 50 | |||||||
| 15 ~ 180 | 50 | 539 | 565 | 280 | 390 | 360 | 330 | 19 | 51.7 | 90 | 57 |
带*号规格为B-出力法兰。