型号筛选
可选加工(可选)
未生成型号,还有 6 项未选择
重置
代码
无数据
产品选型
代码
无数据
外形尺寸
无数据
减速比
无数据
d
无数据
C
无数据
E
无数据
M
无数据
价格生成中...
图片仅供参考,请以已选的规格为准
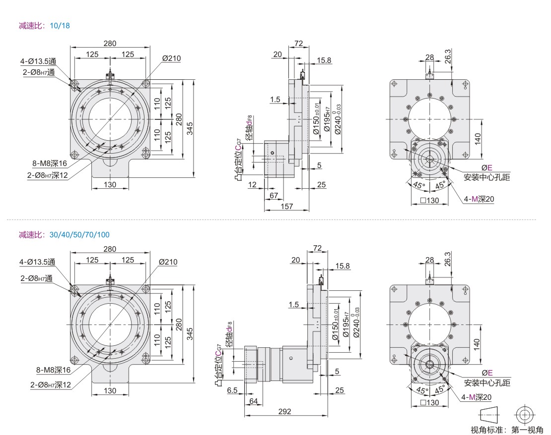
不锈钢中空旋转平台 标准型 外形尺寸280
品牌名称:
怡合达
条件筛选:
产品型号:
未税折扣单价: -- --
含税折扣单价: ----
含税总价 (税率13%): ¥--
预计发货天数:-- 天 (发货天数以下单次日起算,不含周日与法定假日)
购买数量(PCS):
起订量:1PCS
, 加量幅度:1PCS
登录后可查看价格、加入购物车、一键购买
立即登录
价格生成中...
登录后可查看价格、加入购物车、一键购买
立即登录
代码ZNC53的技术资料信息曾有所变更,可前往 型号勘误表 查看变更记录
相似商品
同类人气商品
技术图档
全部型号
3D预览
技术图档
材质图
参数图
| 代码 | 类型 | 适用电机 |
| ZNC53 | 标准型 | 伺服电机 |
产品中不含传感器,仅含传感器支架,图纸仅供参考,
如需传感器,请另行购买。

选型表
| 型号 |
减速比(!) |
电机安装尺寸 |
安装孔M |
||||
| 代码 | 外形尺寸 | 轴径d | 定位凸台C | 安装中心孔距E | |||
| ZNC53 | 280 | 10 18 | 1段 | 22 24 | 110 | 145 | M8 |
| 30 40 50 70 100 | 2段 | ||||||
1段为旋转平台本体。
2段为旋转平台本体+行星减速机组合件。
技术参数
| 轴承结构 | 交叉滚子轴承 | |||
| 减速比 | i | 10 | 18 | 30/40/50/70/100 |
| 额定输出扭矩 | N. m | 200 | 130 | 390 |
| 最大输出扭矩 | N. m | 3倍额定扭矩 | ||
| 定位精度 | arc-min | ≤1 | ≤3 | |
| 反复定位精度 | arc-sec | ≤15 | ≤30 | |
| 容许盘面转速 | rpm | 200(间歇运转) | ||
| 适配伺服电机 | W | 1000 ~3000 | ||
| 容许轴向负载 | N | 10000 | ||
| 容许惯性力矩 | N. m | 200 | ||
| 扭矩刚性 | N. m/arcmin | 58 | ||
| 倾覆力矩 | N. m | 3780 | ||
| 精度寿命 | h | 30000(间歇运转) | ||
| 防护等级 | IP | 50 | ||
| 润滑方式 | 长效润滑 | |||
| 安装方式 | 任意 | |||
| 旋转平台同心度 | mm | ≤0.015 | ||
| 旋转平台平行度 | mm | ≤0.03 | ||
| 传动效率 | % | 95 | 90 | |
| 噪音 | db | ≤67 | ||
| 重量 | kg | 24.2 | 31.5 | |
| 设计承重 | kg | 200 | 130 | 200 |
1. 添加筛选条件,生成产品型号
客服
购物车
小程序
怡合达商城小程序
随身商城一手掌握
公众号
微信公众号
订单/资讯随手掌握
微信技术交流服务群
扫码添加进群
浏览记录
问题反馈
置顶
Copyright © 2010-2026 东莞怡合达自动化股份有限公司 版权所有 粤ICP备14032684号
营业执照: 91441900566614589Q