型号筛选
可选加工(可选)
未生成型号,还有 6 项未选择
重置
代码
无数据
产品选型
代码
无数据
外形尺寸
无数据
减速比(i)
无数据
d
无数据
C
无数据
E
无数据
M
无数据
价格生成中...
图片仅供参考,请以已选的规格为准
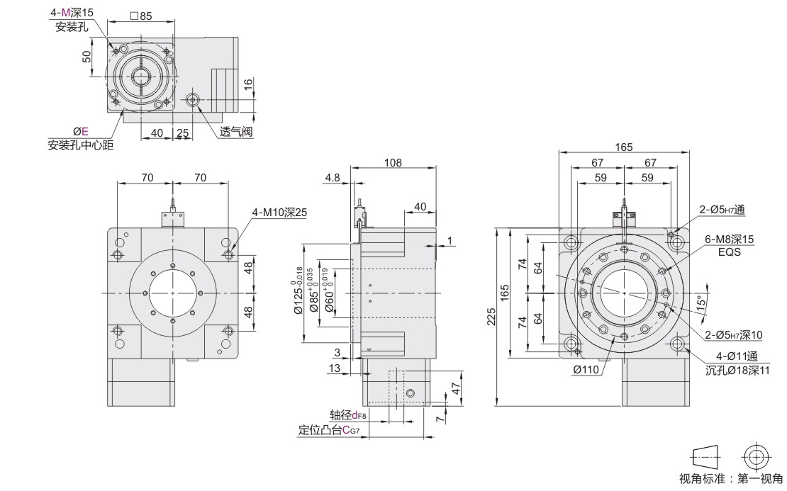
海波齿中空旋转平台 经济型 外形尺寸165
条件筛选:
产品型号:
未税折扣单价: -- --
含税折扣单价: ----
含税总价 (税率13%): ¥--
预计发货天数:-- 天 (发货天数以下单次日起算,不含周日与法定假日)
购买数量(PCS):
起订量:1PCS
, 加量幅度:1PCS
登录后可查看价格、加入购物车、一键购买
立即登录
价格生成中...
登录后可查看价格、加入购物车、一键购买
立即登录
代码ZNC33的技术资料信息曾有所变更,可前往 型号勘误表 查看变更记录
相似商品
同类人气商品
技术图档
全部型号
3D预览
技术图档
技术图档
参数图
| 代码 | 类型 | 外形尺寸 |
| ZNC33 | 海波齿中空旋转平台 | 165 |
产品仅适合水平正装,不适合侧装或倒装使用。
选型表
| 型号 | 减速比(i) | 电机安装尺寸 | 安装孔 M |
适用电机 | |||
| 代码 | 外形尺寸 | 轴径d | 定位凸台C | 安装孔中心距E | |||
| ZNC33 | 165 | 30 | 19 | 70 | 90 | M5 M6 |
伺服电机 |
技术参数
| 代码 | ZNC33 | ||
| 轴承结构 | 交叉滚子轴承 | ||
| 减速比 | i | 30 | |
| 额定输出扭矩 | N.m | 330 | |
| 最大输出扭矩 | N.m | 3倍额定扭矩 | |
| 定位精度 | arc-min | ≤1 | |
| 反复定位精度 | arc-sec | ≤30 | |
| 容许盘面转速 | rpm | 200(间歇运转) | |
| 适配伺服电机 | W | 750 | |
| 容许轴向负载 | N | 13500 | |
| 容许径向负载 | N | 13500 | |
| 设计承重 | Kg | 120 | |
| 容许惯性力矩 | N.m | 110 | |
| 倾覆力矩 | N.m | 1420 | |
| 精度寿命 | h | 20000(间歇运转) | |
| 防护等级 | IP | 50 | |
| 润滑方式 | 长效润滑 | ||
| 安装方式 | 水平安装 | ||
| 旋转平台同心度 | mm | ≤0.01 | |
| 旋转平台平行度 | mm | ≤0.01 | |
| 传动效率 | % | 90 | |
| 噪音 | db | ≤63 | |
| 重量 | Kg | 8.9 | |
1. 添加筛选条件,生成产品型号
客服
购物车
小程序
怡合达商城小程序
随身商城一手掌握
公众号
微信公众号
订单/资讯随手掌握
微信技术交流服务群
扫码添加进群
浏览记录
问题反馈
置顶
Copyright © 2010-2026 东莞怡合达自动化股份有限公司 版权所有 粤ICP备14032684号
营业执照: 91441900566614589Q