型号筛选
可选加工(可选)
未生成型号,还有 7 项未选择
重置
代码
无数据
产品选型
代码
无数据
外形尺寸
无数据
段数
无数据
减速比
无数据
d
无数据
C
无数据
E
无数据
安装孔M
无数据
价格生成中...
图片仅供参考,请以已选的规格为准
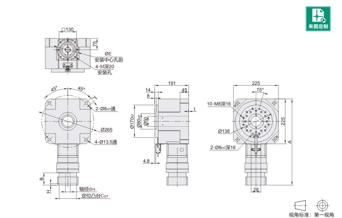
侧轴型中空旋转平台 经济型 外形尺寸225
条件筛选:
产品型号:
未税折扣单价: -- --
含税折扣单价: ----
含税总价 (税率13%): ¥--
预计发货天数:-- 天 (发货天数以下单次日起算,不含周日与法定假日)
购买数量(PCS):
起订量:1PCS
, 加量幅度:1PCS
登录后可查看价格、加入购物车、一键购买
立即登录
价格生成中...
登录后可查看价格、加入购物车、一键购买
立即登录
代码ZNC22的技术资料信息曾有所变更,可前往 型号勘误表 查看变更记录
配件商品
同类人气商品
技术图档
全部型号
3D预览
技术图档
材质图
参数图
| 代码 | 类型 | 外形尺寸 |
| ZNC22 | 侧轴型中空旋转平台 | 225 |

可支持其它电机安装尺寸的定制。
选型表
| 型号 | 段数 |
减速比 |
电机安装尺寸 |
安装孔 M |
A |
B |
H |
适用电机 |
|||
| 代码 | 外形尺寸 | 轴径d | 定位凸台C | 安装中心孔距E | |||||||
| ZNC22 | 225 | 1(单段) | 15 21 30 | 19 | 95 | 115 | M8 | 410 | 64 | 6.5 | 伺服电机 |
| 22 | 110 | 145 | |||||||||
| 2(双段) | 60 90 120 150 210 300 | 19 | 95 | 115 | 445 | 59 | 10 | ||||
| 22 | 110 | 145 | |||||||||
技术参数
| 段数 |
单段 |
双段 |
||||||||
| 轴承结构 | / | 交叉滚子轴承 | ||||||||
| 减速比 | i | 15 | 21 | 30 | 60 | 90 | 120 | 150 | 210 | 300 |
| 额定输出扭矩 | N. m | 1350 | 1000 | 1000 | 1350 | 1350 | 1350 | 1350 | 1350 | 1200 |
| 最大输出扭矩 | N. m | 3倍额定扭矩 | ||||||||
| 定位精度 | arc-min | ≤2 | ≤4 | |||||||
| 反复定位精度 | arc-sec | ≤30 | ≤60 | |||||||
| 容许盘面转速 | rpm | 200(间歇运转) | ||||||||
| 适配伺服电机 | W | 1000~3000 | ||||||||
| 适配步进电机 | / | 110/130步进电机 | ||||||||
| 容许轴向负载 | N | 19500 | ||||||||
| 容许径向负载 | N | 19500 | ||||||||
| 设计承重 | Kg | 480 | ||||||||
| 容许惯性力矩 | N. m | 220 | ||||||||
| 扭矩刚性 | N. m/arcmin | 80 | ||||||||
| 倾覆力矩 | N. m | 2530 | ||||||||
| 精度寿命 | h | 20000(间歇运动) | ||||||||
| 防护等级 | IP | 54 | ||||||||
| 润滑方式 | / | 长效润滑 | ||||||||
| 安装方式 | / | 任意 | ||||||||
| 旋转平台同心度 | mm | ≤0.01 | ||||||||
| 旋转平台平行度 | mm | ≤0.01 | ||||||||
| 传动效率 | % | 95 | 90 | |||||||
| 噪音 | db | ≤67 | ||||||||
| 重量 | Kg | 36 | 39.2 | |||||||
1. 添加筛选条件,生成产品型号
客服
购物车
公众号
微信公众号
订单/资讯随手掌握
微信技术交流服务群
扫码添加进群
浏览记录
问题反馈
置顶
Copyright © 2010-2026 东莞怡合达自动化股份有限公司 版权所有 粤ICP备14032684号
营业执照: 91441900566614589Q