型号筛选
可选加工(可选)
未生成型号,还有 7 项未选择
重置
代码
无数据
产品选型
代码
无数据
外形尺寸
无数据
减速比(i)
无数据
d
无数据
C
无数据
E
无数据
安装孔M
无数据
传感器
无数据
价格生成中...
图片仅供参考,请以已选的规格为准
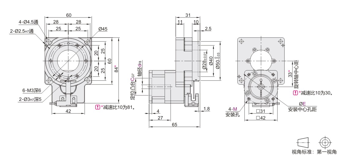
标准型中空旋转平台 外形尺寸60
品牌名称:
怡合达
条件筛选:
产品型号:
未税折扣单价: -- --
含税折扣单价: ----
含税总价 (税率13%): ¥--
预计发货天数:-- 天 (发货天数以下单次日起算,不含周日与法定假日)
购买数量(PCS):
起订量:1PCS
, 加量幅度:1PCS
登录后可查看价格、加入购物车、一键购买
立即登录
价格生成中...
登录后可查看价格、加入购物车、一键购买
立即登录
代码ZNC11的技术资料信息曾有所变更,可前往 型号勘误表 查看变更记录
相似商品
同类人气商品
技术图档
全部型号
3D预览
技术图档
材质图
参数图
| 代码 | 类型 |
| ZNC11 | 标准型中空旋转平台 |

选型表
| 型号 | 减速比(i) | 电机安装尺寸 | 传感器 |
适用电机 | ||||||||||||||||||||||||||||||||||||||||
| 代码 | 外形尺寸 | 轴径d | 定位凸台C | 安装中心孔距E | 安装孔M | |||||||||||||||||||||||||||||||||||||||
| ZNC11 | 60 | 5 10 | 5 | 22 | 43.84 | 3.4 |
无指定(NPN)
P(PNP)
|
42步进电机 | ||||||||||||||||||||||||||||||||||||
| 8 | 30 | 45 | M3 | 50/100W伺服电机 | ||||||||||||||||||||||||||||||||||||||||
| 46 | M4 | |||||||||||||||||||||||||||||||||||||||||||
1段为中空旋转平台本体。
技术参数
| 外形尺寸 | 60 | |
| 支撑轴承结构 | 交叉滚子轴承 | |
| 减速比 |
1段 | |
| 5 | 10 | |
| 额定输出扭矩(N·m) | 7 | 5 |
| 最大输出扭矩(N·m) | 3倍额定扭矩 | |
| 定位精度(arcmin) | ≤1.5 | |
| 重复定位精度(arcsec) | ≤15 | |
| 容许盘面转速(rpm) | 200(间歇运转) | |
| 容许轴向负载(N) | 230 | |
| 容许惯性力矩(N·m) | 5 | |
| 精度寿命(h) | 30000(间歇运转) | |
| 旋转平台同心度(mm) | ≤0.01 | |
| 旋转平台平行度(mm) | ≤0.01 | |
| 传动效率 | 95% | |
| 防护等级 | IP50 | |
| 重量(kg) | 0.6 | |
| 设计承重(kg) | 7 | 4 |
如何阅读规格
①额定输出扭矩
这是用于界定减速器机械部件中机械强度的限值。更改负载后,请务
必在容许扭矩范围内使用该部件。
②容许盘面转速
这是根据减速器机械部件的机械强度确定的中空旋转平台的容许转速。
③定位精度
该值表示中空旋转平台在某一位置正向和反向定位时,停止角度的差值。
④重复定位精度
该值表示在相同位置和相同方向重复定位时会产生多少公差。
⑤容许轴向负载
该值表示中空旋转平台驱动轴方向给定的轴向负载容许值。
⑥容许惯性力矩
在偏离中空旋转平台中心的离心位置施加负载时,就会对中空旋转平台施
力,使其倾斜。这时就意味着力矩容许值按照离心量进行计算,X负载。
⑦旋转平台同心度
这表示中空旋转平台的安装表面空载转动时的最大跳动幅度值。
⑧旋转平台平行度
这表示中空旋转平台的安装表面向中空旋转平台上的机器倾斜的幅度
⑨防护等级
这是基于IEC60529和EN60034-5(=IEC60034-5),对防护结构界定的
防尘和防水等级。
1. 添加筛选条件,生成产品型号
客服
购物车
小程序
怡合达商城小程序
随身商城一手掌握
公众号
微信公众号
订单/资讯随手掌握
微信技术交流服务群
扫码添加进群
浏览记录
问题反馈
置顶
Copyright © 2010-2026 东莞怡合达自动化股份有限公司 版权所有 粤ICP备14032684号
营业执照: 91441900566614589Q