型号筛选
可选加工(可选)
未生成型号,还有 6 项未选择
重置
代码
无数据
产品选型
代码
无数据
外形尺寸
无数据
减速比
无数据
d
无数据
C
无数据
E
无数据
M
无数据
价格生成中...
图片仅供参考,请以已选的规格为准
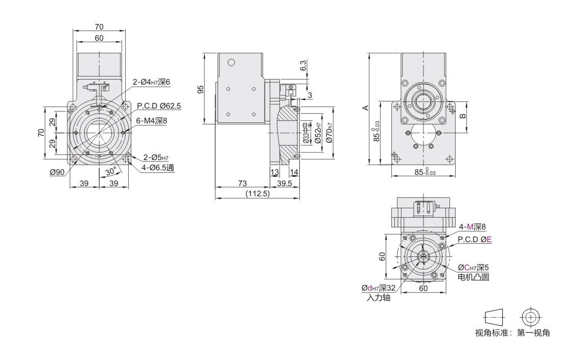
直角一体型中空旋转平台 外形尺寸85
品牌名称:
怡合达
条件筛选:
产品型号:
未税折扣单价: -- --
含税折扣单价: ----
含税总价 (税率13%): ¥--
预计发货天数:-- 天 (发货天数以下单次日起算,不含周日与法定假日)
购买数量(PCS):
起订量:1PCS
, 加量幅度:1PCS
登录后可查看价格、加入购物车、一键购买
立即登录
价格生成中...
登录后可查看价格、加入购物车、一键购买
立即登录
代码ZNC63的技术资料信息曾有所变更,可前往 型号勘误表 查看变更记录
相似商品
同类人气商品
技术图档
全部型号
3D预览
技术图档
材质图
参数图
| 代码 | 类型 | 适用电机 |
| ZNC63 | 直角一体型中空旋转平台 | 步进电机/伺服电机 |

选型表
| 型号 | 减速比 |
电机安装尺寸 | 安装孔M | A | B | 适用电机 | ||||||||||||||||||||||||||||||||||
| 代码 | 外形尺寸 | 轴径d | 定位凸台C | 安装中心孔距E | ||||||||||||||||||||||||||||||||||||
| ZNC63 | 85 | 10 15 25 | 8 | 38.1 | 66.66 | M4 | 153 | 45.5 | 步进电机 | |||||||||||||||||||||||||||||||
| 14 | 50 | 70 | 伺服电机 | |||||||||||||||||||||||||||||||||||||
| M5 | ||||||||||||||||||||||||||||||||||||||||
| 20 30 50 | 8 | 38.1 | 66.66 | M4 | 149.3 | 41.8 | 步进电机 | |||||||||||||||||||||||||||||||||
| 14 | 50 | 70 | 伺服电机 | |||||||||||||||||||||||||||||||||||||
| M5 | ||||||||||||||||||||||||||||||||||||||||
10/15/25减速比为旋转平台本体5比+换向器;20/30/50减速比为旋转平台本体10比+换向器。
技术参数
| 轴承结构 | — | 交叉滚子轴承 |
|||||
| 减速比 | i | 10 | 15 | 25 | 20 | 30 | 50 |
| 额定输出扭矩 | N. m | 28 | 18 | 23 | 20 | 20 | 15 |
| 最大输出扭矩 | N. m | 3倍额定扭矩 | |||||
| 定位精度 | arc-min | ≤3 | |||||
| 反复定位精度 | arc-sec | ≤30 | |||||
| 容许盘面转速 | rpm | 200(间歇运转) | |||||
| 适配伺服电机 | W | 200~400 | |||||
| 适配步进电机 | / | 57 ~60步进电机 | |||||
| 容许轴向负载 | N | 500 | |||||
| 容许惯性力矩 | N. m | 10 | |||||
| 扭矩刚性 | N. m/arcmin | 6 | |||||
| 倾覆力矩 | N. m | 380 | |||||
| 精度寿命 | h | 30000h(间歇运动) | |||||
| 防护等级 | IP | 50 | |||||
| 润滑方式 | / | 长效润滑 | |||||
| 安装方式 | / | 任意 | |||||
| 旋转平台同心度 | mm | ≤0.01 | |||||
| 旋转平台平行度 | mm | ≤0.01 | |||||
| 传动效率 | % | 90 | |||||
| 噪音 | db | ≤63 | |||||
| 重量 | Kg | 2.5 | 2.5 | ||||
| 设计承重 | Kg | 7 | 10 | ||||
1. 添加筛选条件,生成产品型号
客服
购物车
小程序
怡合达商城小程序
随身商城一手掌握
公众号
微信公众号
订单/资讯随手掌握
微信技术交流服务群
扫码添加进群
浏览记录
问题反馈
置顶
Copyright © 2010-2026 东莞怡合达自动化股份有限公司 版权所有 粤ICP备14032684号
营业执照: 91441900566614589Q