型号筛选
可选加工(可选)
未生成型号,还有 6 项未选择
重置
代码
无数据
产品选型
代码
无数据
外形尺寸
无数据
减速比
无数据
d
无数据
C
无数据
E
无数据
M
无数据
价格生成中...
图片仅供参考,请以已选的规格为准
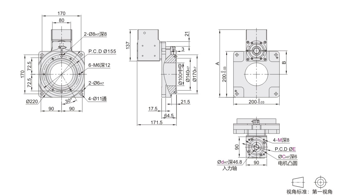
直角一体型中空旋转平台 外形尺寸200
品牌名称:
怡合达
条件筛选:
产品型号:
未税折扣单价: -- --
含税折扣单价: ----
含税总价 (税率13%): ¥--
预计发货天数:-- 天 (发货天数以下单次日起算,不含周日与法定假日)
购买数量(PCS):
起订量:1PCS
, 加量幅度:1PCS
登录后可查看价格、加入购物车、一键购买
立即登录
价格生成中...
登录后可查看价格、加入购物车、一键购买
立即登录
代码ZNC67的技术资料信息曾有所变更,可前往 型号勘误表 查看变更记录
相似商品
同类人气商品
技术图档
全部型号
3D预览
技术图档
材质图
参数图
| 代码 | 类型 | 适用电机 |
| ZNC67 | 直角一体型中空旋转平台 | 步进电机/伺服电机 |

选型表
| 型号 | 减速比 |
电机安装尺寸 | 安装孔M | A | B | 适用电机 | ||||||||||||||||||||||||||||||||||
| 代码 | 外形尺寸 | 轴径d | 定位凸台C | 安装中心孔距E | ||||||||||||||||||||||||||||||||||||
| ZNC67 | 200 | 20 30 50 | 14 | 73 | 98.43 | M5 | 294.5 | 102.5 | 步进电机 | |||||||||||||||||||||||||||||||
| 19 | 70 | 90 | 伺服电机 | |||||||||||||||||||||||||||||||||||||
| M6 | ||||||||||||||||||||||||||||||||||||||||
20/30/50减速比为旋转平台本体5比+换向器。
技术参数
| 轴承结构 | — | 交叉滚子轴承 |
||
| 减速比 | i | 20 | 30 | 50 |
| 额定输出扭矩 | N. m | 70 | 70 | 50 |
| 最大输出扭矩 | N. m | 3倍额定扭矩 | ||
| 定位精度 | arc-min | ≤3 | ||
| 反复定位精度 | arc-sec | ≤30 | ||
| 容许盘面转速 | rpm | 200(间歇运转) | ||
| 适配伺服电机 | W | 750 ~ 1000 | ||
| 适配步进电机 | / | 86 ~ 110步进电机 | ||
| 容许轴向负载 | N | 4000 | ||
| 容许惯性力矩 | N. m | 100 | ||
| 扭矩刚性 | N. m/arcmin | 32 | ||
| 倾覆力矩 | N. m | 2600 | ||
| 精度寿命 | h | 30000h(间歇运动) | ||
| 防护等级 | IP | 50 | ||
| 润滑方式 | / | 长效润滑 | ||
| 安装方式 | / | 任意 | ||
| 旋转平台同心度 | mm | ≤0.01 | ||
| 旋转平台平行度 | mm | ≤0.02 | ||
| 传动效率 | % | 90 | ||
| 噪音 | db | ≤63 | ||
| 重量 | Kg | 12.5 | ||
| 设计承重 | Kg | 40 | ||
1. 添加筛选条件,生成产品型号
客服
购物车
小程序
怡合达商城小程序
随身商城一手掌握
公众号
微信公众号
订单/资讯随手掌握
微信技术交流服务群
扫码添加进群
浏览记录
问题反馈
置顶
Copyright © 2010-2026 东莞怡合达自动化股份有限公司 版权所有 粤ICP备14032684号
营业执照: 91441900566614589Q