图片仅供参考,请以已选的规格为准
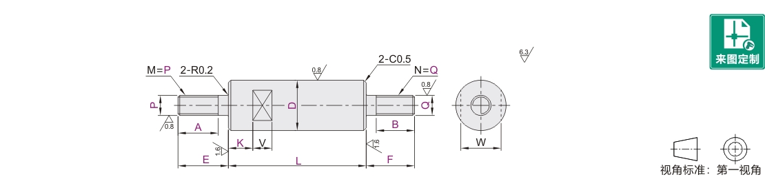
转轴 两端台阶型 两端外螺纹型 带扳手槽型 g6/h7/h9
条件筛选:
产品型号:
未税折扣单价: -- --
含税折扣单价: ----
含税总价 (税率13%): ¥--
预计发货天数:-- 天 (发货天数以下单次日起算,不含周日与法定假日)
购买数量():
起订量:0
, 加量幅度:0
登录后可查看价格、加入购物车、一键购买
立即登录
价格生成中...
登录后可查看价格、加入购物车、一键购买
立即登录
代码的技术资料信息曾有所变更,可前往 型号勘误表 查看变更记录
相似商品
同类人气商品
引导式选型
型号筛选
可选加工(可选)
未生成型号,还有 14 项未选择
重置
代码
无数据
参数选型
D公差
无数据
P公差
无数据
材质
无数据
表面处理
无数据
产品选型
代码
无数据
D
无数据
L
E
F
A
B
P
无数据
Q
无数据
K
价格生成中...
技术图档
全部型号
3D预览
可选加工参数
产品简介
材质图
参数图
可选加工参数

产品简介
1. 添加筛选条件,生成产品型号
客服
购物车
公众号
微信公众号
订单/资讯随手掌握
微信技术交流服务群
扫码添加进群
浏览记录
问题反馈
置顶
Copyright © 2010-2025 东莞怡合达自动化股份有限公司 版权所有 粤ICP备14032684号
营业执照: 91441900566614589Q