图片仅供参考,请以已选的规格为准
海康 工业面阵相机 CA系列 进阶型 GigE接口 常规型
品牌名称:
海康
条件筛选:
产品代码:
有 14 个备选型号
无数据
产品型号:
未税折扣单价: -- --
含税折扣单价: ----
含税总价 (税率13%): ¥--
预计发货天数:-- 天 (发货天数以下单次日起算,不含周日与法定假日)
购买数量():
起订量:0
, 加量幅度:0
登录后可查看价格、加入购物车、一键购买
立即登录
价格生成中...
登录后可查看价格、加入购物车、一键购买
立即登录
代码的技术资料信息曾有所变更,可前往 型号勘误表 查看变更记录
配件商品
同类人气商品
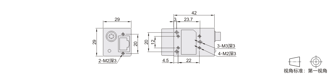
技术图档
全部型号
3D预览
技术图档
材质图
参数图
| 代码 | 类型 | 通讯接口 | |
| MV-CA | 海康工业面阵相机 | CA系列(进阶型) | GigE |
产品特点:
系列以全局快门传感器为主 ,覆盖主流应用需求;
支持自定义ROI ,通过降低分辨率提高帧率 ,支持镜像输出;
支持Binning模式 ,可提升相机灵敏度;
千兆网接口 ,最大传输距离可到100m(无中继);
兼容GigE Vision V2 .0协议及GenlCam标准 ,能与第三方软件平台无缝连接。
选型表
| 型号 | 像素(万) | 颜色模式 | 芯片类型 | 芯片型号 | 芯片尺寸 | 像元尺寸 (μm) |
快门类型 | 分辨率 | 最大帧率 (fps) |
数字I/O 接头 |
| MV-CA004-10GM | 40 | 黑白 | CMOS | IMX287 | 1/2.9" | 6.9 | Global | 720×540 | 312.9 | 6芯 |
| MV-CA004-10GC | 彩色 | |||||||||
| MV-CA013-20GM | 130 | 黑白 | PYTHON1300 | 1/2" | 4.8 | 1280×1024 | 90 | |||
| MV-CA013-20GC | 彩色 | |||||||||
| MV-CA016-10GM | 160 | 黑白 | IMX273 | 1/2.9" | 3.45 | 1440×1080 | 78.2 | |||
| MV-CA016-10GC | 彩色 | |||||||||
| MV-CA020-10GM | 200 | 黑白 | IMX430 | 1/1.7" | 4.5 | 1624×1240 | 60 | |||
| MV-CA020-10GC | 彩色 | |||||||||
| MV-CA023-10GM | 230 | 黑白 | IMX249 | 1/1.2" | 5.86 | 1920×1200 | 41 | |||
| MV-CA023-10GC | 彩色 | |||||||||
| MV-CA032-10GM | 320 | 黑白 | IMX265 | 1/1.8" | 3.45 | 2048×1536 | 37.5 | |||
| MV-CA032-10GC | 彩色 | |||||||||
| MV-CA050-20GM | 500 | 黑白 | PYTHON5000 | 1" | 4.8 | 2592×2048 | 22 | |||
| MV-CA050-20GC | 彩色 |
相机为裸机,如需线材,请另行购买。
1. 添加筛选条件,生成产品型号
客服
购物车
小程序
怡合达商城小程序
随身商城一手掌握
公众号
微信公众号
订单/资讯随手掌握
微信技术交流服务群
扫码添加进群
浏览记录
问题反馈
置顶
Copyright © 2010-2026 东莞怡合达自动化股份有限公司 版权所有 粤ICP备14032684号
营业执照: 91441900566614589Q