型号筛选
可选加工(可选)
未生成型号,还有 3 项未选择
重置
代码
无数据
产品选型
代码
无数据
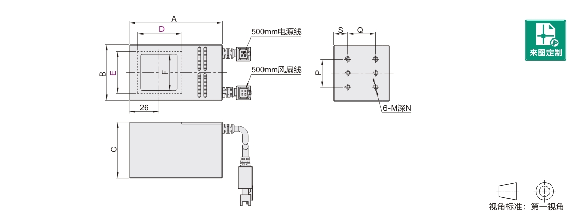
D
无数据
E
无数据
发光颜色
无数据
价格生成中...
图片仅供参考,请以已选的规格为准
同轴光源 高亮型
品牌名称:
怡合达
条件筛选:
产品型号:
未税折扣单价: -- --
含税折扣单价: ----
含税总价 (税率13%): ¥--
预计发货天数:-- 天 (发货天数以下单次日起算,不含周日与法定假日)
购买数量(PCS):
起订量:1PCS
, 加量幅度:1PCS
登录后可查看价格、加入购物车、一键购买
立即登录
价格生成中...
登录后可查看价格、加入购物车、一键购买
立即登录
代码NHS22的技术资料信息曾有所变更,可前往 型号勘误表 查看变更记录
配件商品
同类人气商品
技术图档
全部型号
3D预览
技术图档
材质图
参数图
| 代码 | 类型 | 亮度 | 材质 |
表面处理 | |
| 主体 | 漫射板 | 主体 | |||
| NHS22 | 同轴光源 | 高亮 | 铝合金 | 亚克力板 | 黑色阳极氧化 |
产品特点:
● 采用大功率贴片灯珠,比普通同轴光源亮4倍以上;
● 采用散热片加风扇双重散热设计,充分保证产品散热和使用寿命。
应用范围:
● Mark点定位;
● 反光件表面凹坑、损伤、缺陷检测;
● 印刷电路板各种字符、图案检测;
● 二维码识别。
备注:
● 光源配有标准3米延长线,特殊长度和材质需要备注或另外咨询;
● 光源不含光源控制器,光源控制器需另外选型下单;
● 光源需接直流24V电压,选配输出直流24V电压的光源控制器或接设备上稳定的直流24V电压;
● 光源线正负极区分:白色/红色为“正极”,黑色为“负极”。

1. 添加筛选条件,生成产品型号
客服
购物车
公众号
微信公众号
订单/资讯随手掌握
微信技术交流服务群
扫码添加进群
浏览记录
问题反馈
置顶
Copyright © 2010-2026 东莞怡合达自动化股份有限公司 版权所有 粤ICP备14032684号
营业执照: 91441900566614589Q