型号筛选
可选加工(可选)
未生成型号,还有 2 项未选择
重置
代码
无数据
产品选型
代码
无数据
D
无数据
发光颜色
无数据
价格生成中...
图片仅供参考,请以已选的规格为准
AOI光源 标准型
品牌名称:
怡合达
条件筛选:
产品型号:
未税折扣单价: -- --
含税折扣单价: ----
含税总价 (税率13%): ¥--
预计发货天数:-- 天 (发货天数以下单次日起算,不含周日与法定假日)
购买数量(PCS):
起订量:1PCS
, 加量幅度:1PCS
登录后可查看价格、加入购物车、一键购买
立即登录
价格生成中...
登录后可查看价格、加入购物车、一键购买
立即登录
代码NHS81的技术资料信息曾有所变更,可前往 型号勘误表 查看变更记录
配件商品
同类人气商品
技术图档
全部型号
3D预览
技术图档
材质图
参数图
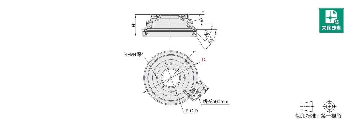
| 代码 | 类型 | 亮度 | 材质 |
表面处理 | |
| 主体 | 漫射板 |
主体 | |||
| NHS81 | AOI光源 | 标准 | 铝合金 | 亚克力板(黑色) | 黑色阳极氧化 |
产品特点:
● 红绿蓝三种颜色光按照特定不同角度照射;
● 多色多角度照射,能准确反映物体表面坡度信息;
● AOI专用、多用于焊锡检测。
应用范围:
● 专用于电路板焊锡检测;
● 多层次物体检测;
● 旋转体形状缺陷检测。
备注:
● 光源附件配有标准3米延长线,特殊长度和材质需要备注或另外咨询;
● 光源不含光源控制器,光源控制器需另外选型下单;
● 光源需接直流24V电压,选配输出直流24V电压的光源控制器或接设备上稳定的直流24V电压;
● 光源线正负极区分:白色/红色为“正极”黑色为“负极”。

1. 添加筛选条件,生成产品型号
客服
购物车
公众号
微信公众号
订单/资讯随手掌握
微信技术交流服务群
扫码添加进群
浏览记录
问题反馈
置顶
Copyright © 2010-2026 东莞怡合达自动化股份有限公司 版权所有 粤ICP备14032684号
营业执照: 91441900566614589Q