ZJF47-Y65-P
复制
型号筛选
可选加工(可选)
型号已生成
重置
代码
无数据
种类筛选
产品选型
代码
无数据
规格
无数据
输出模式
无数据
价格生成中...
图片仅供参考,请以已选的规格为准
怡合达自营 槽型传感器 高性价比型 标准型 插件式 有效检测槽宽5mm
品牌名称:
怡合达
条件筛选:
产品型号:
ZJF47-Y65-P
未税折扣单价: -- --
含税折扣单价: ----
含税总价 (税率13%): ¥--
预计发货天数:-- 天 (发货天数以下单次日起算,不含周日与法定假日)
购买数量(PCS):
起订量:1PCS
, 加量幅度:1PCS
登录后可查看价格、加入购物车、一键购买
立即登录
价格生成中...
登录后可查看价格、加入购物车、一键购买
立即登录
代码ZJF47的技术资料信息曾有所变更,可前往 型号勘误表 查看变更记录
相似商品
同类人气商品
技术图档
全部型号
3D预览
技术图档
材质图
参数图
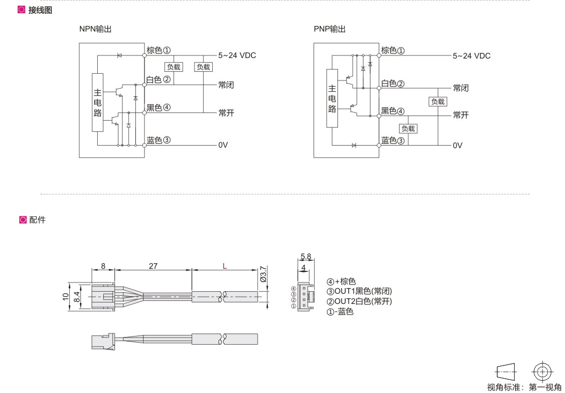
传感器
| 代码 | 类型 |
槽宽 | |
| ZJF47 | 标准型 | 插件式 | 5mm |
特点:
● 种类丰富,形状多达6种,可以从中选出满足您安装条件的型号;
● 电压范围:5~24VDC;
● 3KHz高速响应;
此槽型传感器属于插件式,如需连接线缆请单独购买。
配件
| 代码 | 类型 |
适用槽型传感器 | |
| ZJF96 | 接线头 | 4 PIN母端 | ZJF47 |


ZJF47
| 型号 | 输出模式 | 适用 接线头 |
重量 (g) |
|||||||||||||||||
| 代码 | 规格 | |||||||||||||||||||
| ZJF47 | K65 | N(NPN) P(PNP) |
ZJF96 | ≈2 | ||||||||||||||||
| L65 | ||||||||||||||||||||
| T65 | ||||||||||||||||||||
| Y65 | ||||||||||||||||||||
| F65 | ||||||||||||||||||||
| R65 | ||||||||||||||||||||
ZJF96
| 型号 |
L(m) |
|
| 代码 | 规格 | |
| ZJF96 | 无指定(标准) | 无指定(2m) 5(5m) |
| GR(高柔) | ||
技术参数
| 检测距离 | 5mm(槽宽) |
| 标准检测物 | 0.8×1.2mm以上的不透明体 |
| 重复精度 | 0.03mm以下 |
| 开关模式 | L.on(入光动作)/D.on(遮光动作)可切换 |
| 指示灯 | 橙色LED(入光时亮灯) |
| 响应频率 | 3KHz |
| 响应时间 | ≤0.3ms |
| 光源 | 红外LED(940nm) |
| 工作电压 | 5~24VDC |
| 残留电压 | 1V以下(负载电流100mA时) |
| 消耗电流 | ≤8mA |
| 保护电路 | 浪涌保护,反极性保护 |
| 环境光度 | 受光面照度白炽灯:1000Lux以下 |
| 环境温度 | 工作时:-25℃~+55℃保存时:-30℃~+80℃,无冻结 |
| 环境湿度 | 工作时:5%~85%RH保存时:5%~95%RH,无凝结 |
| 耐电压 | AC1000V1分钟,所有电源连接端子与外壳之间 |
| 耐震动 | 10~2000Hz,振幅1.5mm,X、Y、Z方向各2小时 |
| 绝缘电阻 | 所有电源连接端子与外壳之间,20MΩ以上(基于250VDC) |
| 防护等级 | IP50 |
| 材质 | ABS+PC |
请先筛选参数,生成产品型号
客服
购物车
公众号
微信公众号
订单/资讯随手掌握
微信技术交流服务群
扫码添加进群
浏览记录
问题反馈
置顶
Copyright © 2010-2026 东莞怡合达自动化股份有限公司 版权所有 粤ICP备14032684号
营业执照: 91441900566614589Q