ZVA17-101-01
复制
型号筛选
可选加工(可选)
型号已生成
重置
代码
无数据
产品选型
代码
无数据
规格
无数据
通讯方式
无数据
价格生成中...
图片仅供参考,请以已选的规格为准
读写器 半导体专用 低频•方形
品牌名称:
怡合达
条件筛选:
产品型号:
ZVA17-101-01
未税折扣单价: -- --
含税折扣单价: ----
含税总价 (税率13%): ¥--
预计发货天数:-- 天 (发货天数以下单次日起算,不含周日与法定假日)
购买数量(PCS):
起订量:1PCS
, 加量幅度:1PCS
登录后可查看价格、加入购物车、一键购买
立即登录
价格生成中...
登录后可查看价格、加入购物车、一键购买
立即登录
代码ZVA17的技术资料信息曾有所变更,可前往 型号勘误表 查看变更记录
相似商品
同类人气商品
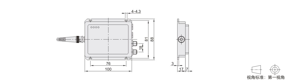
技术图档
全部型号
3D预览
技术图档
材质图
参数图
| 代码 | 类型 | 适用频段 | 外形 | |||||||
| ZVA17 | 读写器 | 低频 | 方形 | |||||||
特点
工作频率为134.2kHz,支持标准工业半导体HSMS、SESC标准,读写速度快,工作稳定;
支持RS-485(Modbus RTU)、POE(Modbus TCP)通信方式,方便企业大规模批量组网应用;
Modbus或半导体工业数据协议,数据采集稳定、可靠;
支持标准工业半导体HSMS(或者Modbus TCP)标准工业半导体SECS(或者Modbus RTU)、
还支持1和N协议,方便用户应用到半导体加工控制器或PLC等系统中。
同一套半导体读写器可以分别支持RS232、RS485、TCP通讯方式,采购线缆不一样,即可支持
对应的通讯方式(软件配置上更改即可)。

选型表
| 型号 | 通讯方式 | 外壳材质 | 读写距离 | 搭配标签 (必选) |
搭配天线 (标配) |
|||||||||||||||||||||||
| 代码 | 规格 | |||||||||||||||||||||||||||
| ZVA17 | 101 | 01(RS485) 02(TCP/IP) 04(RS232) |
塑料外壳 | 0~80mm | ZVA08 | ZVA21 | ||||||||||||||||||||||
标签需另行购买。
技术参数
| 无线协议 | HSMS(或者Modbus TCP)、SECS(或者Modbus RTU)、1和N协议 | ||||||||||||||||||||||||||||||||
| 工作频率 | 134.2kHz | ||||||||||||||||||||||||||||||||
| 支持区域 | 中国SRRC、北美FCC、欧盟R&TTE指令 | ||||||||||||||||||||||||||||||||
| 读取距离 | 0~80mm(与天线、标签有关) | ||||||||||||||||||||||||||||||||
| 通讯接口 | RS-485、RS-232、POE | ||||||||||||||||||||||||||||||||
| 串口通讯速率 | 最高115.2kbit/s | ||||||||||||||||||||||||||||||||
| 以太网通讯速率 | 10/100M自适应 | ||||||||||||||||||||||||||||||||
| 电源电压 | DC24V±10% | ||||||||||||||||||||||||||||||||
| 平均电流 | <0.1A@24VDC | ||||||||||||||||||||||||||||||||
| 射频端口 | SMA母头(外螺纹内孔) | ||||||||||||||||||||||||||||||||
| 指示灯 | 2个LED指示灯 | ||||||||||||||||||||||||||||||||
| 整机重量 | 260g | ||||||||||||||||||||||||||||||||
| 固定类型 | 螺丝固定 | ||||||||||||||||||||||||||||||||
| 壳体颜色 | 银黑磨砂 | ||||||||||||||||||||||||||||||||
| 工作温度 | -40℃~70℃ | ||||||||||||||||||||||||||||||||
| 存储温度 | -40℃~85℃ | ||||||||||||||||||||||||||||||||
| 工作湿度 | 5%~95%RH(无凝露) | ||||||||||||||||||||||||||||||||
| 防水防尘等级 |
IP67 | ||||||||||||||||||||||||||||||||
| 跌落实验 |
GB/T2423.8-1995 | ||||||||||||||||||||||||||||||||
| 抗振动 | GB/T2423.10-2008 | ||||||||||||||||||||||||||||||||
| 认证 | CE、FCC、SRRC | ||||||||||||||||||||||||||||||||
请先筛选参数,生成产品型号
客服
购物车
小程序
怡合达商城小程序
随身商城一手掌握
公众号
微信公众号
订单/资讯随手掌握
微信技术交流服务群
扫码添加进群
浏览记录
问题反馈
置顶
Copyright © 2010-2026 东莞怡合达自动化股份有限公司 版权所有 粤ICP备14032684号
营业执照: 91441900566614589Q