型号筛选
可选加工(可选)
未生成型号,还有 5 项未选择
重置
代码
无数据
产品选型
代码
无数据
锁定解锁方式
无数据
配置
无数据
输出方式
无数据
编码方式
无数据
线长
无数据
价格生成中...
图片仅供参考,请以已选的规格为准
怡合达自营 高性能安全门锁 小型 门锁主体 操作钥匙 配套
品牌名称:
怡合达
条件筛选:
产品型号:
未税折扣单价: -- --
含税折扣单价: ----
含税总价 (税率13%): ¥--
预计发货天数:-- 天 (发货天数以下单次日起算,不含周日与法定假日)
购买数量(PCS):
起订量:1PCS
, 加量幅度:1PCS
登录后可查看价格、加入购物车、一键购买
立即登录
价格生成中...
登录后可查看价格、加入购物车、一键购买
立即登录
代码ZKL32的技术资料信息曾有所变更,可前往 型号勘误表 查看变更记录
相似商品
同类人气商品
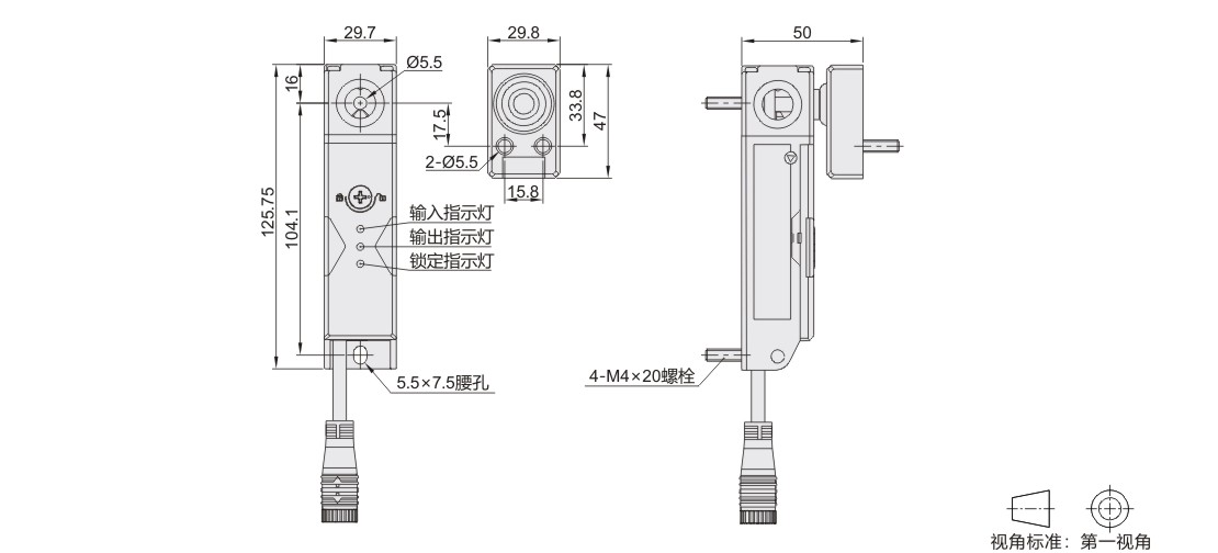
技术图档
全部型号
3D预览
技术图档
产品使用说明书
材质图
参数图
| 代码 | 类型 | 头部材质 | 电磁铁电压 |
| ZKL32 | 小型 | 金属 | DC24V |
特点:
● 多重功能:同时具备机构锁定和监控功能;
● 具备RFID检测技术:具有更高的安全性和保密性,感应器和标签之间可选用通用编码和唯一编码方式;
● 采用自检交叉互检设计:周期性的双重互检提高安全性;
● 独立余双输出:防止单个回路失效引起安全隐患;
● 安装灵活:可实现在不超过30mm的铝框上直接安装,不需支架。

选型表
| 型号 |
配置 |
输出方式 |
编码方式 |
线长 |
安全输出 通道 |
AUX 输出通道 |
安全 输入通道 |
锁定 输入通道 |
EDM |
复位 |
|
| 代码 | 锁定解锁方式 | ||||||||||
| ZKL32 | A(机械锁定 ,电磁解锁) B(电磁锁定 ,机械解锁) |
L(标准型) | N (NPN) P (PNP) |
0(通用编码) 1(唯一编码) |
无指定(3m) 5(5m) 10(10m) |
有 | 有 | 有 | 有 | 无 | 无 |
| H(高级型) | 有 | 有 | |||||||||
机械锁定/电磁解锁:操作钥匙插入后,安全控制回路的触点闭合(常闭触点),操作钥匙被“机械锁定结构”自动锁定,不能拔出。当对“内部电磁铁”供电后,
“机械锁定结构”解锁,操作钥匙才能正常拔出,操作钥匙拔出后,安全控制回路的触点断开。
电磁锁定/机械解锁:操作钥匙插入后,此时操作钥匙仍可正常拔出,只有当对“内部电磁铁”供电后,操作钥匙才被锁定,不能拔出,且安全控制回路的触点闭
合(常闭触点)。当“内部电磁铁”断电后,“电磁锁定结构”解锁,操作钥匙可拔出。
电磁锁定/机械解锁:即使“内部电磁铁”在得电状态,也可通过释放工具将机械锁定旋钮由LOCK位置转到UNLOCK位置解除锁定,此时操作钥匙也可正常拔出,操作钥匙拔出后,安全控制回路的触点断开。
技术参数
| 标准 | ISO 13849-1; IEC/EN60947-5-3 | |
| 认证 | CE CQC | |
| 安全输出 | NPN×2/ PNP×2 | |
| 响应时间 | 锁定→解除锁定 | 100ms(独立工作) |
| 解除锁定→锁定 | ||
| 锁定 | 锁定保持力Fzh | ≥2000N |
| 锁栓插入偏差 | ≤2mm | |
| 机械耐久力 | >100万次(门操作速度1m/s) | |
| 操作频率 | 1Hz | |
| 旋转门最小使用半径 | ≥220mm | |
| 手动解锁 | 正面 、背面 | |
| 控制 输出 (OSSD输出) |
输出类型 | 晶体管输出×2 |
| 最大负载电流 | ≤200mA | |
| 残余电压(ON时) | <2.5V@200mA | |
| OFF时电压 | ≤2V@线缆5m | |
| 泄露电流 | ≤0.5mA | |
| 最大负载容量 | 2.2uF | |
| 负载连接电阻 | ≤2.5Ω | |
| AUX输出 (非安全输出) |
输出类型 | 晶体管输出 |
| 最大负载电流 | 50mA | |
| 残余电压( ON时) | ≤2.5V@50mA | |
| 外部输入 (断路电流) |
安全输入 | 1.5mA×2 |
| 复位/EDM输入 | 约10mA×1 | |
| 锁定控制输入 | 约10mA×1 | |
| OSSD动作切换输入 | 约10mA×1 | |
| 电源 | 工作电压 | DC24V±15% |
| 额定功率 | 4.6W(空载) | |
| 保护 |
安全断路保护、电流限制、过载保护、过压 保护、过热保护停止和重启、反极性保护、 瞬态噪声保护、失效脉冲保护 |
|
| 环境抗 耐性 |
外壳防护等级 | IP65 |
| 动作环境温度 | -20℃~55℃(无冻结) | |
| 存放环境温度 | -25℃~70℃(无冻结) | |
| 动作环境湿度 | 5% ~95%RH | |
| 存放环境湿度 | 5% ~95%RH | |
| 耐振动 |
10~55Hz、双振幅2.0mm、X、Y、Z 各方向5分钟(IEC60947-5-3) |
|
| 耐冲击 | 30g X、Y、Z各方向6次( IEC60947-5-3) | |
| 风险时间 | 100ms | |
| 启动时间 | 3.5s | |
| 材质 | 尼龙/锌合金/不锈钢 | |
接线图

指示灯说明


产品使用说明书
1. 添加筛选条件,生成产品型号
客服
购物车
公众号
微信公众号
订单/资讯随手掌握
微信技术交流服务群
扫码添加进群
浏览记录
问题反馈
置顶
Copyright © 2010-2026 东莞怡合达自动化股份有限公司 版权所有 粤ICP备14032684号
营业执照: 91441900566614589Q