型号筛选
可选加工(可选)
未生成型号,还有 1 项未选择
重置
代码
无数据
产品选型
代码
无数据
触点类型
无数据
价格生成中...
图片仅供参考,请以已选的规格为准
怡合达自营 安全门开关 小型 安全开关
品牌名称:
怡合达
条件筛选:
产品型号:
未税折扣单价: -- --
含税折扣单价: ----
含税总价 (税率13%): ¥--
预计发货天数:-- 天 (发货天数以下单次日起算,不含周日与法定假日)
购买数量(PCS):
起订量:1PCS
, 加量幅度:1PCS
登录后可查看价格、加入购物车、一键购买
立即登录
价格生成中...
登录后可查看价格、加入购物车、一键购买
立即登录
代码ZKL22的技术资料信息曾有所变更,可前往 型号勘误表 查看变更记录
相似商品
同类人气商品
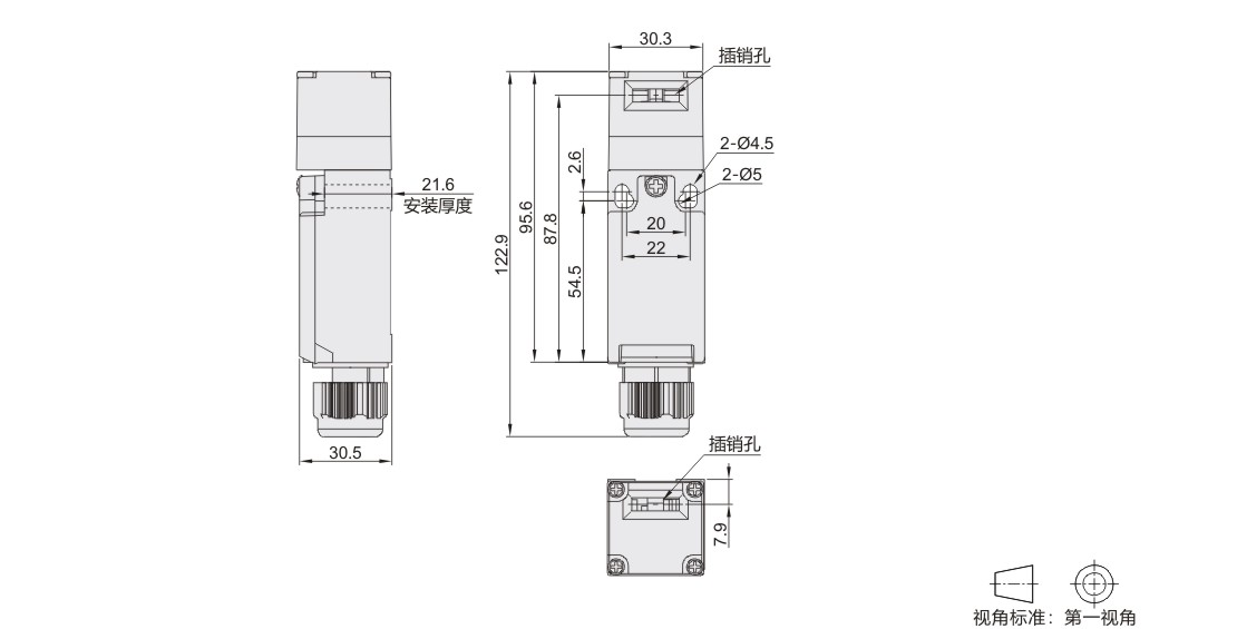
技术图档
全部型号
3D预览
技术图档
材质图
参数图
| 代码 | 类型 | 头部材质 | 导管口尺寸 |
| ZKL22 | 小型 | 树脂 | M20 |
特点:
● 外形小巧轻盈,安装便利,触点配置多样;
● 适配多种操作钥匙,为在防护门上的安装方式;
● 提供了各种不同的选择,因此应用范围广泛。
不具备锁定功能!

选型表
| 型号 | 门监控 | 适配操作钥匙 代码(必选) |
适配门栓代码 (非必选) |
||||||||||||||||
| 代码 | 触点类型 | ||||||||||||||||||
| ZKL22 | CO | 1NC+1NO | ZKL30 | ZKL34 | |||||||||||||||
| 2C | 2NC | ||||||||||||||||||
| 2CO | 2NC+1NO | ||||||||||||||||||
| 3C | 3NC | ||||||||||||||||||
技术参数
| 适用标准 | IEC/EN60947-5-1/GB14048.5-2017 |
| 保护等级 | IP67(EN60947-5-1 ,钥匙操作孔除外) |
| 使用类别 | AC-15 |
| 使用寿命 |
机械100万次以上 |
| 电器30万次以上 | |
| 额定绝缘电压(Ui) | 400V |
| 额定冲击耐受电压(Uimp) | 4kV |
| 额定开放热电流(lth) | 8A |
| 额定工作电压(Ue) | AC400V |
| 额定工作电流(le) | 2A |
| 额定限制短路电流 | 1000A |
| 强制脱离动作力 | ≥60N |
| 强制脱离距离 | ≥10mm |
| 操作频率 | ≤20次操作/分钟 |
| 环境温度 | -20°C~60°C ,无结冰 |
| 环境湿度 | 85%RH以下 |
接线图


1. 添加筛选条件,生成产品型号
客服
购物车
公众号
微信公众号
订单/资讯随手掌握
微信技术交流服务群
扫码添加进群
浏览记录
问题反馈
置顶
Copyright © 2010-2026 东莞怡合达自动化股份有限公司 版权所有 粤ICP备14032684号
营业执照: 91441900566614589Q