型号筛选
可选加工(可选)
未生成型号,还有 3 项未选择
重置
代码
无数据
产品选型
代码
无数据
L
无数据
信号输出
无数据
磁环类型
无数据
价格生成中...
图片仅供参考,请以已选的规格为准
磁致伸缩位移传感器 分体型
品牌名称:
怡合达
条件筛选:
产品型号:
未税折扣单价: -- --
含税折扣单价: ----
含税总价 (税率13%): ¥--
预计发货天数:-- 天 (发货天数以下单次日起算,不含周日与法定假日)
购买数量(PCS):
起订量:1PCS
, 加量幅度:1PCS
登录后可查看价格、加入购物车、一键购买
立即登录
价格生成中...
登录后可查看价格、加入购物车、一键购买
立即登录
代码ZKV22的技术资料信息曾有所变更,可前往 型号勘误表 查看变更记录
相似商品
同类人气商品
技术图档
全部型号
3D预览
技术图档
材质图
参数图
| 代码 | 类型 | |
| ZKV22 | 磁致伸缩位移传感器 | 分体型 |
特点
● 采用非接触测量方式,产品使用寿命长、环境适应性强、不需要定期标定和维护;
● 产品为绝对量输出,重启无须重归零位;
● 具有高精度、高稳定性、高可靠性、高重复性的技术特点;
● 支持电流、电压、Modbus多种输出方式;
● 适用于环境恶劣工业场合对位置、液位的测量、控制要求。

选型表
| 型号 |
信号输出 |
磁环类型 |
出线方式 |
|
| 代码 | L位移量程 | |||
| ZKV22 | 100 150 200 250 300 350 400 450 500 600 800 1000 |
A1(4~20mA) A2(0~20mA) V1(0~10V) V2(0~5V) C2(RS485) |
B1(闭口磁环) K1(开口磁环) |
直接出线3M线缆 |
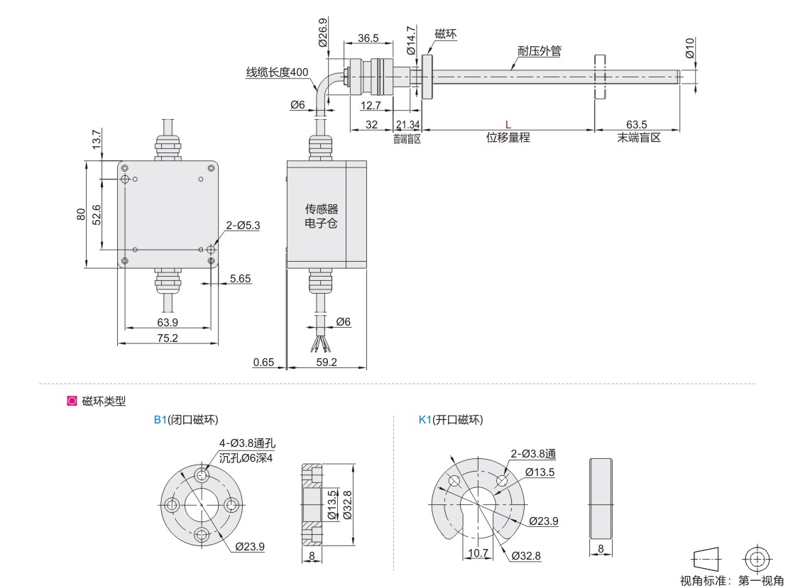
默认行程方向为正向。
传感器内置安装时,选用闭口磁环;传感器外置安装时,选用开口磁环。
接线方式
| 1红 | 2黑 | 3棕 | 4绿 | 5蓝 | 6裸线 |
| 电源+ | 电源- | RS485_A | RS485_B | 模拟输出+ | 屏蔽线 |
注意事项
● 传感器供电电源要求 :请参考性能参数表供电要求,对每个传感器的供电电流必须大于100mA;
● 传感器的屏蔽电缆走线必须避开大功率机电设备、高压电缆线及有强电磁辐射的场所等;
● 电缆的屏蔽网线必须保持完好无断线,并接到后续设备的地端。
性能参数
| 供电电源 | 7~28VDC | 非线性度 | 0.1%F.S |
| 供电电流 | ≥100mA | 重复精度 | ≤±0.01%F.S |
| 位移量程 | 100~1000mm(其他量程可定制) | 负载能力 | 电压信号输出最低负载≥5KΩ,电流信号输出最大负载电阻600Ω |
| 输出信号 | RS485输出(四线制,7~28VDC供电电压) | 更新时间 | 1ms |
| 0~5VDC(四线制,7~28VDC供电电压) | 工作温度 | -40℃~+85℃ | |
| 0~10VDC(四线制,12~28VDC供电电压) | 工作压力 | 不锈钢测杆耐压为35Mpa,更高可咨询 | |
| 0~20mA(四线制,18~28VDC供电电压) | 迟滞 | ≤0.002%F.S | |
| 4~20mA(四线制,18~28VDC供电电压) | 温度系数 | ≤0.005%F.S/℃ | |
| 测量对象 | 可测1~3个位置量 | 防护等级 | 主控板外壳防护等级IP65;测杆外壳防护等级IP67 |
| 分辨率 | 0.01mm | 材质 | 主控板外壳:铸铝;测杆外壳:不锈钢316;密封:O型圈NBR70 |
1. 添加筛选条件,生成产品型号
客服
购物车
公众号
微信公众号
订单/资讯随手掌握
微信技术交流服务群
扫码添加进群
浏览记录
问题反馈
置顶
Copyright © 2010-2026 东莞怡合达自动化股份有限公司 版权所有 粤ICP备14032684号
营业执照: 91441900566614589Q