型号筛选
可选加工(可选)
未生成型号,还有 2 项未选择
重置
代码
无数据
产品选型
代码
无数据
输出方式
无数据
分辨率
无数据
价格生成中...
图片仅供参考,请以已选的规格为准
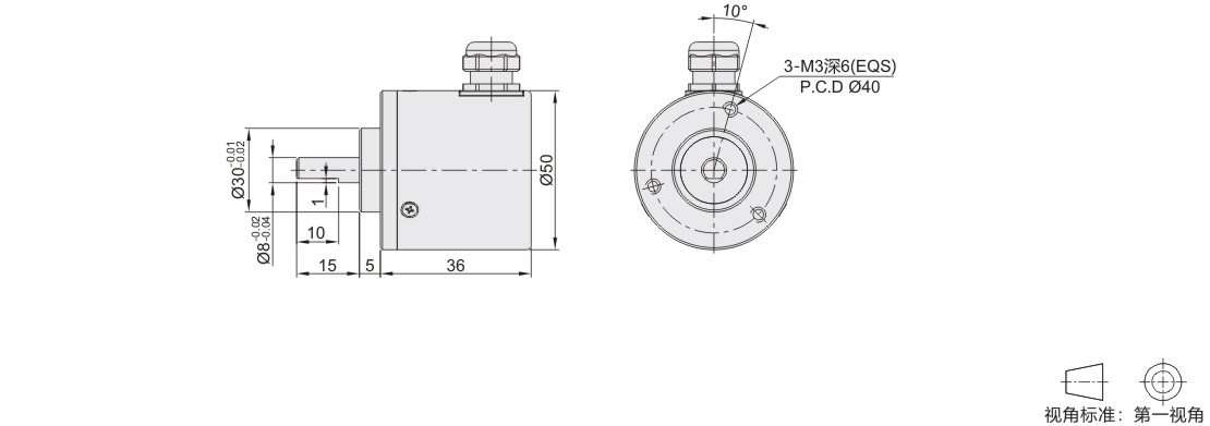
增量型编码器 耐低温型 实心轴•50法兰系列
品牌名称:
怡合达
条件筛选:
产品型号:
未税折扣单价: -- --
含税折扣单价: ----
含税总价 (税率13%): ¥--
预计发货天数:-- 天 (发货天数以下单次日起算,不含周日与法定假日)
购买数量(PCS):
起订量:1PCS
, 加量幅度:1PCS
登录后可查看价格、加入购物车、一键购买
立即登录
价格生成中...
登录后可查看价格、加入购物车、一键购买
立即登录
代码ZOH04的技术资料信息曾有所变更,可前往 型号勘误表 查看变更记录
相似商品
同类人气商品
技术图档
全部型号
3D预览
技术图档
材质图
参数图
| 代码 | 类型 |
轴形式 | 法兰系列 |
| ZOH04 | 耐低温型 | 实心轴 | 50 |

选型表
| 型号 | 分辨率 |
电源电压* |
轴径 |
|
| 代码 | 输出方式 | |||
| ZOH04 | C(NPN集电极) | 300 360 500 512 600 720 1000 1024 2000 2048 2500 | DC8~30V | Ø8 |
| U(PNP集电极) | ||||
| P(推挽) | ||||
*如需DC5V电源电压,请另行备注。
接线方式(电缆出线)
| 信号 | VCC | GND(0V) | A | B | Z | 屏蔽 |
| 线色 | 红 | 黑 | 绿 | 白 | 黄 | 粗黑 |
性能参数
| 法兰形式 | 夹紧、丝孔安装 |
| 法兰尺寸 | Ø50mm |
| 法兰材质 | 铝合金 |
| 出线方式 | 电缆侧出线1m |
| 轴材质 | 不锈钢 |
| 外壳材质 | 延性铁 |
| 启动力矩 | ≤1N·cm(无油封) |
| 轴向负荷 | ≤15N |
| 径向负荷 | ≤25N |
| 机械旋转速度 | ≤5000rpm |
| 振动 | 10g,10~2KHz |
| 冲击 | 100g,3ms |
| 重量 | 200g |
| 工作温度 | -40℃~+85℃ |
| 储存温度 | -40℃~+90℃ |
| 防护等级 | IP54 |
| 最大湿度 | 95%无冷凝 |
1. 添加筛选条件,生成产品型号
客服
购物车
公众号
微信公众号
订单/资讯随手掌握
微信技术交流服务群
扫码添加进群
浏览记录
问题反馈
置顶
Copyright © 2010-2026 东莞怡合达自动化股份有限公司 版权所有 粤ICP备14032684号
营业执照: 91441900566614589Q