型号筛选
可选加工(可选)
未生成型号,还有 5 项未选择
重置
代码
无数据
参数选型
滚轮直径
无数据
产品选型
代码
无数据
W
无数据
P
无数据
轮数量
无数据
价格生成中...
图片仅供参考,请以已选的规格为准
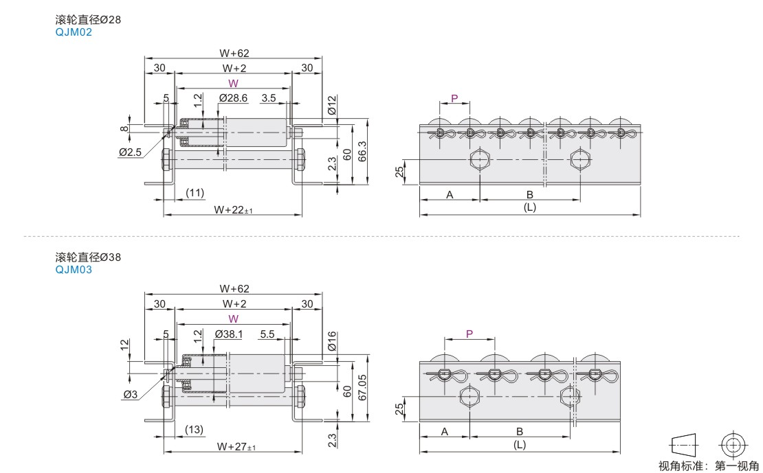
宽辊式滚轮条 滚轮直径φ28/φ38 Q235
条件筛选:
产品型号:
未税折扣单价: -- --
含税折扣单价: ----
含税总价 (税率13%): ¥--
预计发货天数:-- 天 (发货天数以下单次日起算,不含周日与法定假日)
购买数量():
起订量:0
, 加量幅度:0
登录后可查看价格、加入购物车、一键购买
立即登录
价格生成中...
登录后可查看价格、加入购物车、一键购买
立即登录
代码的技术资料信息曾有所变更,可前往 型号勘误表 查看变更记录
相似商品
同类人气商品
技术图档
全部型号
3D预览
技术图档
材质图
参数图
| 代码 | 类型 | 滚轮直径 | 滚轮壁厚 | 材质 | 表面处理 | ||
| 框架 | 滚轮 | 框架 | 滚轮 | ||||
| QJM02 | 宽辊式滚轮条 | Ø28 | 1.2 | SUS201 | Q235 | — | 铬酸盐光泽处理 |
| QJM03 | Ø38 | ||||||

滚轮直径Ø28
| 型号 |
轮距 P |
轮数量 |
轮距P=30 |
轮距P=50 |
|||||
| 代码 | W | (L) | A | B | (L) | A | B | ||
| QJM02 | 113 213 313 413 513 |
30 50 |
7 | 220 | 60 | 100 | 350 | 100 | 150 |
| 8 | 250 | 130 | 400 | 200 | |||||
| 9 | 280 | 160 | 450 | 250 | |||||
| 10 | 310 | 90 | 130 | 500 | 150 | 200 | |||
| 11 | 340 | 160 | 550 | 250 | |||||
| 12 | 370 | 190 | 600 | 300 | |||||
| 13 | 400 | 220 | 650 | 350 | |||||
| 14 | 430 | 150 | 130 | 700 | 400 | ||||
| 15 | 460 | 160 | 750 | 450 | |||||
| 16 | 490 | 190 | 800 | 500 | |||||
| 17 | 520 | 220 | 850 | 550 | |||||
| 18 | 550 | 250 | 900 | 600 | |||||
| 19 | 580 | 280 | 950 | 650 | |||||
| 20 | 610 | 310 | — | — | — | ||||
| 21 | 640 | 340 | |||||||
| 22 | 670 | 370 | |||||||
| 23 | 700 | 400 | |||||||
| 24 | 730 | 430 | |||||||
| 25 | 760 | 460 | |||||||
| 26 | 790 | 490 | |||||||
| 27 | 820 | 520 | |||||||
| 28 | 850 | 550 | |||||||
| 29 | 880 | 580 | |||||||
| 30 | 910 | 610 | |||||||
| 31 | 940 | 640 | |||||||
| 32 | 970 | 670 | |||||||
滚轮直径Ø38
| 型号 |
轮距 P |
轮数量 |
轮距P=50 |
轮距P=75 |
轮距P=100 |
|||||||
| 代码 | W | (L) | A | B | (L) | A | B | (L) | A | B | ||
| QJM03 | 113 213 313 413 513 |
50 75 100 |
4 | 200 | 50 | 100 | 300 | 100 | 100 | 350 | 100 | 150 |
| 5 | 250 | 150 | 375 | 175 | 450 | 250 | ||||||
| 6 | 300 | 100 | 100 | 450 | 250 | 550 | 150 | 250 | ||||
| 7 | 350 | 150 | 525 | 150 | 225 | 650 | 350 | |||||
| 8 | 400 | 200 | 600 | 300 | 750 | 450 | ||||||
| 9 | 450 | 250 | 675 | 375 | 850 | 550 | ||||||
| 10 | 500 | 150 | 200 | 750 | 450 | — | — | — | ||||
| 11 | 550 | 250 | 825 | 525 | ||||||||
| 12 | 600 | 300 | 900 | 600 | ||||||||
| 13 | 650 | 350 | 975 | 675 | ||||||||
| 14 | 700 | 400 | — | — | — | |||||||
| 15 | 750 | 450 | ||||||||||
| 16 | 800 | 500 | ||||||||||
| 17 | 850 | 550 | ||||||||||
| 18 | 900 | 600 | ||||||||||
| 19 | 950 | 650 | ||||||||||
1. 添加筛选条件,生成产品型号
客服
购物车
公众号
微信公众号
订单/资讯随手掌握
微信技术交流服务群
扫码添加进群
浏览记录
问题反馈
置顶
Copyright © 2010-2026 东莞怡合达自动化股份有限公司 版权所有 粤ICP备14032684号
营业执照: 91441900566614589Q