图片仅供参考,请以已选的规格为准
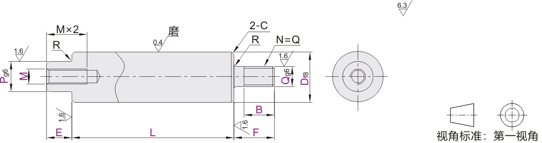
实心导向轴 一端台阶内螺纹一端外螺纹型 D公差f8
B=0,无外螺纹
条件筛选:
产品型号:
未税折扣单价: -- --
含税折扣单价: ----
含税总价 (税率13%): ¥--
预计发货天数:-- 天 (发货天数以下单次日起算,不含周日与法定假日)
购买数量(PCS):
起订量:1PCS
, 加量幅度:1PCS
登录后可查看价格、加入购物车、一键购买
立即登录
价格生成中...
登录后可查看价格、加入购物车、一键购买
立即登录
代码SHJ11的技术资料信息曾有所变更,可前往 型号勘误表 查看变更记录
相似商品
同类人气商品
引导式选型
型号筛选
可选加工(可选)
未生成型号,还有 8 项未选择
重置
代码
无数据
产品选型
代码
无数据
轴径D(mm)
无数据
长度L(mm)
台阶长度E(mm)
台阶长度F(mm)
螺纹长度B(mm)
台阶直径P(mm)
内螺纹M(mm)
无数据
台阶直径Q(mm)
无数据
LC
LC
SC
SC
SD
SD
S
QC
QC
无数据
QD
QD
无数据
价格生成中...
规格参数
全部型号
3D预览
规格参数
可选加工参数
产品简介
材质图
参数图
| 代码 | 类型 | 精度 等级 |
D公差 | 材质 | 硬度 | 表面处理 | |
| 国标 | 相当 | ||||||
| SHJ11 | 一端台阶内螺纹 一端外螺纹型 |
普通级 | f8 | 45 | S45C | 一 | 镀硬铬,镀层硬度HV750~ 镀层厚度3μm~ |
注意:B=0时,无外螺纹。

圆度/直线度/垂直度/同轴度/硬度变化/铬层分布,请参阅导向轴产品简介。
选型表
| 型号 | 最小单位1 | M 选择 |
Q 选择 |
R | C | ||||||
| 代码 | Df8 | L | E | F | B | P | |||||
| (D公差f8) SHJ11 |
8 | -0.013 -0.035 |
20~800 | E=2~P×4 | F=2~Q×5 | 要求指定 B尺寸 无外螺纹 |
6 | 3 | 3 4 5 6 8 | 0.3 | 0 . 5 以 下 |
| 10 | 6~8 | 3 4 5 | 4 5 6 8 10 | ||||||||
| 12 | -0.016 -0.043 |
20~1000 | 6~10 | 3 4 5 6 | 5 6 8 10 12 | ||||||
| 13 | 6~11 | 3 4 5 6 8 | 5 6 8 10 12 | ||||||||
| 15 | 6~13 | 3 4 5 6 8 10 | 5 6 8 10 12 | ||||||||
| 16 | 20~1200 | 6~14 | 3 4 5 6 8 10 | 5 6 8 10 12 16 | |||||||
| 18 | 8~16 | 4 5 6 8 10 12 | 5 6 8 10 12 16 | ||||||||
| 20 | -0.020 -0.053 |
8~17 | 4 5 6 8 10 12 | 6 8 10 12 16 20 | 1 . 0 以 下 | ||||||
| 25 | 8~22 | 4 5 6 8 10 12 16 | 8 10 12 16 20 24 | ||||||||
| 30 | 20~1500 | 9~27 | 5 6 8 10 12 16 20 24 | 8 10 12 16 20 24 30 | |||||||
| 35 | -0.025 -0.064 |
9~32 | 5 6 8 10 12 16 20 24 | 10 12 16 20 24 30 | 0.5 | ||||||
| 40 | 11~37 | 6 8 10 12 16 20 24 30 | 12 16 20 24 30 | ||||||||
| 50 | 11~47 | 6 8 10 12 16 20 24 30 | 16 20 24 30 | ||||||||
可选加工参数

产品简介
1. 添加筛选条件,生成产品型号
客服
购物车
公众号
微信公众号
订单/资讯随手掌握
微信技术交流服务群
扫码添加进群
浏览记录
问题反馈
置顶
Copyright © 2010-2025 东莞怡合达自动化股份有限公司 版权所有 粤ICP备14032684号
营业执照: 91441900566614589Q