图片仅供参考,请以已选的规格为准
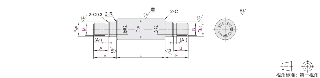
实心导向轴 两端台阶外螺纹型 D公差g6
品牌名称:
怡合达
条件筛选:
产品型号:
未税折扣单价: -- --
含税折扣单价: ----
含税总价 (税率13%): ¥--
预计发货天数:-- 天 (发货天数以下单次日起算,不含周日与法定假日)
购买数量():
起订量:0
, 加量幅度:0
登录后可查看价格、加入购物车、一键购买
立即登录
价格生成中...
登录后可查看价格、加入购物车、一键购买
立即登录
代码的技术资料信息曾有所变更,可前往 型号勘误表 查看变更记录
配件商品
同类人气商品
引导式选型
型号筛选
可选加工(可选)
未生成型号,还有 13 项未选择
重置
代码
无数据
参数选型
材质
无数据
表面处理
无数据
产品选型
代码
无数据
轴径D(mm)
无数据
长度L(mm)
台阶长度E(mm)
台阶长度F(mm)
螺纹长度A(mm)
螺纹长度B(mm)
台阶直径P(mm)
台阶直径Q(mm)
外螺纹M(mm)
无数据
外螺纹N(mm)
无数据
价格生成中...
规格参数
全部型号
3D预览
规格参数
可选加工参数
产品简介
材质图
参数图
| 代码 |
类型 |
D公差 |
材质 |
硬度 |
表面处理 |
|
| 国标 | 相当 | |||||
| SHQ01 | 两端台阶 外螺纹型 |
g6 | GCr15 | SUJ2 | 高频淬火 有效硬化层深度见P16 淬火硬度 GCr15 HRC56~ 9Cr18Mo或同等硬度耐蚀钢 HRC52~ |
— |
| SHQ02 | 镀硬铬,镀层硬度HV750~,镀层厚度3µm~ | |||||
| SHQ03 | 低温镀黑铬 | |||||
| SHQ06 | 9Cr18Mo 或同等硬度 耐蚀钢 |
SUS440C 或同等硬度 耐蚀钢 |
— | |||
| SHQ07 | 镀硬铬,镀层硬度HV750~,镀层厚度3µm~ | |||||
注意:A·B=0时,无外螺纹。

圆度/直线度/垂直度/同轴度/硬度变化/铬层分布,请参阅导向轴产品简介。
轴端加工部分(有效螺纹长度+10mm左右)可能会因加工的退火效应而导致硬度降低,详情请参阅导向轴概要。
选型表
| 型号 |
最小单位1 |
M·N 选择 |
R |
C |
|||||
| 代码 | Dg6 | L | E·F | A·B | P·Q | ||||
| SHQ01 SHQ02 SHQ03 SHQ06 SHQ07 |
8 | -0.005 -0.014 |
20~800 | E=10~P×5 F=10~Q×5 |
根据使用要求指定 A·B尺寸 A·B = 0时,无外螺纹 |
M<P<D N<Q<D |
6 | 0.3 | 0.5以下 |
| 10 | 6 8 | ||||||||
| 12 | -0.006 -0.017 |
20~1000 | 6 8 10 | ||||||
| 13 | 6 8 10 | ||||||||
| 15 | 6 8 10 12 | ||||||||
| 16 | 20~1200 | 6 8 10 12 | |||||||
| 18 | 6 8 10 12 16 | ||||||||
| 20 | -0.007 -0 020 |
6 8 10 12 16 | 1 .0以下 | ||||||
| 25 | 8 10 12 16 20 | ||||||||
| 30 | 20~1500 | 8 10 12 16 20 24 | |||||||
| 35 | -0.009 -0.025 |
E=20~P×5 F=20~Q×5 |
10 12 16 20 24 30 | 0.5 | |||||
| 40 | 12 16 20 24 30 | ||||||||
| 50 | 16 20 24 30 | ||||||||
SHQ03仅适用于D≤30且L≤500。
| 粗牙螺纹退刀槽尺寸 |
|||
| M N |
螺距 | MC NC |
(A1) |
| 6 | 1.0 | 4.4 | 2 |
| 8 | 1.25 | 6.0 | 3 |
| 10 | 1.5 | 7.7 | |
| 12 | 1.75 | 9.4 | 4 |
| 16 | 2.0 | 13.0 | |
| 20 | 2.5 | 16.4 | 5 |
| 24 | 3.0 | 19.6 | |
| 30 | 3.5 | 25.0 | |
| 细牙螺纹退刀槽尺寸① | |||
| MC NC |
螺距 | MC NC |
(A1) |
| 6 | 0.75 | 4.8 | 2 |
| 8 | 1.0 | 6.4 | |
| 10 | 8.4 | ||
| 12 | 10.4 | ||
| 15 | 13.4 | ||
| 17 | 15.4 | ||
| 20 | 18.4 | ||
| 24 | 1.5 | 22.7 | 3 |
| 30 | 27.7 | ||
| 细牙螺纹退刀槽尺寸② | |||
| MD ND |
螺距 | MC NC |
(A1) |
| 10 | 1.25 | 8 | 3 |
| 12 | 1.5 | 9.7 | |
| 14 | 11.7 | ||
| 18 | 15.7 | ||
使用示例

可选加工参数

产品简介
1. 添加筛选条件,生成产品型号
客服
购物车
公众号
微信公众号
订单/资讯随手掌握
微信技术交流服务群
扫码添加进群
浏览记录
问题反馈
置顶
Copyright © 2010-2025 东莞怡合达自动化股份有限公司 版权所有 粤ICP备14032684号
营业执照: 91441900566614589Q