图片仅供参考,请以已选的规格为准
内六角圆柱头轴肩螺钉 短头型 SCM435材质/SUSXM7材质/ML40Cr材质 L、F尺寸选择/指定型 PCS/袋装 公差等级e9/g6/h7 包装数:20PCS/袋
品牌名称:
怡合达
条件筛选:
产品型号:
登录后可查看价格、加入购物车、一键购买
立即登录
型号筛选
未生成型号,还有 10 项未选择
代码
参数选型
主体材质
公差等级
尺寸类型
强度等级
标准号
种类筛选
产品选型
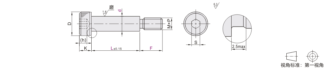
光杆直径d(mm)
光杆长度L(mm)
螺纹部长度F(mm)
技术图档
3D预览
产品问答
材质图
参数图
| 代码 |
类型 |
销售 方式 |
公差 等级 |
材质 |
硬度 |
强度等级 |
||
| 国标 | 相当 | |||||||
| TBH01 | 短头型 | L尺寸选择型 | PCS | 一 | 35CrMo | SCM435 | 39~44HRC | 12.9 |
| TBH03 | ML40Cr | |||||||
| PACK-TBH50 | L.F尺寸指定型 | 袋 | e9 | 35CrMo | SCM435 | |||
| PACK-TBH51 | 0Cr18Ni9Cu3 | SUSXM7 | 一 | A2-50 | ||||
| PACK-TBH52 | g6 | 35CrMo | SCM435 | 33~38HRC | 相当于10.9 | |||
| PACK-TBH53 | 0Cr18Ni9Cu3 | SUSXM7 | 一 | A2-50 | ||||
| PACK-TBH54 | h7 | 35CrMo | SCM435 | 33~38HRC | 相当于10.9 | |||
| PACK-TBH55 | 0Cr18Ni9Cu3 | SUSXM7 | 一 | A2-50 | ||||
TBH01/03适用标准:
ISO 7379-1983
GB/T 5281-1985
JIS B 1175-1988

h值测量误差较大,仅供参考。
如对产品有防锈要求,请优先选择SUSXM7材质产品。
L尺寸选择型(SCM435)
| 型号 | L | M | P 螺距 |
D | S | h | K | F | ||
| 代码 | d | |||||||||
| TBH01 | 6 | -0.013 -0.049 |
10 12 16 20 25 30 35 40 45 50 55 60 70 | 5 | 0.8 | 10 | 3 | 2.4 | 4.5 | 9.75 |
| 6.5 | 10 16 20 25 30 35 40 45 50 55 60 70 | |||||||||
| 8 | 10 12 16 20 25 30 35 40 45 50 55 60 70 80 90 | 6 | 1 | 13 | 4 | 3.3 | 5.5 | 11.25 | ||
| 10 | 16 20 25 30 35 40 45 50 55 60 70 80 90 100 110 | 8 | 1.25 | 16 | 5 | 4.2 | 7 | 13.25 | ||
| 13 | -0.016 -0.059 |
16 20 25 30 35 40 45 50 55 60 70 80 90 100 110 120 | 10 | 1.5 | 18 | 6 | 4.9 | 9 | 16.4 | |
| 16 | 20 25 30 35 40 45 50 55 60 70 80 90 100 110 120 | 12 | 1.75 | 24 | 8 | 6.6 | 11 | 18.4 | ||
| 20 | -0.020 -0.072 |
25 30 35 40 45 50 55 60 70 80 90 100 110 120 130 | 16 | 2 | 30 | 10 | 8.8 | 14 | 22.4 | |
L尺寸选择型(ML40Cr)
| 型号 | L | M | P 螺距 |
D | S | h | K | F | ||
| 代码 | d | |||||||||
| TBH03 | 6 | -0.013 -0.049 |
10 12 16 20 25 30 35 40 45 50 55 60 | 5 | 0.8 | 10 | 3 | 2.4 | 4.5 | 9.75 |
| 6.5 | 10 16 20 25 30 35 40 45 50 55 60 | |||||||||
| 8 | 10 12 16 20 25 30 35 40 45 50 55 60 | 6 | 1 | 13 | 4 | 3.3 | 5.5 | 11.25 | ||
| 10 | 16 20 25 30 35 40 45 50 55 60 70 80 | 8 | 1.25 | 16 | 5 | 4.2 | 7 | 13.25 | ||
| 13 | -0.016 -0.059 |
20 25 30 35 40 45 50 55 60 70 80 | 10 | 1.5 | 18 | 6 | 4.9 | 9 | 16.4 | |
| 16 | 20 25 30 35 40 45 50 55 60 70 80 | 12 | 1.75 | 24 | 8 | 6.6 | 11 | 18.4 | ||
| 20 | -0.020 -0.072 |
25 30 35 40 45 50 55 60 70 80 | 16 | 2 | 30 | 10 | 8.8 | 14 | 22.4 | |
L.F尺寸指定型(销售方式:袋)
| 型号 |
L 最小单位0.1 |
F 最小单位1 |
PCS/袋 |
M |
P 螺距 |
D |
S |
(h) |
K |
||||
| 代码 | d | e9 | g6 | h7 | |||||||||
| (e9) PACK-TBH50 PACK-TBH51 (g6) PACK-TBH52 PACK-TBH53 (h7) PACK-TBH54 PACK-TBH55 |
4 | -0.020 -0.050 |
-0.004 -0.012 |
0 -0.012 |
10~40 | 3~7 | 20 | 2.5 | 0.45 | 6.5 | 2.5 | 1.6 | 2 |
| 4.5 | 3~9 | 3 | 0.5 | 7 | |||||||||
| 5 | 8 | ||||||||||||
| 5.5 | 4~12 | 4 | 0.7 | 9 | 3 | 2.2 | 2.5 | ||||||
| 6 | 2 | ||||||||||||
| 6.5 | -0.025 -0.061 |
-0.005 -0.014 |
0 -0.015 |
10~50 | 5~15 | 5 | 0.8 | 10 | 4 | 2.5 | 3 | ||
| 8 | 10~60 | 6~18 | 6 | 1 | 13 | 5 | 3 | 4 | |||||
| 10 | 8~24 | 8 | 1.25 | 16 | 6 | 4 | 5 | ||||||

螺纹根部受径向力F1较大,容易出现螺纹根部断裂的情况。