TDB31-S19
复制
型号筛选
可选加工(可选)
型号已生成
重置
代码
无数据
参数选型
主体材质
无数据
主体表面处理
无数据
类型
无数据
产品选型
代码
无数据
S
无数据
价格生成中...
图片仅供参考,请以已选的规格为准
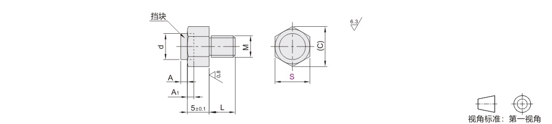
六角头带挡块螺栓 直杆型平头型尾部平端型 标准型/ 防静电型 全牙 粗牙
条件筛选:
产品型号:
TDB31-S19
未税折扣单价: -- --
含税折扣单价: ----
含税总价 (税率13%): ¥--
预计发货天数:-- 天 (发货天数以下单次日起算,不含周日与法定假日)
购买数量(PCS):
起订量:1PCS
, 加量幅度:1PCS
登录后可查看价格、加入购物车、一键购买
立即登录
价格生成中...
登录后可查看价格、加入购物车、一键购买
立即登录
代码TDB31的技术资料信息曾有所变更,可前往 型号勘误表 查看变更记录
相似商品
同类人气商品
技术图档
全部型号
3D预览
技术图档
产品问答
材质图
参数图
| 代码 |
类型 |
螺纹 |
主体 |
挡块 |
防静电值 |
||||||
| 材质 | 硬度 | 表面处理 | 材质 | 颜色 | 硬度 | ||||||
| TDB31 | 直杆型 | 平头型 | 标准型 | 粗牙 | SCM435 | 46~50HRC | 无电解镀镍 | 聚氨酯 | 黑色 | 肖氏A90 | — |
| TDB36 | SUS304 | — | — | ||||||||
| TDB32 | 防静电型 | SCM435 | 46~50HRC | 无电解镀镍 | 10⁶~10⁹Ω | ||||||
| TDB37 | SUS304 | — | — | ||||||||

适用于中小型移动机构和定位机构 ,如需支撑大型工件 ,推荐选择挡块烧结
工艺的产品(TDC61/TDC62/TDC63/TDC66/TDC71/TDC72/TDC41/TDC42)。
挡块采用粘结工艺。
选型表
| 型号 | M | A | A1 | L | d | (C) | ||||||||||||||||||||||||||||||
| 代码 | S | |||||||||||||||||||||||||||||||||||
|
(SCM435)
|
5.5 | 3 | 1.5 | 0.7 | 5 | 3.5 | 6.4 | |||||||||||||||||||||||||||||
| 7 | 4 | 1.5 | 5 | 8.1 | ||||||||||||||||||||||||||||||||
| 8 | 5 | 6 | 6 | 9.2 | ||||||||||||||||||||||||||||||||
| 10 | 6 | 2 | 2 | 8 | 11.5 | |||||||||||||||||||||||||||||||
| 13 | 8 | 10 | 10 | 15 | ||||||||||||||||||||||||||||||||
| 14 | 16.2 | |||||||||||||||||||||||||||||||||||
| 17 | 10 | 12 | 13 | 19.6 | ||||||||||||||||||||||||||||||||
| 19 | 12 | 15 | 15 | 21.9 | ||||||||||||||||||||||||||||||||
使用示例

在限位机构中,使用六角头带挡块螺栓可以有效的保护工件,同时还可以对工件进行精确的定位。
产品问答
关于此产品的常见问题
1、带挡块螺钉的功能有哪些?
有缓和降低噪音的功能,有吸收冲击力和缓冲功能
2、使用频率较高的聚氨酯材质有哪些注意点?
聚氨酯具有水解特性,在潮湿和有水分较多环境下会水解,水解后:表面成黏糊状;手指甲轻按会产生不可逆损伤,会干裂,轻易解体成粉末状
3、挡块螺钉通常与什么零件搭配使用呢?
通常与缓冲器搭配使用,常用于线性滑台和气缸搭配使用
4、烧结型挡块螺钉常见表面有轻微毛刺或者水口影响使用吗?
不影响的,产生原因在于注塑工艺导致,不影响使用
请先筛选参数,生成产品型号
客服
购物车
公众号
微信公众号
订单/资讯随手掌握
微信技术交流服务群
扫码添加进群
浏览记录
问题反馈
置顶
Copyright © 2010-2026 东莞怡合达自动化股份有限公司 版权所有 粤ICP备14032684号
营业执照: 91441900566614589Q