图片仅供参考,请以已选的规格为准
德国进口拖链 一般用 内高10 桥式 外径打开
条件筛选:
产品型号:
未税折扣单价: -- --
含税折扣单价: ----
含税总价 (税率13%): ¥--
预计发货天数:-- 天 (发货天数以下单次日起算,不含周日与法定假日)
购买数量(PCS):
起订量:1PCS
, 加量幅度:1PCS
登录后可查看价格、加入购物车、一键购买
立即登录
价格生成中...
登录后可查看价格、加入购物车、一键购买
立即登录
代码VAM11的技术资料信息曾有所变更,可前往 型号勘误表 查看变更记录
相似商品
同类人气商品
型号筛选
可选加工(可选)
未生成型号,还有 4 项未选择
重置
代码
无数据
产品选型
代码
无数据
规格
无数据
R
无数据
N
接头
无数据
价格生成中...
技术图档
全部型号
3D预览
技术图档
产品简介
材质图
参数图
拖链
| 代码 |
类型 |
打开方式 | 腔数 | 材质 | 颜色 | 允许温度 |
阻燃等级 |
附件 |
|
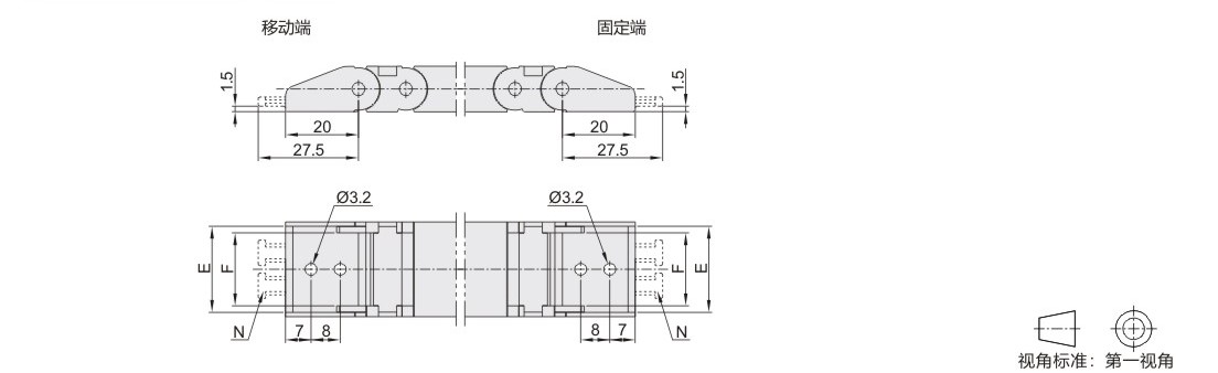
| VAM11 | 一般用 | 简便型 | 外径打开 | 单腔 | 工程塑料 | 黑色 | -40℃~120℃ | UL94-V2 | 接头 |
本系列拖链包含一套接头(移动端 、固定端各一个)。

-------------------------------------------------------------------------------------------------------------------------------------------------------------------------------------------------------------------
接头
| 代码 |
类型 |
梳状板 | 材质 | 颜色 | 允许温度 | 阻燃等级 |
| VDM11 |
简便型 10系列用接头 |
有 | 工程塑料 | 黑色 |
-40℃~120℃ |
UL94-V2 |
| VDM12 | 无 |

产品简介
1. 添加筛选条件,生成产品型号
客服
购物车
公众号
微信公众号
订单/资讯随手掌握
微信技术交流服务群
扫码添加进群
浏览记录
问题反馈
置顶
Copyright © 2010-2026 东莞怡合达自动化股份有限公司 版权所有 粤ICP备14032684号
营业执照: 91441900566614589Q