型号筛选
可选加工(可选)
未生成型号,还有 7 项未选择
重置
代码
无数据
参数选型
底座主体材质
无数据
螺杆材质
无数据
表面处理
无数据
产品选型
代码
无数据
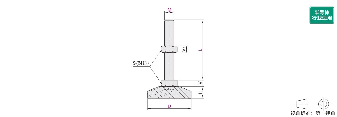
D
无数据
M
无数据
L
无数据
价格生成中...
图片仅供参考,请以已选的规格为准

脚杯 重载型 固定调节型 全橡胶底座型
品牌名称:
怡合达
条件筛选:
产品型号:
未税折扣单价: -- --
含税折扣单价: ----
含税总价 (税率13%): ¥--
预计发货天数:-- 天 (发货天数以下单次日起算,不含周日与法定假日)
购买数量():
起订量:0
, 加量幅度:0
登录后可查看价格、加入购物车、一键购买
立即登录
价格生成中...
登录后可查看价格、加入购物车、一键购买
立即登录
代码的技术资料信息曾有所变更,可前往 型号勘误表 查看变更记录
相似商品
同类人气商品
计算选型
技术图档
全部型号
3D预览
技术图档
可选加工参数
材质图
参数图
| 代码 | 类型 | 材质 | 表面处理 | 适用 半导体行业 |
|||||||
| 螺杆 | 底部 | 螺杆 | |||||||||
| WAL22 | 全橡胶底座型 |
S45C | 橡胶 | 镀锌 | — | ||||||
| WAL23 | 镀铬 | ||||||||||
| WAL26 | SUS304 | — | 是 | ||||||||
| WAL24 | S45C | 导电橡胶 | 镀锌 | — | |||||||
| WAL25 | 镀铬 | ||||||||||
| WAL27 | SUS304 | — | |||||||||
重载型特点
底部橡胶带防滑槽、防滑、防震性能优异。
特点(WAL26):
表面光亮,用于外装。
不锈钢材质,防震,耐腐蚀,导电性能好。
耐温范围:-35℃~80℃,耐温性能好。
用途(WAL26):
医疗设备,半导体设备,工业机械。
标准螺杆长度以25mm为一个梯度,可根据客户要求定制长度,需要注意
定制长度后,切短的面无表面处理,碳钢会喷漆防锈。
请根据脚杯螺杆尺寸M进行相关配件选择,详见脚杯可选配件汇总。

选型表
带*规格不适用于WAL24/25/27。

可选加工参数
可选配件加工参数


1. 添加筛选条件,生成产品型号
客服
购物车
小程序
怡合达商城小程序
随身商城一手掌握
公众号
微信公众号
订单/资讯随手掌握
微信技术交流服务群
扫码添加进群
浏览记录
问题反馈
置顶
Copyright © 2010-2026 东莞怡合达自动化股份有限公司 版权所有 粤ICP备14032684号
营业执照: 91441900566614589Q