图片仅供参考,请以已选的规格为准

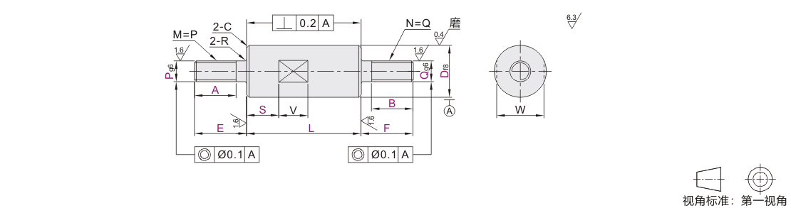
医疗 导向轴 两端外螺纹型·带扳手槽型 D公差f8
品牌名称:
怡合达
条件筛选:
产品型号:
未税折扣单价: -- --
含税折扣单价: ----
含税总价 (税率13%): ¥--
预计发货天数:-- 天 (发货天数以下单次日起算,不含周日与法定假日)
购买数量(PCS):
起订量:1PCS
, 加量幅度:1PCS
登录后可查看价格、加入购物车、一键购买
立即登录
价格生成中...
登录后可查看价格、加入购物车、一键购买
立即登录
代码Y-FCK11的技术资料信息曾有所变更,可前往 型号勘误表 查看变更记录
相似商品
同类人气商品
引导式选型
型号筛选
可选加工(可选)
未生成型号,还有 9 项未选择
重置
代码
无数据
参数选型
材质
无数据
产品选型
代码
无数据
轴径D(mm)
无数据
长度L(mm)
台阶长度E(mm)
台阶长度F(mm)
螺纹长度A(mm)
螺纹长度B(mm)
台阶直径P(mm)
无数据
台阶直径Q(mm)
无数据
扳手槽距离端面距离S(mm)
LC
LC
PC
PC
无数据
QC
QC
无数据
PS
PS
无数据
QS
QS
无数据
价格生成中...
规格参数
全部型号
3D预览
规格参数
可选加工
产品简介
材质图
参数图
| 代码 |
类型 |
精度等级 |
D公差 |
材质 | 硬度 |
表面处理 |
|
| 国标 | 相当 | ||||||
| Y-FCK11 | 带扳手槽型 | 普通级 | f8 | 45 | S45C | — | 镀硬铬,镀层硬度HV750~,镀层厚度3µm~ |
| Y-FCK14 | 0Cr18Ni9 | SUS304 | |||||
注意:A·B=0时,无外螺纹。

圆度/直线度/垂直度/同轴度/硬度变化/铬层分布,请参阅导向轴产品简介。
选型表
| 型号 | 最小单位1 | P·Q 选择 |
扳手槽尺寸 | R | C | ||||||
| 代码 | Df8 | L | E·F | A·B | S | W | V | ||||
| (D公差f8) Y-FCK11 Y-FCK14 |
6 | -0.010 -0.028 |
20~600 | E=2~P×5 F=2~Q×5 |
|
3 4 5 | 要求指定 S尺寸 参阅导向轴 产品简介 |
5 | 8 | 0.3 | 0.5 |
| 8 | -0.013 -0.035 |
20~800 | 3 4 5 6 | 7 | |||||||
| 10 | 4 5 6 8 | 8 | |||||||||
| 12 | -0.016 -0.043 |
20~1000 | 5 6 8 10 | 10 | 10 | ||||||
| 13 | 5 6 8 10 12 | 11 | |||||||||
| 15 | 5 6 8 10 12 | 13 | |||||||||
| 16 | 20~1200 | 5 6 8 10 12 | 14 | ||||||||
| 18 | 5 6 8 10 12 16 | 16 | |||||||||
| 20 | -0.020 -0.053 |
6 8 10 12 16 | 17 | 1.0 | |||||||
| 25 | 8 10 12 16 20 24 | 22 | |||||||||
| 30 | 20~1500 | 8 10 12 16 20 24 | 27 | 15 | |||||||
| 35 | -0.025 -0.064 |
10 12 16 20 24 30 | 30 | 0.5 | |||||||
| 40 | 12 16 20 24 30 | 36 | 20 | ||||||||
| 50 | 16 20 24 30 | 41 | |||||||||
可选加工

产品简介
1. 添加筛选条件,生成产品型号
客服
购物车
小程序
怡合达商城小程序
随身商城一手掌握
公众号
微信公众号
订单/资讯随手掌握
微信技术交流服务群
扫码添加进群
浏览记录
问题反馈
置顶
Copyright © 2010-2026 东莞怡合达自动化股份有限公司 版权所有 粤ICP备14032684号
营业执照: 91441900566614589Q