型号筛选
未生成型号,还有 11 项未选择
代码
参数选型
类型
产品选型
丝杆导程
有效行程
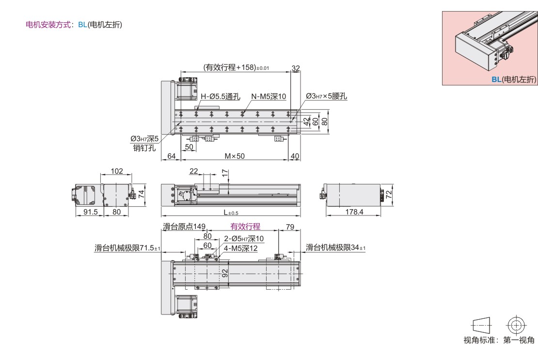
电机安装方式
电机品牌
电机规格
刹车
原点开关
极限开关
传感器类型
图片仅供参考,请以已选的规格为准
单轴机器人 丝杆传动系列·一般环境型 YBSE8B/E-YBSE8B系列•单导轨
品牌名称:
怡合达
条件筛选:
产品型号:
登录后可查看价格、加入购物车、一键购买
立即登录
技术图档
全部型号
3D预览
材质图
参数图
| 代码 | 类型 | 底座 | 导轨 | 滑板 | 盖板 | 使用环境 | 配置 | ||||
| 材质 | 表面处理 | 材质 | 表面处理 | 材质 | 表面处理 | 材质 | 表面处理 | 丝杆/导轨 | |||
| YBSE8B | 标准型 | 铝合金 | 阳极氧化 | 铁 | — | 铝合金 | 阳极氧化 | 铝合金 | 阳极氧化 | 0~40℃ 35~85%RH 不得结霜 |
台湾 |
| E-YBSE8B | 经济型 | 国产 | |||||||||
本产品不含电机,电机须另行选购。

---------------------------------------------------------------------------------------------------------------------------------------------------------------------------------------
---------------------------------------------------------------------------------------------------------------------------------------------------------------------------------------
选型表
尺寸表
| 电机 安装方式 |
尺寸 | 行程 |
||||||||||||||
| 100 | 150 | 200 | 250 | 300 | 350 | 400 | 450 | 500 | 550 | 600 | 650 | 700 | 750 | 800 | ||
| BC (电机直连) |
L | 370 | 420 | 470 | 520 | 570 | 620 | 670 | 720 | 770 | 820 | 870 | 920 | 970 | 1020 | 1070 |
| M | 6 | 7 | 8 | 9 | 10 | 11 | 12 | 13 | 14 | 15 | 16 | 17 | 18 | 19 | 20 | |
| N | 14 | 16 | 18 | 20 | 22 | 24 | 26 | 28 | 30 | 32 | 34 | 36 | 38 | 40 | 42 | |
| H | 12 | 14 | 16 | 18 | 20 | 22 | 24 | 26 | 28 | 30 | 32 | 34 | 36 | 38 | 40 | |
| 重量(kg)※ | 3.9 | 4.3 | 4.7 | 5.1 | 5.5 | 5.9 | 6.3 | 6.7 | 7.1 | 7.5 | 7.9 | 8.3 | 8.7 | 9.1 | 9.5 | |
※ 不含电机重量。
| 电机 安装方式 |
尺寸 | 行程 |
||||||||||||||
| 100 | 150 | 200 | 250 | 300 | 350 | 400 | 450 | 500 | 550 | 600 | 650 | 700 | 750 | 800 | ||
| BR (电机左折) |
L | 354 | 404 | 454 | 504 | 554 | 604 | 654 | 704 | 754 | 804 | 854 | 904 | 954 | 1004 | 1054 |
| M | 5 | 6 | 7 | 8 | 9 | 10 | 11 | 12 | 13 | 14 | 15 | 16 | 17 | 18 | 19 | |
| N | 12 | 14 | 16 | 18 | 20 | 22 | 24 | 26 | 28 | 30 | 32 | 34 | 36 | 38 | 40 | |
| H | 12 | 14 | 16 | 18 | 20 | 22 | 24 | 26 | 28 | 30 | 32 | 34 | 36 | 38 | 40 | |
| 重量(kg)※ | 4.3 | 4.7 | 5.1 | 5.5 | 5.9 | 6.3 | 6.7 | 7.1 | 7.5 | 7.9 | 8.3 | 8.7 | 9.1 | 9.5 | 9.9 | |
※ 不含电机重量。
| 电机 安装方式 |
尺寸 | 行程 |
||||||||||||||
| 100 | 150 | 200 | 250 | 300 | 350 | 400 | 450 | 500 | 550 | 600 | 650 | 700 | 750 | 800 | ||
| BL (电机左折) |
L | 354 | 404 | 454 | 504 | 554 | 604 | 654 | 704 | 754 | 804 | 854 | 904 | 954 | 1004 | 1054 |
| M | 5 | 6 | 7 | 8 | 9 | 10 | 11 | 12 | 13 | 14 | 15 | 16 | 17 | 18 | 19 | |
| N | 12 | 14 | 16 | 18 | 20 | 22 | 24 | 26 | 28 | 30 | 32 | 34 | 36 | 38 | 40 | |
| H | 12 | 14 | 16 | 18 | 20 | 22 | 24 | 26 | 28 | 30 | 32 | 34 | 36 | 38 | 40 | |
| 重量(kg)※ | 4.3 | 4.7 | 5.1 | 5.5 | 5.9 | 6.3 | 6.7 | 7.1 | 7.5 | 7.9 | 8.3 | 8.7 | 9.1 | 9.5 | 9.9 | |
※ 不含电机重量。
详细参数表
| 推荐电机规格 | 42步进 |
100W伺服 |
||||||||
| 性能 | 重复定位精度 | ±0.01 |
±0.01 |
|||||||
| 丝杆导程 | 5 | 10 | 16 | 20 | 5 | 10 | 16 | 20 | ||
| 最大负载(kg) | 水平使用 | 30 | 25 | 18 | 15 | 30 | 25 | 18 | 15 | |
| 竖直使用 | 17 | 12 | 10 | 8 | 17 | 12 | 10 | 8 | ||
| 额定推力(N) | 340 | 170 | 106 | 85 | 680 | 340 | 212 | 170 | ||
| 零部件 | 滚珠丝杆外径 | 16 |
||||||||
| 直线导轨规格 | 42×9.5 单支 单滑块 |
|||||||||
| 极限开关 | 外置型 | EE-SX674( NPN/ PNP) |
||||||||
| 内置型 | 此款滑台无内置型号 |
|||||||||
如需欧姆龙品牌光电开关 ,请与我司沟通。
容许力矩表
| Mxd | 17N·m | 说明: 1.实际负载需满足以下条件: (a)满足"详细参数表"中最大负载条件 (b)满足"容许力矩表"中力矩条件 如超出条件使用将大幅降低滑台寿命 2.表中数据以额定寿命10000km为基准。 3.表中重复定位精度为单方向数值。 4 .丝杠传动型滑台达到一定行程后 ,最高速度 需降低 。以免滑台发生共振 ,不同行程对应 的最高速度请参考下表。 5.滑台额定加速度0.3G ,短行程滑台可能无法 达到最高速度。 6.滑台如果竖直使用 ,请选择带刹车电机。 |
| Myd | 7N·m | |
| Mzd | 7N·m | |
![]() |
||
| 表中力矩值是以滑台行走寿命10000 km为基准的动态容许力矩。力矩条件: Mx/Mxd+My/Myd+Mz/Mzd≤1 (Mx、My、Mz分别为各个方向的实 际力矩) |
||
最高速度
| 丝杆 外径 |
电机 规格 |
导程 |
行程 |
||||||||||||||
| 100 | 150 | 200 | 250 | 300 | 350 | 400 | 450 | 500 | 550 | 600 | 650 | 700 | 750 | 800 | |||
| 16 |
57 步进 |
5 | 41 | ||||||||||||||
| 10 | 83 | ||||||||||||||||
| 16 | 133 | ||||||||||||||||
| 20 | 166 | ||||||||||||||||
| 200W 伺服 |
5 | 250 | 225 | ||||||||||||||
| 10 | 500 | 450 | |||||||||||||||
| 16 | 800 | 720 | |||||||||||||||
| 20 | 1000 | 900 | |||||||||||||||
搭配伺服电机一览表
| 品牌 | 电机记号 | 有无刹车 | 电机容量 | 伺服电机型号 | 驱动器型号 |
| 松下 | P | 无刹车(水平) | 200W | MSMF022L1U2M | MADLN15SE |
| 有刹车(竖直) | MSMF022L1V2M | ||||
| 三菱 | M | 无刹车(水平) | 200W | HG-KN23J-S100 | MR-JE-20A |
| 有刹车(竖直) | HG-KN23BJ-S100 | ||||
| 台达(B2) | T | 无刹车(水平) | 200W | ECMA-C20602RS | ASD-B2-0221-B |
| 有刹车(竖直) | ECMA-C20602SS |
选用其它电机须咨询我司工作人员。
表中型号为我司官网在售电机和驱动器型号 ,标准单轴机器人型号只提供模组机械部分 ,不配电机和驱动器。