图片仅供参考,请以已选的规格为准
定位销 大头型 前端形状选择型 外螺纹型 圆型 多棱型 镀硬铬 发黑 无肩型
条件筛选:
产品型号:
未税折扣单价: -- --
含税折扣单价: ----
含税总价 (税率13%): ¥--
预计发货天数:-- 天 (发货天数以下单次日起算,不含周日与法定假日)
购买数量():
起订量:0
, 加量幅度:0
登录后可查看价格、加入购物车、一键购买
立即登录
价格生成中...
登录后可查看价格、加入购物车、一键购买
立即登录
代码的技术资料信息曾有所变更,可前往 型号勘误表 查看变更记录
相似商品
同类人气商品
型号筛选
可选加工(可选)
未生成型号,还有 12 项未选择
重置
代码
无数据
参数选型
导入表面形状
无数据
材质
无数据
硬度
无数据
表面处理
无数据
产品选型
代码
无数据
前端形状
无数据
D
无数据
P
B
R
G
L
价格生成中...
技术图档
全部型号
3D预览
技术图档
可选加工参数
产品简介
产品问答
材质图
参数图
| 外螺纹型 | 材质 | 硬度 | 表面处理 | ||
| 圆型 | 多棱型 | 国标 | 相当 | ||
| YHU01 | YHU21 | 9CrWMn | SKS3 | 淬火硬度58~61HRC | — |
| YHU02 | YHU22 | 淬火硬度58~61HRC ,镀层硬度850HV~ | 镀硬铬 , 镀层厚度3~5μm | ||
| YHU03 | YHU23 | 45 | S45C | 淬火硬度45~50HRC | — |
| YHU04 | YHU24 | 发黑 | |||
| YHU05 | YHU25 | 淬火硬度45~50HRC ,镀层硬度850HV~ | 镀硬铬 , 镀层厚度3~5μm | ||
| YHU11 | YHU31 | 0Cr18Ni9 | SUS304 | — | — |
| YHU12 | YHU32 | 镀层硬度850HV~ | 镀硬铬 , 镀层厚度5~8μm | ||
| YHU16 | — | 9Cr18Mo | SUS440C | 淬火硬度48~53HRC | — |
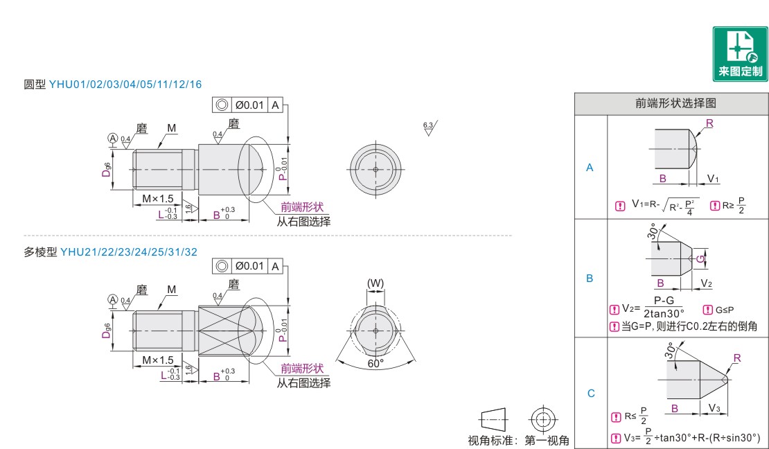
当L<2时,无L实际形状,为退刀槽形状,并按退刀槽标准加工。(即:螺纹长度+退刀槽=M×1.5+L)。
工艺孔加工条件:前端形状A:D·B·L≥4且P≥6;前端形状B:D·P·L·B≥4且G>3;
前端形状C:D·P·L·B≥4且R≥3。(工艺孔详细尺寸见产品简介)

选型表
可选加工参数

产品简介
产品问答
关于此产品的常见问题
1、 如何才能避免生锈?
如对防锈有要求,请优先选择SUS304材质,其次选择表面经过镀铬、无电解镀镍和发黑的产品,未进行表面处理的产品,需定期涂抹防锈油进行维护,以此延长防锈时间。
2、定位销的使用寿命多久?
定位销的使用寿命受到多种因素的影响,包括材料、应用环境、载荷条件、使用频率以及维护保养等,
应选择具有良好的抗弯曲和抗磨损能力的材质,再经过热处理和表面处理来提升其工艺性能,提高耐磨性和抗腐蚀性,延长使用寿命。
3、定位销为什么有中心孔?
因为最后一道工序为外圆精磨,为了保证达到加工精度,需要在两端开设中心孔定位。
4、定位销台阶根部为什么有退刀槽?
因为定位销同轴度很高,根部需要有研磨退刀槽,以保证没有R角产生。
5、目录记载规格以外的形状、尺寸能否定做?
可以定做,需要出示定制的图纸来加工。
1. 添加筛选条件,生成产品型号
客服
购物车
小程序
怡合达商城小程序
随身商城一手掌握
公众号
微信公众号
订单/资讯随手掌握
微信技术交流服务群
扫码添加进群
浏览记录
问题反馈
置顶
Copyright © 2010-2026 东莞怡合达自动化股份有限公司 版权所有 粤ICP备14032684号
营业执照: 91441900566614589Q