图形预览
滚柱式直线导轨 重预压 高级 精密级 滑块加长型
型号筛选
未生成型号,还有 5 项未选择
代码
参数选型
滑块数量
精度等级
产品选型
H
L
未税折扣单价:--
含税折扣单价:--
含税总价--
购买数量:
登录后可查看价格、加入购物车、一键购买
立即登录
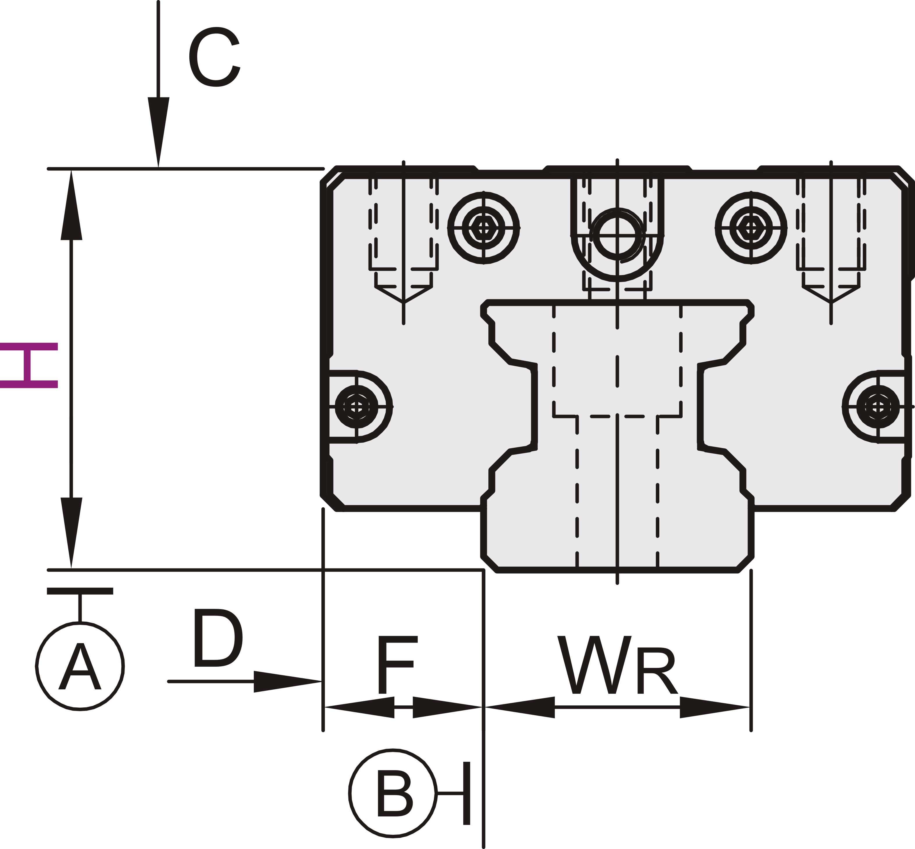
产品设计图
技术图档
3D预览
产品简介
产品问答
材质图
参数图
| 代码 | 类型 | 精度 等级 |
滑块 固定方式 |
滑块数量 | 滑轨 固定方式 |
材质 | |
| 滑轨 | 滑块 | ||||||
| ICD01 | 组件 | 高级 | 上锁式 | 单滑块 | 上锁式 | S55C | SNCM220 |
| ICD03 | 双滑块 | ||||||
| ICD05 | 精密级 | 单滑块 | |||||
| ICD06 | 双滑块 | ||||||

静态容许力矩,MR/MP/MY的数值请参考下表。
选型表
| 型号 |
L |
H1 |
F |
滑块尺寸 |
|||||||||||
| 代码 | H | W | B | C | L1 | L2 | K2 | G | M×V | T | H2 | H3 | |||
| ICD01 ICD03 ICD05 ICD06 |
40 | 134~973 | 4.8 | 12.5 | 48 | 35 | 50 | 115.5 | 83.5 | 6.6 | 12 | M6×9 | 9.5 | 10 | 10 |
| 45 | 176~1295 | 6 | 16 | 60 | 40 | 60 | 135.2 | 98.7 | 8 | M8×12 | 10 | ||||
| 55 | 176~1295 | 6.5 | 18 | 70 | 50 | 72 | 153.5 | 110.5 | M8×14 | 12 | 15 | 15 | |||
| 70 | 180~1702 | 8 | 20.5 | 86 | 60 | 80 | 189.4 | 141.7 | 10 | 13.5 | M10×19 | 17 | 20 | 20 | |
| 80 | 206~1945 | 10 | 23.5 | 100 | 75 | 95 | 235.4 | 179.5 | 12 | M12×19 | 18 | 21 | 21 | ||
| 90 | 328~1977 | 12 | 31.5 | 126 | 76 | 120 | 300.4 | 230 | M16×20 | 19.5 | 16.5 | 16.5 | |||
L尺寸的最小值由滑块长度与滑块数量而定。
每个规格滑轨长度L最大可做到4000mm/条。
| 滑轨尺寸 | 基本额定负载(KN) | 静态容许力矩(KN-m) | 重量 | ||||||||||
| WR | HR | D | h | d | P | 固定螺钉 | C(动) | Co(静) | MR | MP | MY | 滑块(kg) | 滑轨(kg/m) |
| 23 | 23.5 | 11 | 9 | 7 | 30 | M6 ×20 | 36.3 | 82.9 | 0.95 | 1.08 | 1.08 | 0.85 | 3.5 |
| 28 | 27.5 | 14 | 12 | 9 | 40 | M8 ×25 | 54 | 124 | 1.72 | 1.96 | 1.96 | 1.22 | 5 |
| 34 | 30.5 | 73.9 | 169 | 2.85 | 2.94 | 2.94 | 2.15 | 7 | |||||
| 45 | 37 | 20 | 17 | 14 | 52.5 | M12×35 | 117.2 | 261.6 | 5.94 | 5.9 | 5.9 | 4.1 | 11.2 |
| 53 | 43 | 23 | 20 | 16 | 60 | M14×45 | 172.5 | 378 | 10.26 | 10.6 | 10.6 | 7 | 15.6 |
| 63 | 52 | 26 | 22 | 18 | 75 | M16 ×50 | 277 | 624 | 20.02 | 22.5 | 22.5 | 13.3 | 22.4 |
N(安装孔数)/E(螺钉中心孔至端面距离)
| H | L 最小单位1 |
N (安装孔数) |
E |
| 40 | 134~163 | 5 | E=[L-(N-1)×P]/2 |
| 164~193 | 6 | ||
| 194~223 | 7 | ||
| 224~253 | 8 | ||
| 254~283 | 9 | ||
| 284~313 | 10 | ||
| 314~343 | 11 | ||
| 344~373 | 12 | ||
| 374~403 | 13 | ||
| 404~433 | 14 | ||
| 434~463 | 15 | ||
| 464~493 | 16 | ||
| 494~523 | 17 | ||
| 524~553 | 18 | ||
| 554~583 | 19 | ||
| 584~613 | 20 | ||
| 614~643 | 21 | ||
| 644~673 | 22 | ||
| 674~703 | 23 | ||
| 704~733 | 24 | ||
| 734~763 | 25 | ||
| 764~793 | 26 | ||
| 794~823 | 27 | ||
| 824~853 | 28 | ||
| 854~883 | 29 | ||
| 884~913 | 30 | ||
| 914~943 | 31 | ||
| 944~973 | 32 | ||
| 45 | 176~215 | 5 | |
| 216~255 | 6 | ||
| 256~295 | 7 | ||
| 296~335 | 8 | ||
| 336~375 | 9 | ||
| 376~415 | 10 | ||
| 416~455 | 11 | ||
| 456~495 | 12 | ||
| 496~535 | 13 | ||
| 536~575 | 14 | ||
| 576~615 | 15 |
N(安装孔数)/E(螺钉中心孔至端面距离)
| H | L 最小单位1 |
N (安装孔数) |
E |
| 45 | 616 ~655 | 16 | E=[L-(N-1)×P]/2 |
| 656 ~695 | 17 | ||
| 696 ~735 | 18 | ||
| 736 ~775 | 19 | ||
| 776 ~815 | 20 | ||
| 816 ~855 | 21 | ||
| 856 ~895 | 22 | ||
| 896 ~935 | 23 | ||
| 936 ~975 | 24 | ||
| 976~1015 | 25 | ||
| 1016~1055 | 26 | ||
| 1056~1095 | 27 | ||
| 1096~1135 | 28 | ||
| 1136~1175 | 29 | ||
| 1176~1215 | 30 | ||
| 1216~1255 | 31 | ||
| 1256~1295 | 32 | ||
| 55 | 176~215 | 5 | |
| 216~255 | 6 | ||
| 256~295 | 7 | ||
| 296~335 | 8 | ||
| 336~375 | 9 | ||
| 376~415 | 10 | ||
| 416~455 | 11 | ||
| 456~495 | 12 | ||
| 496~535 | 13 | ||
| 536~575 | 14 | ||
| 576~615 | 15 | ||
| 616~655 | 16 | ||
| 656~695 | 17 | ||
| 696~735 | 18 | ||
| 736~775 | 19 | ||
| 776~815 | 20 | ||
| 816~855 | 21 | ||
| 856~895 | 22 | ||
| 896~935 | 23 | ||
| 936~975 | 24 | ||
| 976~1015 | 25 | ||
| 1016~1055 | 26 |
N(安装孔数)/E(螺钉中心孔至端面距离)
| H | L 最小单位1 |
N (安装孔数) |
E |
| 55 | 1056~1095 | 27 | E=[L-(N-1)×P]/2 |
| 1096~1135 | 28 | ||
| 1136~1175 | 29 | ||
| 1176~1215 | 30 | ||
| 1216~1255 | 31 | ||
| 1256~1295 | 32 | ||
| 70 | 180~232 | 4 | |
| 233~284 | 5 | ||
| 285~337 | 6 | ||
| 338~389 | 7 | ||
| 390~442 | 8 | ||
| 443~494 | 9 | ||
| 495~547 | 10 | ||
| 548~599 | 11 | ||
| 600~652 | 12 | ||
| 653~704 | 13 | ||
| 705~757 | 14 | ||
| 758~809 | 15 | ||
| 810~862 | 16 | ||
| 863~914 | 17 | ||
| 915~967 | 18 | ||
| 968~1019 | 19 | ||
| 1020~1072 | 20 | ||
| 1073~1124 | 21 | ||
| 1125~1177 | 22 | ||
| 1178~1229 | 23 | ||
| 1230~1282 | 24 | ||
| 1283~1334 | 25 | ||
| 1335~1387 | 26 | ||
| 1388~1439 | 27 | ||
| 1440~1492 | 28 | ||
| 1493~1544 | 29 | ||
| 1545~1597 | 30 | ||
| 1598~1649 | 31 | ||
| 1650~1702 | 32 | ||
| 80 | 206~265 | 4 | |
| 266~325 | 5 | ||
| 326~385 | 6 |
N(安装孔数)/E(螺钉中心孔至端面距离)
| H | L 最小单位1 |
N (安装孔数) |
E |
| 80 | 386~445 | 7 | E=[L-(N-1)×P]/2 |
| 446~505 | 8 | ||
| 506~565 | 9 | ||
| 566~625 | 10 | ||
| 626~685 | 11 | ||
| 686~745 | 12 | ||
| 746~805 | 13 | ||
| 806~865 | 14 | ||
| 866~925 | 15 | ||
| 926~985 | 16 | ||
| 986~1045 | 17 | ||
| 1046~1105 | 18 | ||
| 1106~1165 | 19 | ||
| 1166~1225 | 20 | ||
| 1226~1285 | 21 | ||
| 1286~1345 | 22 | ||
| 1346~1405 | 23 | ||
| 1406~1465 | 24 | ||
| 1466~1525 | 25 | ||
| 1526~1585 | 26 | ||
| 1586~1645 | 27 | ||
| 1646~1705 | 28 | ||
| 1706~1765 | 29 | ||
| 1766~1825 | 30 | ||
| 1826~1885 | 31 | ||
| 1886~1945 | 32 | ||
| 90 | 328~402 | 5 | |
| 403~477 | 6 | ||
| 478~552 | 7 | ||
| 553~627 | 8 | ||
| 628~702 | 9 | ||
| 703~777 | 10 | ||
| 778~852 | 11 | ||
| 853~927 | 12 | ||
| 928~1002 | 13 | ||
| 1003~1077 | 14 | ||
| 1078~1152 | 15 | ||
| 1153~1227 | 16 |
N(安装孔数)/E(螺钉中心孔至端面距离)
| H | L 最小单位1 |
N (安装孔数) |
E |
| 90 | 1228~1302 | 17 | E=[L-(N-1)×P]/2 |
| 1303~1377 | 18 | ||
| 1378~1452 | 19 | ||
| 1453~1527 | 20 | ||
| 1528~1602 | 21 | ||
| 1603~1677 | 22 | ||
| 1678~1752 | 23 | ||
| 1753~1827 | 24 | ||
| 1828~1902 | 25 | ||
| 1903~1977 | 26 |
P:螺钉孔间距离
E:螺钉中心孔至端面距离
精度基准
| 尺寸精度 | 高级 | 精密级 | |||||||||||
| 40 | 45 | 55 | 70 | 80 | 90 | 40 | 45 | 55 | 70 | 80 | 90 | ||
| 单滑块 | 高度H的容许尺寸误差 | ±0.04 | ±0.04 | ±0.04 | ±0.05 | ±0.05 | ±0.07 | 0 -0.04 |
0 -0.04 |
0 -0.04 |
0 -0.05 |
0 -0.05 |
0 -0.07 |
| 宽度F的容许尺寸误差 | ±0.04 | ±0.04 | ±0.04 | ±0.05 | ±0.05 | ±0.07 | 0 -0.04 |
0 -0.04 |
0 -0.04 |
0 -0.05 |
0 -0.05 |
0 -0.07 |
|
| 双滑块 | 高度H的相互误差 | 0.015 | 0.015 | 0.015 | 0.015 | 0.015 | 0.02 | 0.007 | 0.007 | 0.007 | 0.007 | 0.007 | 0.01 |
| 宽度F的相互误差 | 0.015 | 0.015 | 0.015 | 0.02 | 0.02 | 0.025 | 0.007 | 0.007 | 0.007 | 0.01 | 0.01 | 0.015 | |
| 滑块C面对滑轨A面的行走平行度 |
|
||||||||||||
| 滑块D面对滑轨B面的行走平行度 | |||||||||||||
